Каталог запасных частей к технике: ЯМЗ-238Д и Б. Управление механизмом переключения понижающей передачи

zoom-in zoom-out enlarge shrink circle-right circle-left file-text2 info cart arraw right arraw left zoom out zoom in arraw maximize arraw minimize
1
1
1
2
2
2
3
4
5
5
5
6
7
8
9
10
11
12
13
13
14
14
15
15
15
16
16
17
18
19
20
21
22
23
24
25
26
27
28
29
30
31
32
33
34
35
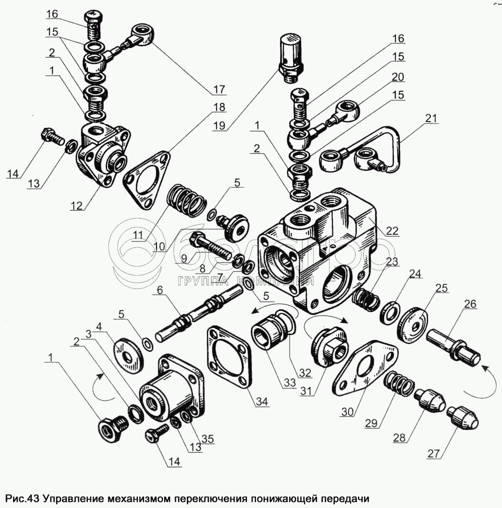
240-1005586
Кольцо уплотнительное
В узле: 1
240Н-1011449
Кольцо уплотнительное
В узле: 4
1
238-1723280
Ввертыш
В узле: 5
2
312326-П34
Шайба уплотнительная
В узле: 5
3
238Н-1723028
Цилиндр
В узле: 2
4
238Н-1723170
Шайба упорная
В узле: 2
5
238-1723026
Кольцо уплотнительное
В узле: 3
6
238Н-1723024
Золотник
В узле: 1
7
252005-П2
Шайба 8
В узле: 2
8
252135-П2
Шайба пружинная
В узле: 2
9
201462-П29
Болт М8х35
В узле: 2
10
238Н-1723032
Клапан впускной в сборе
В узле: 1
11
238Н-1723037
Пружина
В узле: 1
12
238Н-1723041
Крышка клапана
В узле: 1
13
252134-П2
Шайба пружинная
В узле: 11
14
201420-П29
Болт М6х20
В узле: 11
15
312482-П34
Шайба
В узле: 12
16
310122-П2
Болт М10х1х22
В узле: 6
17
238Н-1723080
Воздухопровод
В узле: 1
18
238Н-1723049
Прокладка
В узле: 1
19
238Н-1723100
Сапун
В узле: 1
20
238Н-1723081
Воздухопровод
В узле: 1
21
238Н-1723082
Воздухопровод
В узле: 1
22
238Н-1723015-Б
Корпус
В узле: 1
23
238Н-1723036
Пружина
В узле: 1
24
238Н-1723154
Шайба упорная
В узле: 1
25
238Н-1723290
Диафрагма толкателя в сборе
В узле: 1
26
238Н-1723038
Толкатель
В узле: 1
27
238-1723044
Сухарь блокирующего устройства
В узле: 2
28
238Н-1723045
Шток
В узле: 1
29
238Н-1723047
Пружина
В узле: 1
30
238Н-1723048
Прокладка
В узле: 1
31
238Н-1723043
Втулка толкателя центрирующая
В узле: 1
32
238Н-1723031
Кольцо уплотнительное
В узле: 2
33
238Н-1723030
Поршень
В узле: 2
34
238-1723029-Б
Прокладка
В узле: 2
35
252004-П2
Шайба
В узле: 8
Содержащиеся в справочниках-каталогах запасные части и детали не предлагаются к продаже, а носят исключительно информационный характер

Ваша заявка была отправлена. В ближайшее время наши специалисты с Вами свяжутся по указанному Вами телефону.

Представьтесь
Поле обязательно для заполнения
Ваш телефон
Введите правильный номер телефона
E-mail
Введите правильный e-mail
Тема
Тема
применяемость финансирование доставка цена, наличие другое сервис и гарантия
Время для звонка
08:00
08:00 09:00 10:00 11:00 12:00 13:00 14:00 15:00 16:00 17:00 18:00 19:00
19:00
08:00 09:00 10:00 11:00 12:00 13:00 14:00 15:00 16:00 17:00 18:00 19:00

Мы постараемся перезвонить в указанное время

Если вы не хотите ждать, то звоните нашим вежливым консультантам:

8 800 100-2-700
Подтвердите, что вы не робот
Подтвердите, что вы не робот
Спасибо!

Ваше сообщение успешно отправлено!

ЗакрытьПовторить попытку