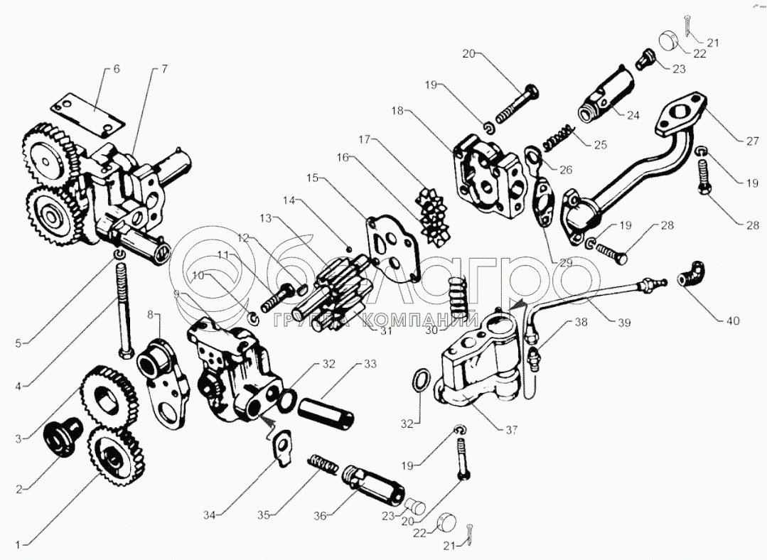
Каталог запасных частей к технике: ЯМЗ-238М2. Насос масляный

zoom-in zoom-out enlarge shrink circle-right circle-left file-text2 info cart arraw right arraw left zoom out zoom in arraw maximize arraw minimize
1
2
3
4
5
6
7
8
9
10
11
12
13
14
15
16
17
18
19
19
19
19
20
20
21
21
22
22
23
23
24
25
26
27
28
28
29
30
31
32
32
33
34
35
36
37
38
39
40
236-1011363-Б2
Клапан предохранительный в сборе
В узле: 1
236-1011040-Б
Шестерня ведущая нагнетающей секции в сборе
В узле: 1
1
236-1011230-А
Шестерня ведомая
В узле: 1
2
236-1011217-В2
Фланец упорный
В узле: 1
3
236-1011202-А
Шестерня промежуточная привода
В узле: 1
4
310254-П2
Болт
В узле: 2
5
312647-П2
Шайба
В узле: 4
6
236-1011380
Прокладка регулировочная
В узле: 2
7
236-1011014-В3
Насос масляный в сборе
В узле: 1
8
236-1011208-В
Ось промежуточной шестерни
В узле: 1
9
236-1011015-Г
Корпус нагнетающей секции
В узле: 1
10
252137-П2
Шайба пружинная
В узле: 2
11
310156-П2
Болт
В узле: 2
12
4598246257
Шпонка
В узле: 2
13
236-1011045-Б
Шестерня ведущая нагнетающей секции
В узле: 1
14
4691183460
Шарик Б4-100
В узле: 1
15
236-1011049
Проставка
В узле: 1
16
236-1011114
Шестерня ведомая радиаторной секции
В узле: 1
17
236-1011100
Шестерня ведущая радиаторной секции
В узле: 1
18
236-1011019-В
Корпус радиаторной секции
В узле: 1
19
252135-П2
Шайба пружинная
В узле: 12
20
200270-П2
Болт М8х55
В узле: 6
21
258056
Шплинт
В узле: 2
22
236-1011071-В2
Колпачок
В узле: 2
23
236-1011364-Б
Плунжер
В узле: 1
24
236-1011365-В
Корпус предохранительного клапана
В узле: 1
25
236-1011368-В
Пружина предохранительного клапана
В узле: 1
26
312559-П2
Шайба замковая
В узле: 1
27
236-1011420-В
Трубка радиаторной секции отводящая
В узле: 1
28
201458-П
Болт
В узле: 1
29
236-1011358-А
Прокладка фланца
В узле: 1
30
240-1011057
Пружина клапана дифференциального
В узле: 1
31
236-1011030-Б
Шестерня ведомая нагнетающей секции в сборе
В узле: 1
32
240-1005586-01
Кольцо
В узле: 1
33
236-1011352-В
Трубка нагнетающей секции отводящая
В узле: 1
34
312571-П2
Шайба замковая
В узле: 1
35
236-1011058-Б
Пружина клапана
В узле: 1
36
236-1011048-Б
Клапан нагнетающей секции редукционный в сборе
В узле: 1
37
236-1011056-А
Клапан дифференциальный в сборе
В узле: 1
38
314612-П29
Штуцер
В узле: 1
39
236-1011098-Б3
Трубка дифференциального клапана подводящая
В узле: 1
40
314537-П
Угольник
В узле: 1
Содержащиеся в справочниках-каталогах запасные части и детали не предлагаются к продаже, а носят исключительно информационный характер

Ваша заявка была отправлена. В ближайшее время наши специалисты с Вами свяжутся по указанному Вами телефону.

Представьтесь
Поле обязательно для заполнения
Ваш телефон
Введите правильный номер телефона
E-mail
Введите правильный e-mail
Тема
Тема
применяемость финансирование доставка цена, наличие другое сервис и гарантия
Время для звонка
08:00
08:00 09:00 10:00 11:00 12:00 13:00 14:00 15:00 16:00 17:00 18:00 19:00
19:00
08:00 09:00 10:00 11:00 12:00 13:00 14:00 15:00 16:00 17:00 18:00 19:00

Мы постараемся перезвонить в указанное время

Если вы не хотите ждать, то звоните нашим вежливым консультантам:

8 800 100-2-700
Подтвердите, что вы не робот
Подтвердите, что вы не робот
Спасибо!

Ваше сообщение успешно отправлено!

ЗакрытьПовторить попытку