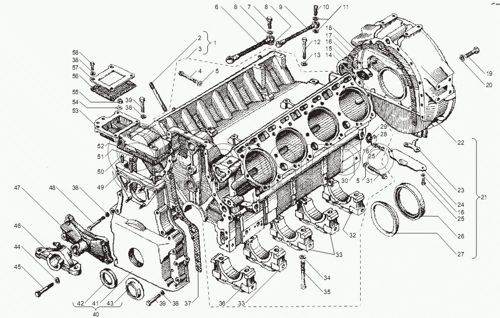
Каталог запасных частей к технике: ЯМЗ-238НД3, НД4, НД5. Блок цилиндров

zoom-in zoom-out enlarge shrink circle-right circle-left file-text2 info cart arraw right arraw left zoom out zoom in arraw maximize arraw minimize
1
1
1
1
1
1
2
3
4
5
5
6
7
8
8
9
10
11
12
13
14
15
16
16
16
17
18
19
20
21
21
21
22
22
23
24
25
25
26
27
28
29
30
31
32
33
33
34
35
36
37
38
38
38
38
39
39
40
41
42
43
44
45
46
47
48
49
50
51
52
53
54
55
56
57
58
238H-1002306
Комплект картера маховика с трубами системы охлаждения поршней
В узле: 1
45 9167 5005
Масленка 2.3.45 Ц6
В узле: 1
236-1002227-A2
Ввертыш крышки
В узле: 6
1
238Н-1002005-А
Блок цилиндров с деталями привода ТНВД. Комплект для запасных частей
В узле: 1
1
238H-1002015-Г2
Блок цилиндров
В узле: 1
1
238Н-1002011-Ж
Блок цилиндров в сборе
В узле: 1
1
238-1002005-А
Блок цилиндров с деталями привода ТНВД. Комплект для запасных частей
В узле: 1
1
238-1002012-В2
Блок цилиндров в сборе
В узле: 1
1
238Н-1002012-Г2
Блок цилиндров в сборе
В узле: 1
2
236-1003016-Б
Шпилька крепления головки цилиндров
В узле: 42
3
238-1002011-И
Блок цилиндров в сборе
В узле: 1
4
236-1005180-А
Болт стяжной короткий
В узле: 5
5
236-1005181
Шайба
В узле: 10
6
238-1111620
Трубка отвода масла от топливного насоса в сборе
В узле: 1
7
310096-П2
Болт специальный М14х1,5х30
В узле: 2
8
312326-П34
Шайба уплотнительная
В узле: 4
9
236-1104334
Трубка отвода топлива от плунжерных пар в сборе
В узле: 1
10
310122-П2
Болт М10х1х22
В узле: 2
11
312482-П34
Шайба
В узле: 4
12
200463-П29
Болт
В узле: 4
13
312515-П29
Шайба
В узле: 4
14
236-1014272
Прокладка
В узле: 1
15
238Н-1002402
Заглушка
В узле: 1
16
252135-П2
Шайба пружинная
В узле: 14
17
201456-П2
Болт М8х20
В узле: 2
18
236-1002314-Б
Прокладка картера маховика
В узле: 1
19
310044-П29
Болт
В узле: 10
20
252137-П2
Шайба пружинная
В узле: 10
21
238-1002311-А
Картер маховика в сборе
В узле: 1
21
238-1002310-В5
Картер маховика в сборе
В узле: 1
21
238-1002310-В6
Картер маховика в сборе
В узле: 1
22
238-1002312-B5
Картер маховика
В узле: 1
22
238-1002312-В4
Картер маховика
В узле: 1
23
236-1002333
Указатель верхней мертвой точки поршня
В узле: 1
24
236-1002318
Крышка люка картера
В узле: 1
25
201454-П29
Болт М8х16
В узле: 12
26
236-1005160-A2
Манжета в сборе
В узле: 1
27
236-1002315
Маслоотражатель
В узле: 1
28
236-1002404
Заглушка
В узле: 4
29
201-1306075-A
Прокладка
В узле: 4
30
238-1002015-E
Блок цилиндров
В узле: 1
31
236-1005178-A
Болт стяжной длинный
В узле: 5
32
236-1005152-Г
Крышка заднего подшипника коленчатого вала
В узле: 1
33
238-1005156
Крышка промежуточного подшипника коленчатого вала
В узле: 3
34
312304-П
Шайба
В узле: 10
35
236-1005159
Болт крышки коренного подшипника
В узле: 10
36
236-1005140-B
Крышка переднего подшипника коленчатого вала
В узле: 1
37
238AK-1002265
Прокладка левая
В узле: 1
38
252136-П2
Шайба 10 пружинная
В узле: 18
39
200325-П29
Болт
В узле: 10
40
236-1002261-Б
Крышка шестерен распределения в сборе
В узле: 1
41
236-1002264-B2
Крышка шестерен распределения
В узле: 1
42
201-1005034-Б3
Манжета в сборе
В узле: 1
43
236-1002272
Маслоотражатель крышки шестерен
В узле: 1
44
252016-П2
Шайба
В узле: 4
45
200827-П29
Болт
В узле: 4
46
238НБ-1001010
Хомут
В узле: 1
47
238НБ-1001020-Б2
Кронштейн передней опоры двигателя
В узле: 1
48
200328-П29
Болт
В узле: 2
49
216344-П29
Шпилька
В узле: 2
50
216262-П29
Шпилька
В узле: 1
51
238AK-1002266
Прокладка крышки шестерен распределения правая
В узле: 1
52
236-1002258-АЗ
Прокладка
В узле: 1
53
236-1002255-В4
Крышка блока верхняя в сборе
В узле: 1
54
312534-П2
Шайба замковая
В узле: 1
55
250513-П29
Гайка
В узле: 3
56
236-1002283-A
Прокладка с сеткой в сборе
В узле: 1
57
236-1002282-Б
Заглушка
В узле: 1
58
201499-П29
Болт 10-6gх30
В узле: 4
Содержащиеся в справочниках-каталогах запасные части и детали не предлагаются к продаже, а носят исключительно информационный характер

Ваша заявка была отправлена. В ближайшее время наши специалисты с Вами свяжутся по указанному Вами телефону.

Представьтесь
Поле обязательно для заполнения
Ваш телефон
Введите правильный номер телефона
E-mail
Введите правильный e-mail
Тема
Тема
применяемость финансирование доставка цена, наличие другое сервис и гарантия
Время для звонка
08:00
08:00 09:00 10:00 11:00 12:00 13:00 14:00 15:00 16:00 17:00 18:00 19:00
19:00
08:00 09:00 10:00 11:00 12:00 13:00 14:00 15:00 16:00 17:00 18:00 19:00

Мы постараемся перезвонить в указанное время

Если вы не хотите ждать, то звоните нашим вежливым консультантам:

8 800 100-2-700
Подтвердите, что вы не робот
Подтвердите, что вы не робот
Спасибо!

Ваше сообщение успешно отправлено!

ЗакрытьПовторить попытку