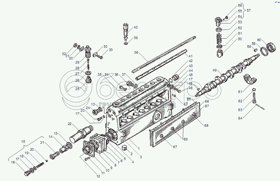
Каталог запасных частей к технике: ЯМЗ-238НД3, НД4, НД5. Насос топливный высокого давления

zoom-in zoom-out enlarge shrink circle-right circle-left file-text2 info cart arraw right arraw left zoom out zoom in arraw maximize arraw minimize
805.1111007-40
805.1111007-30
805.1111007-50
1
2
3
4
5
6
7
8
9
10
11
12
13
13
14
15
16
17
17
17
18
19
20
21
22
23
24
25
26
27
28
29
30
30
31
32
33
34
35
36
37
38
39
40
41
42
43
44
45
46
47
48
49
50
51
52
53
54
55
56
57
57
58
59
60
61
62
63
64
65
66
67
67
68
69
805.1111007-40
Топливный насос высокого давления в сборе
В узле: 1
805.1111007-30
Топливный насос высокого давления в сборе
В узле: 1
236-1111042-А
Втулка рейки топливного насоса {а}
В узле: 1
805.1111007-50
Топливный насос высокого давления в сборе
В узле: ---
1
80.1111021-30
Корпус насоса в сборе
В узле: 1
2
60.1111027
Заглушка
В узле: 8
3
852606-П15
Шайба
В узле: 1
4
46 2412 0498
Подшипник 7205А
В узле: 1
5
236-1111196
Кольцо уплотнительное
В узле: 1
6
60.1111280-10
Указатель начала подачи топлива
В узле: 1
7
236-1111193
Прокладка крышки
В узле: 2
8
236-1111194
Прокладка крышки
В узле: 3
9
236-1111195
Прокладка крышки
В узле: 3
10
60.1111182-10
Крышка подшипника
В узле: 1
11
311200-П29
Винт
В узле: 4
12
25 31312454
Манжета 2,2-25x42-2
В узле: 1
13
312630-П
Шайба
В узле: 2
14
60.1111286
Ввертыш клапана
В узле: 1
15
60.1111282
Клапан перепускной в сборе
В узле: 1
16
60.1111300
Пробка клапана со штифтом в сборе
В узле: 1
17
852205
Шайба
В узле: 4
18
852219
Шайба регулировочная
В узле: 6
19
33.1111289-10
Пружина клапана
В узле: 1
20
33.1111325
Шарик Б 6,35 мм
В узле: 1
21
60.1111285
Корпус клапана
В узле: 1
22
238НБ-1111238
Втулка рейки
В узле: 1
23
310704-П29
Винт
В узле: 1
24
236-1111032
Ввертыш корпуса
В узле: 1
25
901.1111102-20
Клапан нагнетательный в сборе
В узле: 8
26
60.1111086
Прокладка клапана
В узле: 8
27
33.1111108
Пружина нагнетательного клапана
В узле: 8
28
60.1111113-10
Упор клапана
В узле: 8
29
60.1111118-20
Штуцер топливного насоса
В узле: 8
30
60.1111120
Сухарь штуцера
В узле: 16
31
252134-П29
Шайба пружинная
В узле: 4
32
250508-П29
Гайка М6
В узле: 4
33
201426-П29
Болт
В узле: 4
34
310952-П15
Винт
В узле: 1
35
852204
Шайба
В узле: 1
36
236M-1111034-A
Ввертыш корпуса
В узле: 2
37
312327-П
Шайба
В узле: 2
38
238-1111040
Рейка топливного насоса высокого давления
В узле: 1
39
236M-1111083-A
Кольцо уплотнительное
В узле: 8
40
60.1111074-30
Пара плунжерная
В узле: 8
41
80.1111169-01
Экран
В узле: 1
42
236-1111245
Кольцо уплотнительное
В узле: 2
43
80.1111425
Пробка корпуса
В узле: 2
44
852206
Шайба
В узле: 2
45
236-1111036
Ввертыш корпуса
В узле: 2
46
852882-П15
Пробка спуска воздуха
В узле: 2
47
236-1111122
Винт установочный втулки плунжера
В узле: 8
48
852800
Шпонка сегментная
В узле: 1
49
80.1111172-30
Вал кулачковый
В узле: 1
50
60.1111136-02
Толкатель плунжера в сборе
В узле: 8
51
236-1111151-Б
Тарелка пружины толкателя нижняя
В узле: 8
52
236-1111148-Б
Пружина толкателя
В узле: 8
53
236-1111150-Б
Тарелка пружины толкателя верхняя
В узле: 8
54
236-1111064-Б
Втулка зубчатого венца
В узле: 8
55
236-1111062
Венец зубчатый
В узле: 8
56
310607-П15
Винт
В узле: 8
57
236-1111060-Б
Венец зубчатый с втулкой в сборе
В узле: 8
57
60.1111060
Венец зубчатый в сборе
В узле: 8
58
314019-П
Шпонка сегментная
В узле: 1
59
312439-П15
Шайба
В узле: 1
60
46 2412 0453
Подшипник 7204А
В узле: 1
61
236-1111177-Б3
Опора кулачкового вала
В узле: 1
62
25 31113013
Кольцо 005-008-19-2-2
В узле: 2
63
852011-П15
Болт
В узле: 2
64
852702-П29
Шплинт-проволока
В узле: 1
65
238-1111226-А2
Прокладка крышки
В узле: 1
66
80.1111222
Крышка насоса высокого давления
В узле: 1
67
236-1111227-Б
Винт крепления крышки
В узле: 2
68
852203
Шайба
В узле: 4
69
236-1111229-Б
Винт крепления крышки
В узле: 2
Содержащиеся в справочниках-каталогах запасные части и детали не предлагаются к продаже, а носят исключительно информационный характер

Ваша заявка была отправлена. В ближайшее время наши специалисты с Вами свяжутся по указанному Вами телефону.

Представьтесь
Поле обязательно для заполнения
Ваш телефон
Введите правильный номер телефона
E-mail
Введите правильный e-mail
Тема
Тема
применяемость финансирование доставка цена, наличие другое сервис и гарантия
Время для звонка
08:00
08:00 09:00 10:00 11:00 12:00 13:00 14:00 15:00 16:00 17:00 18:00 19:00
19:00
08:00 09:00 10:00 11:00 12:00 13:00 14:00 15:00 16:00 17:00 18:00 19:00

Мы постараемся перезвонить в указанное время

Если вы не хотите ждать, то звоните нашим вежливым консультантам:

8 800 100-2-700
Подтвердите, что вы не робот
Подтвердите, что вы не робот
Спасибо!

Ваше сообщение успешно отправлено!

ЗакрытьПовторить попытку