Каталог запасных частей к технике: ЯМЗ-238НД3, НД4, НД5. Турбокомпрессор

zoom-in zoom-out enlarge shrink circle-right circle-left file-text2 info cart arraw right arraw left zoom out zoom in arraw maximize arraw minimize
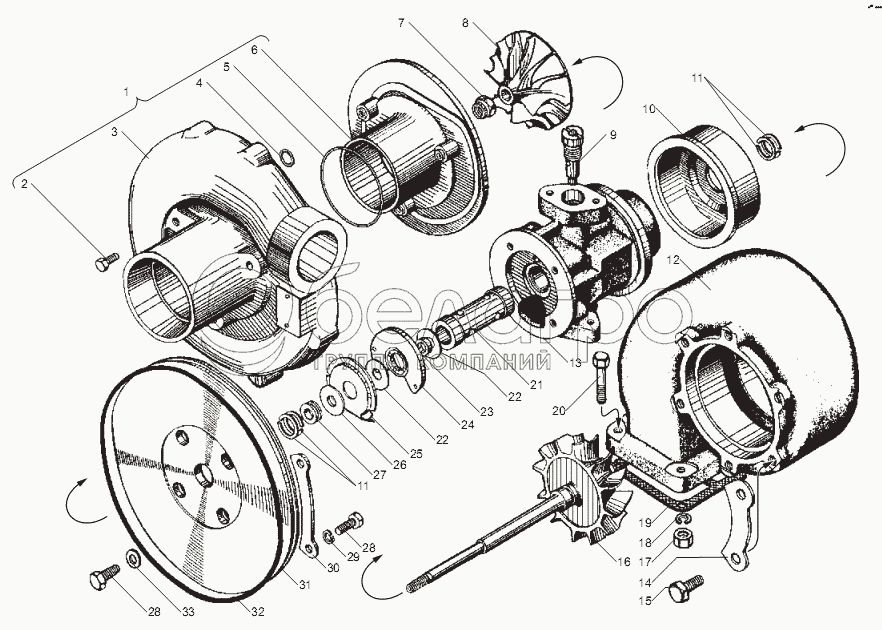
1
2
3
4
5
6
7
8
9
10
11
11
12
13
14
15
16
17
18
19
20
21
22
22
23
24
25
26
27
28
28
29
30
31
32
33
12.1118080
Ротор в сборе
В узле: 1
258364-П
Штифт 3х18
В узле: 2
1
12.1118130-10
Корпус компрессора в сборе
В узле: 1
2
201418-П29
Болт М6х16
В узле: 3
3
12.1118134
Корпус компрессора
В узле: 1
4
25 3111 6057
Кольцо 010-044-75-2-5
В узле: 3
5
240Н-1118282
Кольцо уплотнительное
В узле: 1
6
12.1118135-10
Вставка корпуса компрессора
В узле: 1
7
12.1118120
Гайка
В узле: 1
8
12.1118110-02
Колесо компрессора
В узле: 1
9
12.1118036
Болт стопорный
В узле: 1
10
12.1118294
Проставка корпуса турбины
В узле: 1
11
12.1118106
Кольцо уплотнительное
В узле: 4
12
12.1118154-01
Корпус турбины
В узле: 1
13
12.1118024
Корпус подшипника
В узле: 1
14
12.1118103
Пластина турбины
В узле: 3
15
12.1118104
Болт
В узле: 6
16
12.1118086
Колесо турбины с валом в сборе
В узле: 1
17
250512-П5
Гайка
В узле: 4
18
312300-П2
Шайба
В узле: 4
19
238Ф-1118158
Прокладка корпуса турбины
В узле: 1
20
201505-П29
Болт М10х45
В узле: 4
21
12.1118030
Втулка подшипниковая
В узле: 1
22
12.1118270
Шайба упорная
В узле: 2
23
12.1118268
Шайба распорная
В узле: 1
24
12.1118272
Фланец упорный
В узле: 1
25
12.1118180
Экран маслосбрасывающий
В узле: 1
26
12.1118284
Маслоотражатель
В узле: 1
27
12.1118283
Втулка уплотнительных колец
В узле: 1
28
201457-П29
Болт М8х22
В узле: 12
29
252135-П2
Шайба пружинная
В узле: 8
30
12.1118102
Пластина компрессора
В узле: 4
31
12.1118280
Крышка корпуса подшипников
В узле: 1
32
12.1118240
Кольцо уплотнительное
В узле: 1
33
252005-П2
Шайба 8
В узле: 4
Содержащиеся в справочниках-каталогах запасные части и детали не предлагаются к продаже, а носят исключительно информационный характер

Ваша заявка была отправлена. В ближайшее время наши специалисты с Вами свяжутся по указанному Вами телефону.

Представьтесь
Поле обязательно для заполнения
Ваш телефон
Введите правильный номер телефона
E-mail
Введите правильный e-mail
Тема
Тема
применяемость финансирование доставка цена, наличие другое сервис и гарантия
Время для звонка
08:00
08:00 09:00 10:00 11:00 12:00 13:00 14:00 15:00 16:00 17:00 18:00 19:00
19:00
08:00 09:00 10:00 11:00 12:00 13:00 14:00 15:00 16:00 17:00 18:00 19:00

Мы постараемся перезвонить в указанное время

Если вы не хотите ждать, то звоните нашим вежливым консультантам:

8 800 100-2-700
Подтвердите, что вы не робот
Подтвердите, что вы не робот
Спасибо!

Ваше сообщение успешно отправлено!

ЗакрытьПовторить попытку