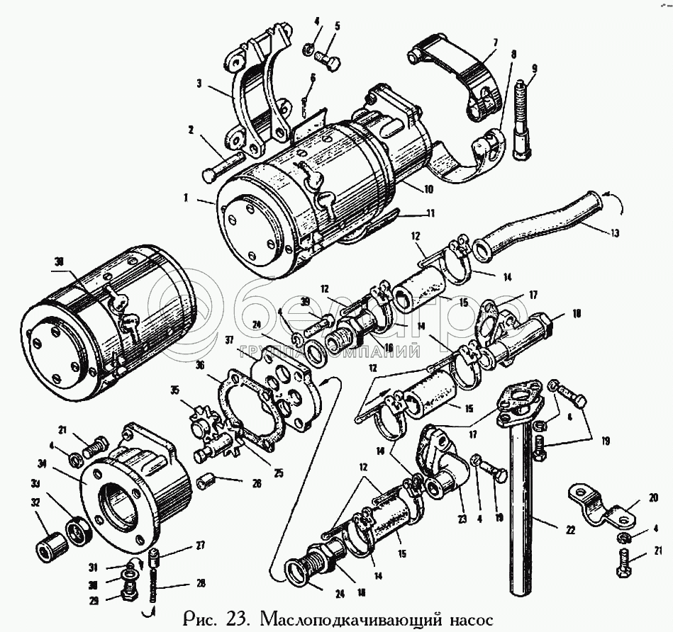
Каталог запасных частей к технике: ЯМЗ-240. Маслоподкачивающий насос

zoom-in zoom-out enlarge shrink circle-right circle-left file-text2 info cart arraw right arraw left zoom out zoom in arraw maximize arraw minimize
1
2
3
4
4
4
4
4
4
5
6
7
8
9
10
11
12
12
12
12
13
14
14
14
14
15
15
15
16
17
17
18
18
19
19
20
21
21
22
22
23
24
24
25
26
27
28
29
30
31
32
33
34
35
36
37
38
39
1
240-1021009-А
Насос маслозакащивающий в сборе с электродвигателем
В узле: 1
2
317841-П29
Палец
В узле: 1
3
240-1021080
Кронштейн крепления насоса (Сталь)
В узле: 1
4
252135-П2
Шайба пружинная
В узле: 14
5
201457-П29
Болт М8х22
В узле: 4
6
258039-П29
Шплинт
В узле: 1
7
240-1021019-А
Хомут верхний (Сталь)
В узле: 1
8
240-1021020-А
Хомут нижний (Сталь)
В узле: 1
9
236-3708720
Болт стяжной
В узле: 1
10
240-1021012-А
Насос маслозакащивающий в сборе
В узле: 1
11
240-1021316
Прокладка (Резина)
В узле: 1
12
297575-П29
Шплинт
В узле: 2
13
240-1021103
Труба отводящая (Сталь)
В узле: 1
14
316215-П
Хомут в сборе
В узле: 2
15
240-1021084
Рукав (Резина)
В узле: 3
16
240-1021112
Штуцер (Сталь)
В узле: 2
17
236-1011358-А
Прокладка фланца
В узле: 3
18
240-1021044-А
Клапан запорный
В узле: 1
19
201458-П29
Болт М8х25
В узле: 6
20
240Б-1021114
Скоба (Сталь)
В узле: 1
21
201456-П2
Болт М8х20
В узле: 4
22
240Б-1021104
Труба всасывающая (Сталь)
В узле: 1
22
240-1021104
Труба всасывающая (сталь)
В узле: 1
23
240-1021064-А
Фланец угловой (Цинковый сплав)
В узле: 1
24
312475-П34
Шайба
В узле: 2
25
240-1021030
Шестерня ведущая (Сталь)
В узле: 1
26
206В-1011037
Втулка установочная
В узле: 2
27
236М-1106564
Плунжер клапана (Сталь)
В узле: 1
28
240-1021083
Пружина клапана (Сталь)
В узле: 1
29
204АТ-1106746-Б
Пробка клапана (Сталь)
В узле: 1
30
312310-П34
Шайба
В узле: 1
31
312631-П2
Шайба регулировочная (Сталь)
В узле: 3
32
240-1021070
Муфта шлицевая с кольцом в сборе (Сталь)
В узле: 1
33
240-1021090
Манжета (Резина)
В узле: 1
34
240-1021025-Б2
Корпус насоса (Чугун)
В узле: 1
35
240-1021034
Шестерня ведомая (Сталь)
В узле: 1
36
240-1021039-Б3
Прокладка (Алюминий)
В узле: 1
37
240-1021028
Крышка насоса (Чугун)
В узле: 1
38
МН-1
Электродвигатель
В узле: 1
39
201462-П29
Болт М8х35
В узле: 4
Содержащиеся в справочниках-каталогах запасные части и детали не предлагаются к продаже, а носят исключительно информационный характер

Ваша заявка была отправлена. В ближайшее время наши специалисты с Вами свяжутся по указанному Вами телефону.

Представьтесь
Поле обязательно для заполнения
Ваш телефон
Введите правильный номер телефона
E-mail
Введите правильный e-mail
Тема
Тема
применяемость финансирование доставка цена, наличие другое сервис и гарантия
Время для звонка
08:00
08:00 09:00 10:00 11:00 12:00 13:00 14:00 15:00 16:00 17:00 18:00 19:00
19:00
08:00 09:00 10:00 11:00 12:00 13:00 14:00 15:00 16:00 17:00 18:00 19:00

Мы постараемся перезвонить в указанное время

Если вы не хотите ждать, то звоните нашим вежливым консультантам:

8 800 100-2-700
Подтвердите, что вы не робот
Подтвердите, что вы не робот
Спасибо!

Ваше сообщение успешно отправлено!

ЗакрытьПовторить попытку