Каталог запасных частей к технике: ЯМЗ-240. Впускные трубопроводы двигателей ЯМЗ-240НМ2 и ЯМЗ-240ПМ2

zoom-in zoom-out enlarge shrink circle-right circle-left file-text2 info cart arraw right arraw left zoom out zoom in arraw maximize arraw minimize
1
2
2
3
3
4
4
4
4
5
5
6
7
8
9
10
11
12
13
14
15
16
17
18
19
20
21
22
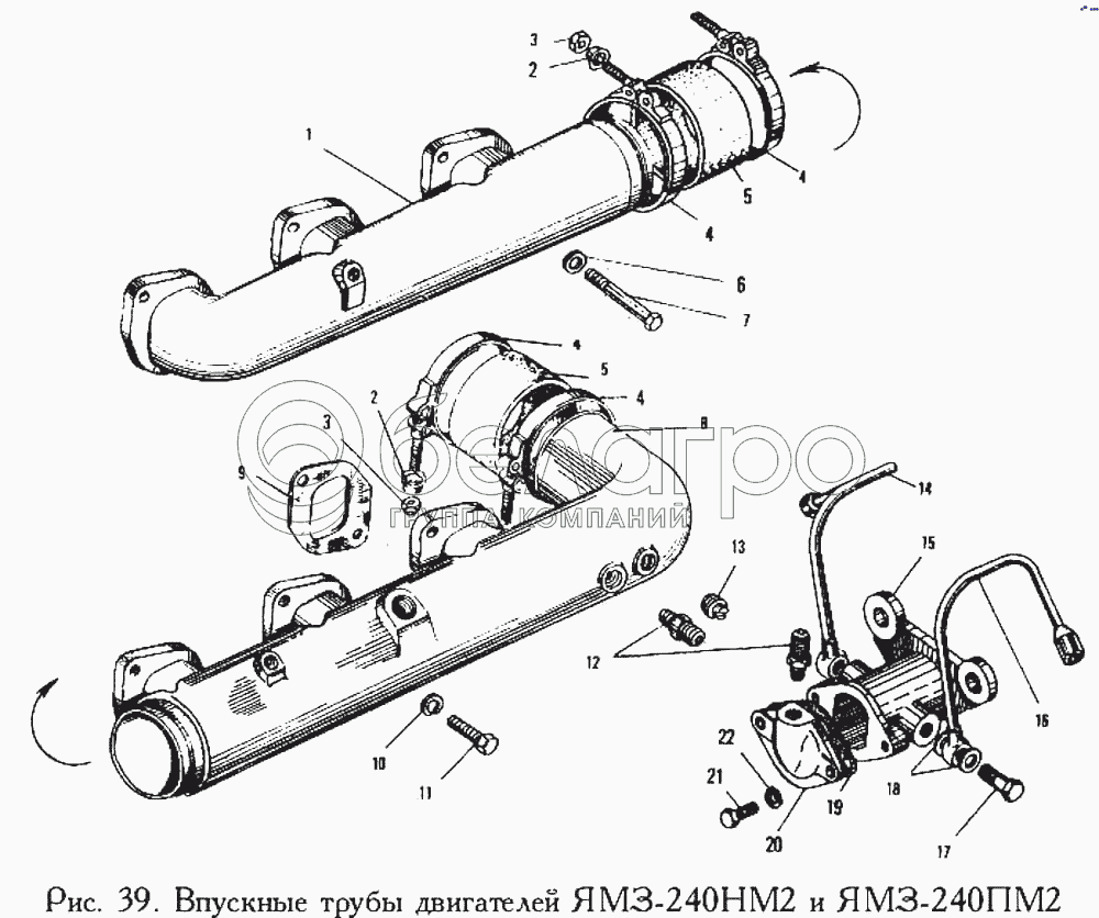
240-1115021-Б
Коллектор впускной передний левый
В узле: 1
1
240-1115020-Б
Коллектор впускной передний правый
В узле: 1
2
240Н-1115146
Колпачок гайки
В узле: 8
3
250464-П29
Гайка
В узле: 8
4
240Н-1115138
Хомут в сборе
В узле: 8
5
240Н-1115048
Рукав
В узле: 2
6
252006-П29
Шайба плоская
В узле: 8
7
200333-П29
Болт М10х120
В узле: 8
8
240Н-1115024-8
Коллектор впускной задний правый (Алюминиевый сплав)
В узле: 1
9
240-1115026-Б
Прокладка впускного коллектора
В узле: 12
10
252136-П2
Шайба 10 пружинная
В узле: 16
11
201499-П29
Болт 10-6gх30
В узле: 16
12
314656-П29
Штуцер
В узле: 3
13
316105-П29
Пробка К1/8"
В узле: 2
14
240Н-1115214
Трубка уравнителя давления правая в сборе
В узле: 1
15
240Н-1115202
Корпус уравнителя давления
В узле: 1
16
240Н-1115218
Трубка уравнителя давления левая в сборе
В узле: 1
17
310122-П2
Болт М10х1х22
В узле: 2
18
312482-П34
Шайба
В узле: 4
19
240Н-1115210
Прокладка крышки уравнителя давления
В узле: 1
20
240Н-1115206
Крышка корпуса уравнителя давления
В узле: 1
21
206464-П29
Болт М6х20
В узле: 2
22
252154-П2
Шайба пружинная
В узле: 2
Содержащиеся в справочниках-каталогах запасные части и детали не предлагаются к продаже, а носят исключительно информационный характер

Ваша заявка была отправлена. В ближайшее время наши специалисты с Вами свяжутся по указанному Вами телефону.

Представьтесь
Поле обязательно для заполнения
Ваш телефон
Введите правильный номер телефона
E-mail
Введите правильный e-mail
Тема
Тема
применяемость финансирование доставка цена, наличие другое сервис и гарантия
Время для звонка
08:00
08:00 09:00 10:00 11:00 12:00 13:00 14:00 15:00 16:00 17:00 18:00 19:00
19:00
08:00 09:00 10:00 11:00 12:00 13:00 14:00 15:00 16:00 17:00 18:00 19:00

Мы постараемся перезвонить в указанное время

Если вы не хотите ждать, то звоните нашим вежливым консультантам:

8 800 100-2-700
Подтвердите, что вы не робот
Подтвердите, что вы не робот
Спасибо!

Ваше сообщение успешно отправлено!

ЗакрытьПовторить попытку