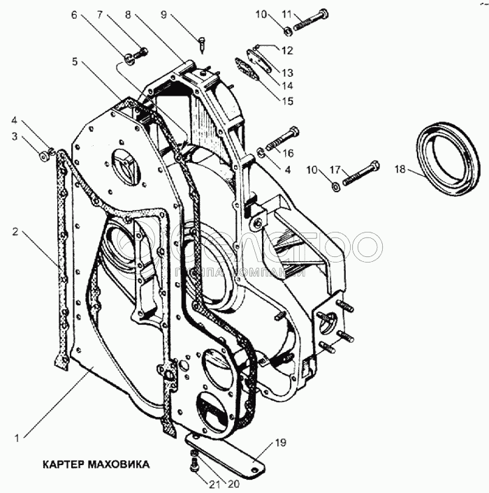
Каталог запасных частей к технике: ЯМЗ-240. Картер маховика

zoom-in zoom-out enlarge shrink circle-right circle-left file-text2 info cart arraw right arraw left zoom out zoom in arraw maximize arraw minimize
1
2
3
4
4
5
6
7
8
9
10
10
11
12
13
14
15
16
17
18
19
20
21
5
240-1002314
Прокладка картера маховика
В узле: 1
240-1002314 Прокладка Д-243, Д-245 блока двигателя, заднего листа, паронит 0.5 мм, РФ >10 шт. 29.63 р.
240-1002314 Прокладка МАЗ, МТЗ блока двигателя, заднего листа, Беларусь Под заказ 25.27 р.
1
240-1002250
Лист торцовый
В узле: 1
2
240-1002252
Прокладка
В узле: 1
3
250514-П29
Гайка М12
В узле: 4
4
252137-П2
Шайба пружинная
В узле: 15
6
252136-П2
Шайба 10 пружинная
В узле: 2
7
201497-П2
Болт М10х25
В узле: 2
8
240-1002310
Картер маховика и привода агрегатов
В узле: 1
9
240-1002333
Указатель установки угла опережения впрыскивания топлива
В узле: 1
10
252007-П29
Шайба плоская
В узле: 4
11
200377-П29
Болт М12
В узле: 4
12
250508-П29
Гайка М6
В узле: 4
13
252134-П2
Шайба пружинная
В узле: 4
14
240-1002317
Крышка люка верхняя
В узле: 1
15
240-1002324
Прокладка
В узле: 1
16
310153-П29
Болт М12х76
В узле: 11
17
200379-П29
Болт М12х100
В узле: 2
18
236-1005160-А3
Манжета коленчатого вала задняя в сборе
В узле: 1
19
240-1002318
Крышка люка нижняя
В узле: 1
20
252135-П2
Шайба пружинная
В узле: 2
21
201454-П29
Болт М8х16
В узле: 2
Содержащиеся в справочниках-каталогах запасные части и детали не предлагаются к продаже, а носят исключительно информационный характер

Ваша заявка была отправлена. В ближайшее время наши специалисты с Вами свяжутся по указанному Вами телефону.

Представьтесь
Поле обязательно для заполнения
Ваш телефон
Введите правильный номер телефона
E-mail
Введите правильный e-mail
Тема
Тема
применяемость финансирование доставка цена, наличие другое сервис и гарантия
Время для звонка
08:00
08:00 09:00 10:00 11:00 12:00 13:00 14:00 15:00 16:00 17:00 18:00 19:00
19:00
08:00 09:00 10:00 11:00 12:00 13:00 14:00 15:00 16:00 17:00 18:00 19:00

Мы постараемся перезвонить в указанное время

Если вы не хотите ждать, то звоните нашим вежливым консультантам:

8 800 100-2-700
Подтвердите, что вы не робот
Подтвердите, что вы не робот
Спасибо!

Ваше сообщение успешно отправлено!

ЗакрытьПовторить попытку