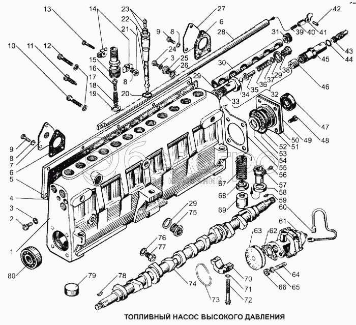
Каталог запасных частей к технике: ЯМЗ-240. Топливный насос высокого давления

zoom-in zoom-out enlarge shrink circle-right circle-left file-text2 info cart arraw right arraw left zoom out zoom in arraw maximize arraw minimize
1
1
2
3
3
4
5
6
6
7
8
8
8
9
9
10
11
12
13
14
15
16
17
18
19
20
21
22
23
24
25
26
27
28
29
29
29
30
31
32
33
34
35
36
37
38
39
40
41
42
43
44
45
46
47
48
49
50
51
52
54
55
56
57
58
59
60
61
62
63
64
65
66
67
68
69
70
71
72
73
74
75
76
77
78
79
236-1111062
Венец зубчатый
В узле: 12
90.1111175
Опора кулачкового вала со стопорным кольцом в сборе
В узле: 5
90.1111008-20
Топливный насос высокого давления в сборе
В узле: 1
901.1111008-20
Топливный насос высокого давления в сборе
В узле: 1
902.1111008-20
Топливный насос высокого давления в сборе
В узле: 1
903.1111008-10
Топливный насос высокого давления в сборе
В узле: 1
90.1111020-10
Корпус топливного насоса в сборе
В узле: 1
236-1111236-Г
Ограничитель мощности в сборе
В узле: 1
236-1111064-Б
Втулка зубчатого венца
В узле: 12
901.1111020-10
Корпус топливного насоса в сборе
В узле: 1
238НБ-1111238
Втулка рейки
В узле: 1
1
90.1111022-20
Корпус насоса
В узле: 1
1
901.1111022-20
Корпус насоса
В узле: 1
2
310704-П29
Винт
В узле: 2
3
312446-П
Шайба
В узле: 4
4
240-1111226
Прокладка крышки
В узле: 1
5
90.1111222
Крышка корпуса
В узле: 1
6
240-1106285
Прокладка заглушки и фланца
В узле: 2
7
240-1111024
Фланец слива масла
В узле: 1
8
252134-П29
Шайба пружинная
В узле: 12
9
201418-П29
Болт М6х16
В узле: 6
10
222529-П29
Винт
В узле: 9
11
236-1111122
Винт установочный втулки плунжера
В узле: 12
12
310600-П29
Винт
В узле: 2
13
201426-П29
Болт
В узле: 6
14
60.1111120
Сухарь штуцера
В узле: 12
15
60.1111118-20
Штуцер топливного насоса
В узле: 12
16
60.1111113-10
Упор клапана
В узле: 12
17
252154-П29
Шайба пружинная
В узле: 11
18
33.1111108
Пружина нагнетательного клапана
В узле: 12
19
236-1111086
Прокладка нагнетательного клапана
В узле: 12
20
236М-1111083-А
Кольцо уплотнительное втулки плунжера
В узле: 12
21
250508-П29
Гайка М6
В узле: 6
22
60.1111073-10
Пара плунжерная
В узле: 12
23
901.1111102
Клапан нагнетательный в сборе
В узле: 12
24
852882-П15
Пробка спуска воздуха
В узле: 2
25
236-1111036
Ввертыш корпуса
В узле: 2
26
312449-П
Шайба
В узле: 2
27
240-1111258
Заглушка корпуса насоса
В узле: 1
28
901.1111040
Рейка
В узле: 1
29
312630-П
Шайба
В узле: 3
30
60.1111169-01
Экран
В узле: 2
31
236-1111050
Пробка корпуса
В узле: 3
32
60.1111282
Клапан перепускной в сборе
В узле: 1
33
60.1111285
Корпус клапана
В узле: 1
34
33.1111325
Шарик Б 6,35 мм
В узле: 1
35
33.1111290
Направляющая клапана
В узле: 1
36
33.1111289-10
Пружина клапана
В узле: 1
37
870617-П
Шайба регулировочная
В узле: 3
38
60.1111300
Пробка клапана со штифтом в сборе
В узле: 1
39
240Н-1111134
Пружина фиксатора
В узле: 1
40
240Н-1111133
Фиксатор
В узле: 1
41
901.1111131
Упор
В узле: 1
42
240Н-1111132
Ось упора
В узле: 1
43
236-1111249-В
Винт ограничителя мощности
В узле: 1
44
236-1111245
Кольцо уплотнительное
В узле: 1
45
236-1111238-Е
Втулка ограничителя мощности
В узле: 1
46
236-1111042-А
Втулка рейки топливного насоса {а}
В узле: 2
47
25 3131 2454
Манжета 2,2-25х42-2
В узле: 1
48
311200-П29
Винт
В узле: 4
49
60.1111182-10
Крышка подшипника
В узле: 1
50
236-1111194
Прокладка крышки
В узле: 3
51
236-1111193
Прокладка крышки
В узле: 9
52
236-1111196
Кольцо уплотнительное
В узле: 1
54
312439-П15
Шайба
В узле: 2
55
90.1111280
Указатель начала подачи топлива
В узле: 1
56
310607-П15
Винт
В узле: 12
57
236-1111060-Б
Венец зубчатый с втулкой в сборе
В узле: 12
58
236-1111150-Б
Тарелка пружины толкателя верхняя
В узле: 12
59
852800-П
Шпонка
В узле: 1
60
240Н-1111430
Трубка корректора
В узле: 1
61
901.1110860
Корректор подачи топлива по наддуву в сборе
В узле: 1
62
901.1110869
Прокладка
В узле: 1
63
240Н-1110878
Диафрагма корректора
В узле: 1
64
216527-П29
Шпилька
В узле: 2
65
252155-П2
Шайба пружинная
В узле: 2
66
311433-П29
Гайка
В узле: 2
67
236-1111148-Б
Пружина толкателя
В узле: 12
68
236-1111151-Б
Тарелка пружины толкателя нижняя
В узле: 12
69
60.1111136-02
Толкатель плунжера в сборе
В узле: 12
70
236-1111177-Б3
Опора кулачкового вала
В узле: 5
71
25 3111 3013
Кольцо 005-008-19-2-2
В узле: 10
72
852011-П29
Болт
В узле: 10
73
60.1111163
Кольцо пружинное
В узле: 5
74
90.1111172-30
Вал кулачковый
В узле: 1
75
236-1111032
Ввертыш корпуса
В узле: 1
76
312445-П
Шайба
В узле: 2
77
236М-1111034-А
Ввертыш корпуса
В узле: 2
78
314019-П
Шпонка сегментная
В узле: 1
79
236-1111027
Заглушка чашечная
В узле: 12
Содержащиеся в справочниках-каталогах запасные части и детали не предлагаются к продаже, а носят исключительно информационный характер

Ваша заявка была отправлена. В ближайшее время наши специалисты с Вами свяжутся по указанному Вами телефону.

Представьтесь
Поле обязательно для заполнения
Ваш телефон
Введите правильный номер телефона
E-mail
Введите правильный e-mail
Тема
Тема
применяемость финансирование доставка цена, наличие другое сервис и гарантия
Время для звонка
08:00
08:00 09:00 10:00 11:00 12:00 13:00 14:00 15:00 16:00 17:00 18:00 19:00
19:00
08:00 09:00 10:00 11:00 12:00 13:00 14:00 15:00 16:00 17:00 18:00 19:00

Мы постараемся перезвонить в указанное время

Если вы не хотите ждать, то звоните нашим вежливым консультантам:

8 800 100-2-700
Подтвердите, что вы не робот
Подтвердите, что вы не робот
Спасибо!

Ваше сообщение успешно отправлено!

ЗакрытьПовторить попытку