Каталог запасных частей к технике: ЯМЗ-240. Выключатель гидромуфты

zoom-in zoom-out enlarge shrink circle-right circle-left file-text2 info cart arraw right arraw left zoom out zoom in arraw maximize arraw minimize
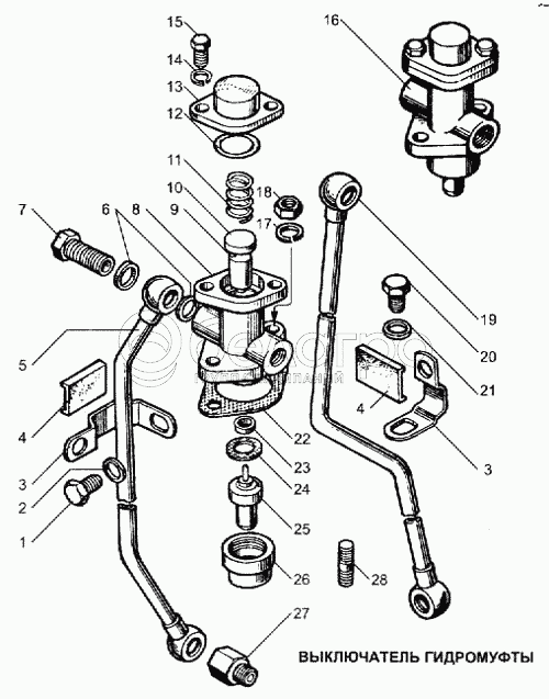
1
2
3
3
4
4
5
6
7
8
9
10
11
12
13
14
15
16
17
18
19
20
21
22
23
24
25
26
27
28
1
201534-П29
Болт М12х16
В узле: 1
2
252007-П2
Шайба
В узле: 1
3
315493-П34
Кляммер
В узле: 2
4
240Б-1318124
Прокладка трубки
В узле: 2
5
240БМ-1318110
Трубка подводящая включателя гидромуфты в сборе
В узле: 1
6
312326-П34
Шайба уплотнительная
В узле: 8
7
310096-П2
Болт специальный М14х1,5х30
В узле: 4
8
240Б-1318214-А
Корпус включателя
В узле: 1
9
240Б-1318225-В
Золотник включателя
В узле: 1
10
240Б-1318228
Шайба возвратной пружины
В узле: 1
11
240Б-1318230-Б
Пружина возвратная золотника
В узле: 1
12
236-1702216
Кольцо уплотнительное
В узле: 1
13
240Б-1318334
Крышка корпуса включателя
В узле: 1
14
252154-П2
Шайба пружинная
В узле: 2
15
201418-П29
Болт М6х16
В узле: 2
16
240Б-1318210-А2
Включатель гидромуфты в сборе
В узле: 1
17
252135-П2
Шайба пружинная
В узле: 2
18
250511-П29
Гайка
В узле: 2
19
240БМ-1318120
Трубка отводящая в сборе
В узле: 1
20
201493-П29
Болт М10
В узле: 1
21
252006-П29
Шайба плоская
В узле: 1
22
240Б-1318218
Прокладка
В узле: 1
23
240-1305036
Кольцо уплотнительное
В узле: 1
24
312472-П
Шайба
В узле: 8
25
ТС103-1306090-10
Термосиловой датчик в сборе
В узле: 2
26
240Б-1318250-Б
Гайка крепления термосилового датчика
В узле: 1
27
314684-П29
Штуцер К1/4"
В узле: 1
28
216235-П29
Шпилька
В узле: 2
Содержащиеся в справочниках-каталогах запасные части и детали не предлагаются к продаже, а носят исключительно информационный характер

Ваша заявка была отправлена. В ближайшее время наши специалисты с Вами свяжутся по указанному Вами телефону.

Представьтесь
Поле обязательно для заполнения
Ваш телефон
Введите правильный номер телефона
E-mail
Введите правильный e-mail
Тема
Тема
применяемость финансирование доставка цена, наличие другое сервис и гарантия
Время для звонка
08:00
08:00 09:00 10:00 11:00 12:00 13:00 14:00 15:00 16:00 17:00 18:00 19:00
19:00
08:00 09:00 10:00 11:00 12:00 13:00 14:00 15:00 16:00 17:00 18:00 19:00

Мы постараемся перезвонить в указанное время

Если вы не хотите ждать, то звоните нашим вежливым консультантам:

8 800 100-2-700
Подтвердите, что вы не робот
Подтвердите, что вы не робот
Спасибо!

Ваше сообщение успешно отправлено!

ЗакрытьПовторить попытку