Каталог запасных частей к технике: ЯМЗ-240. Насос масляный ЯМЗ-240НМ2

zoom-in zoom-out enlarge shrink circle-right circle-left file-text2 info cart arraw right arraw left zoom out zoom in arraw maximize arraw minimize
1
2
3
3
3
3
4
5
6
6
7
8
9
10
11
11
11
11
11
11
12
13
13
13
14
15
16
16
17
18
19
20
21
22
22
23
24
25
26
27
28
29
30
31
32
33
34
35
36
37
37
37
37
37
37
37
38
38
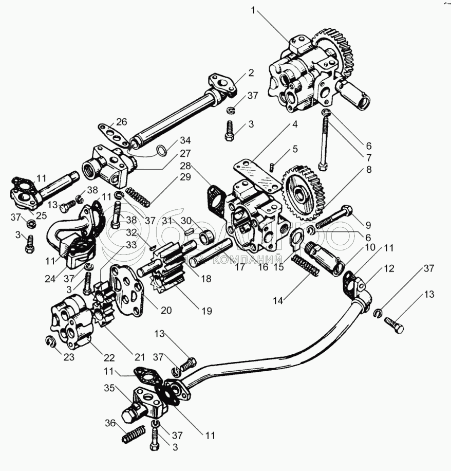
1
240Н-1011014-Б
Насос масляный в сборе
В узле: 1
2
240Н-1011407-Б
Труба отводящая задняя в сборе
В узле: 1
3
201464-П2
Болт М8х40
В узле: 8
4
240-1011380
Прокладка регулировочная
В узле: 2
5
313404-П2
Штифт установочный 5х12
В узле: 2
6
252136-П2
Шайба 10 пружинная
В узле: 6
7
45 9327 6074
Болт
В узле: 2
8
240-1011230-А
Шестерня привода масляного насоса
В узле: 1
9
200327-П2
Болт М10х90
В узле: 4
10
240Н-1011048
Клапан редукционный в сборе
В узле: 1
11
236-1011358-А
Прокладка фланца
В узле: 7
12
240Н-1011351
Труба отводящая
В узле: 1
13
201458-П2
Болт М8х25
В узле: 10
14
236-1011058-Б
Пружина клапана
В узле: 1
15
312571-П2
Шайба замковая
В узле: 1
16
240-1011018-А
Корпус нагнетающей секции в сборе
В узле: 1
16
240-1011037
Втулка установочная
В узле: 2
17
240-1011025
Ось ведомых шестерен
В узле: 1
18
240Б-1011040
Шестерня ведущая нагнетающей секции в сборе
В узле: 1
19
240-1011030
Шестерня ведомая нагнетающей секции в сборе
В узле: 1
20
240Н-1011049
Проставка
В узле: 1
21
240-1011110
Шестерня радиаторной секции ведомая в сборе
В узле: 1
22
240-1011019-А
Корпус радиаторной секции
В узле: 1
22
240-1011034
Втулка корпуса
В узле: 4
23
240-1011085
Кольцо
В узле: 1
24
240Н-1011420-А
Труба отводящая радиаторной секции в сборе
В узле: 1
25
240Н-1011406-Б
Труба отводящая в сборе
В узле: 1
26
240Н-1011274
Прокладка клапана
В узле: 1
27
240Н-1011268-Б
Клапан регулировочный системы охлаждения поршней в сборе
В узле: 1
28
236-1011296
Прокладка переднего фланца
В узле: 1
29
238Н-1011368-Б
Пружина клапана
В узле: 1
30
240-1011034
Втулка корпуса
В узле: 1
31
314123-П2
Шпонка призматическая
В узле: 1
32
45 9824 6256
Шпонка
В узле: 1
33
240Б-1011100
Шестерня ведущая радиаторной секции
В узле: 1
34
25 3111 2144
Кольцо 025-031-36-2-1
В узле: 2
35
240Н-1011092
Клапан перепускной системы смазки в сборе
В узле: 1
36
240Н-101Ю96
Пружина клапана
В узле: 1
37
252135-П2
Шайба пружинная
В узле: 16
38
200270-П2
Болт М8х55
В узле: 2
Содержащиеся в справочниках-каталогах запасные части и детали не предлагаются к продаже, а носят исключительно информационный характер

Ваша заявка была отправлена. В ближайшее время наши специалисты с Вами свяжутся по указанному Вами телефону.

Представьтесь
Поле обязательно для заполнения
Ваш телефон
Введите правильный номер телефона
E-mail
Введите правильный e-mail
Тема
Тема
применяемость финансирование доставка цена, наличие другое сервис и гарантия
Время для звонка
08:00
08:00 09:00 10:00 11:00 12:00 13:00 14:00 15:00 16:00 17:00 18:00 19:00
19:00
08:00 09:00 10:00 11:00 12:00 13:00 14:00 15:00 16:00 17:00 18:00 19:00

Мы постараемся перезвонить в указанное время

Если вы не хотите ждать, то звоните нашим вежливым консультантам:

8 800 100-2-700
Подтвердите, что вы не робот
Подтвердите, что вы не робот
Спасибо!

Ваше сообщение успешно отправлено!

ЗакрытьПовторить попытку