Каталог запасных частей к технике: ЯМЗ-240. Трубопроводы системы охлаждения ЯМЗ-240БМ2

zoom-in zoom-out enlarge shrink circle-right circle-left file-text2 info cart arraw right arraw left zoom out zoom in arraw maximize arraw minimize
1
2
2
3
3
4
4
4
4
4
4
5
5
6
6
7
7
7
7
7
8
9
10
11
12
13
14
15
16
17
18
18
18
18
19
19
19
19
20
20
21
22
23
24
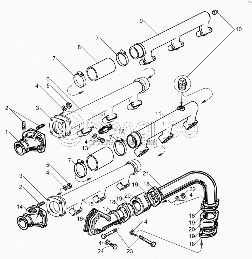
240-1303108-В
Труба водяная задняя правая в сборе
В узле: 1
240-1303110-В
Труба водяная задняя левая в сборе
В узле: 1
1
240Б-1303178
Коробка водяная правая
В узле: 1
2
216235-П29
Шпилька
В узле: 10
3
236-1306054-А
Прокладка
В узле: 2
4
252135-П2
Шайба пружинная
В узле: 43
5
250511-П29
Гайка
В узле: 8
6
240-1303104-В
Труба водяная передняя правая
В узле: 1
6
240-1303105-В
Труба водяная передняя левая
В узле: 1
7
8.8389
Хомут червячный ABA58-75-C7/12-W1
В узле: 4
7
8.8387
Хомут червячный TORRO S50-70/12C7-W1
В узле: 4
8
240-1303014-А
Рукав соединительный
В узле: 2
9
240-1303112-В
Труба водяная задняя правая
В узле: 1
10
316169-П2
Пробка К3/8"
В узле: 1
11
240-1303114-В
Труба водяная задняя левая
В узле: 1
12
240-1303268
Прокладка
В узле: 12
13
201466-П29
Болт М8х45
В узле: 24
14
240Б-1303184
Коробка водяная левая
В узле: 1
15
240-1303105-В
Труба водяная передняя левая
В узле: 1
16
240-1002504-Б
Прокладка
В узле: 1
17
240-1303166-Б
Патрубок подводящей трубы в сборе
В узле: 1
18
240-1303016
Фланец соединительный муфты
В узле: 8
19
240-1303018
Кольцо уплотнительное
В узле: 8
20
240-1303012
Муфта соединительная
В узле: 2
21
240-1303152-Б
Труба подводящая
В узле: 1
22
250510-П29
Гайка
В узле: 8
23
200274-П29
Болт М8х75
В узле: 9
24
201458-П29
Болт М8х25
В узле: 2
Содержащиеся в справочниках-каталогах запасные части и детали не предлагаются к продаже, а носят исключительно информационный характер

Ваша заявка была отправлена. В ближайшее время наши специалисты с Вами свяжутся по указанному Вами телефону.

Представьтесь
Поле обязательно для заполнения
Ваш телефон
Введите правильный номер телефона
E-mail
Введите правильный e-mail
Тема
Тема
применяемость финансирование доставка цена, наличие другое сервис и гарантия
Время для звонка
08:00
08:00 09:00 10:00 11:00 12:00 13:00 14:00 15:00 16:00 17:00 18:00 19:00
19:00
08:00 09:00 10:00 11:00 12:00 13:00 14:00 15:00 16:00 17:00 18:00 19:00

Мы постараемся перезвонить в указанное время

Если вы не хотите ждать, то звоните нашим вежливым консультантам:

8 800 100-2-700
Подтвердите, что вы не робот
Подтвердите, что вы не робот
Спасибо!

Ваше сообщение успешно отправлено!

ЗакрытьПовторить попытку