Каталог запасных частей к технике: ЯМЗ-240, 240Б, 240Н, 240П. Генератор двигателя ЯМЗ-240Б

zoom-in zoom-out enlarge shrink circle-right circle-left file-text2 info cart arraw right arraw left zoom out zoom in arraw maximize arraw minimize
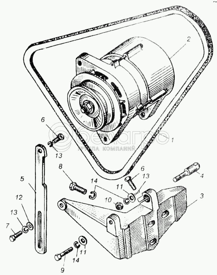
1
2
3
4
5
6
6
7
8
9
10
11
11
12
13
13
13
14
14
1
240Б-1303020
Ремень
В узле: 1
2
Г 287Д-3701000
Генератор
В узле: 1
3
240Б-3701774-Б
Кронштейн крепления генератора
В узле: 1
4
238-3701780
Палец крепления генератора
В узле: 1
5
240Б-3701790-Б
Планка натяжная генератора
В узле: 1
6
201456-П29
Болт М8-6gх20
В узле: 1
7
201458-П29
Болт М8х25
В узле: 2
8
201499-П29
Болт 10-6gх30
В узле: 3
9
201505-П29
Болт М10х45
В узле: 1
10
250512-П29
Гайка
В узле: 1
11
252006-П29
Шайба плоская
В узле: 2
12
252038-П29
Шайба
В узле: 1
13
252135-П2
Шайба пружинная
В узле: 3
14
252136-П2
Шайба 10 пружинная
В узле: 5
Содержащиеся в справочниках-каталогах запасные части и детали не предлагаются к продаже, а носят исключительно информационный характер

Ваша заявка была отправлена. В ближайшее время наши специалисты с Вами свяжутся по указанному Вами телефону.

Представьтесь
Поле обязательно для заполнения
Ваш телефон
Введите правильный номер телефона
E-mail
Введите правильный e-mail
Тема
Тема
применяемость финансирование доставка цена, наличие другое сервис и гарантия
Время для звонка
08:00
08:00 09:00 10:00 11:00 12:00 13:00 14:00 15:00 16:00 17:00 18:00 19:00
19:00
08:00 09:00 10:00 11:00 12:00 13:00 14:00 15:00 16:00 17:00 18:00 19:00

Мы постараемся перезвонить в указанное время

Если вы не хотите ждать, то звоните нашим вежливым консультантам:

8 800 100-2-700
Подтвердите, что вы не робот
Подтвердите, что вы не робот
Спасибо!

Ваше сообщение успешно отправлено!

ЗакрытьПовторить попытку