Каталог запасных частей к технике: ЯМЗ-240, 240Б, 240Н, 240П. Реле стартера

zoom-in zoom-out enlarge shrink circle-right circle-left file-text2 info cart arraw right arraw left zoom out zoom in arraw maximize arraw minimize
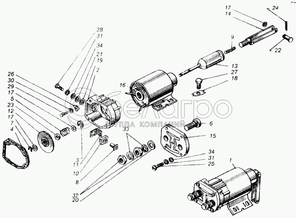
1
2
3
4
5
6
7
8
9
10
11
12
13
14
15
16
17
17
17
18
19
20
21
22
23
24
25
26
27
28
29
30
31
31
32
33
34
34
1
РС103-3708000
Реле стартера
В узле: 1
2
РС26-3708002
Корпус
В узле: 1
3
РС100-3708003
Шайба
В узле: 1
4
РС25-3708006-Б
Прокладка
В узле: 1
5
РС25-3708007
Пружина
В узле: 1
6
РС25-3708011
Болт контактный
В узле: 2
7
РС25-3708013
Скоба
В узле: 1
8
РС25-3708014
Втулка
В узле: 1
9
РС6-3708015
Пружина
В узле: 1
10
РС25-3708015
Втулка
В узле: 1
11
РС25-3708016
Изоляция
В узле: 1
12
РС25-3708030
Диск контактный
В узле: 1
13
РС100-3708050
Якорь
В узле: 1
14
РС103-3708060
Винт
В узле: 1
15
РС25-3708073
Крышка
В узле: 1
16
РС103-3708200
Катушка
В узле: 1
17
МХ-0021
Шайба
В узле: 3
18
МХ-0287
Шайба стопорная
В узле: 4
19
МХ-0434
Шайба изоляционная
В узле: 1
20
МХ-0825
Шайба
В узле: 2
21
1-МЮ-37
Шайба
В узле: 1
22
СЛ-15-85Д
Штифт
В узле: 1
23
ВМ-335-37
Шайба
В узле: 1
24
МХ-0955
Шплинт
В узле: 1
25
МХ-1020
Винт
В узле: 4
26
МХ-1032
Шайба
В узле: 3
27
МХ-1126
Болт
В узле: 4
28
МХ-1146
Болт
В узле: 1
29
МХ-1215
Болт
В узле: 3
30
Х-1482
Шайба пружинная
В узле: 3
31
Х-4001
Шайба пружинная
В узле: 5
32
Х2-9302
Гайка
В узле: 4
33
7Х-4289
Шайба пружинная
В узле: 4
34
8Х-1497
Шайба
В узле: 5
Содержащиеся в справочниках-каталогах запасные части и детали не предлагаются к продаже, а носят исключительно информационный характер

Ваша заявка была отправлена. В ближайшее время наши специалисты с Вами свяжутся по указанному Вами телефону.

Представьтесь
Поле обязательно для заполнения
Ваш телефон
Введите правильный номер телефона
E-mail
Введите правильный e-mail
Тема
Тема
применяемость финансирование доставка цена, наличие другое сервис и гарантия
Время для звонка
08:00
08:00 09:00 10:00 11:00 12:00 13:00 14:00 15:00 16:00 17:00 18:00 19:00
19:00
08:00 09:00 10:00 11:00 12:00 13:00 14:00 15:00 16:00 17:00 18:00 19:00

Мы постараемся перезвонить в указанное время

Если вы не хотите ждать, то звоните нашим вежливым консультантам:

8 800 100-2-700
Подтвердите, что вы не робот
Подтвердите, что вы не робот
Спасибо!

Ваше сообщение успешно отправлено!

ЗакрытьПовторить попытку