Каталог запасных частей к технике: ЯМЗ-650.10 (Евро 3). Блок электронный и датчики

zoom-in zoom-out enlarge shrink circle-right circle-left file-text2 info cart arraw right arraw left zoom out zoom in arraw maximize arraw minimize
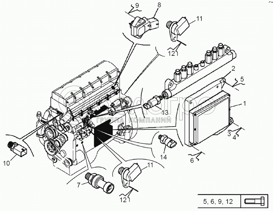
1
2
3
4
5
5
6
6
7
8
9
9
10
11
11
12
12
12
13
14
1
650.3763010
Электронный блок управления EDC-7
В узле: 1
2
650.3763106
Проставка электронного блока управления
В узле: 1
3
310464
Шпилька
В узле: 4
4
311437
Гайка самоконтрящаяся с шайбой в сборе М6х1
В узле: 4
5
310022
Болт с подголовником М8х1,25-25 8.8
В узле: 1
6
310101
Болт с подголовником М8х1,25-20 8.8
В узле: 2
7
650.1130552
Датчик давления масла
В узле: 1
8
650.1130548
Датчик температуры и давления воздуха во впускном коллекторе
В узле: 1
9
310102-П29
Винт М6х20-8.8-А3L DIN EN ISO 4762
В узле: 1
10
650.1130556
Датчик температуры охлаждающей жидкости
В узле: 1
11
650.1130544
Датчик частоты вращения двигателя
В узле: 2
12
310204
Болт M6х1-16 8.8
В узле: 2
13
650.1130540
Датчик давления в рампе
В узле: 1
14
650.1111674
Электромагнитный клапан-дозатор насоса топливного
В узле: 1
Содержащиеся в справочниках-каталогах запасные части и детали не предлагаются к продаже, а носят исключительно информационный характер

Ваша заявка была отправлена. В ближайшее время наши специалисты с Вами свяжутся по указанному Вами телефону.

Представьтесь
Поле обязательно для заполнения
Ваш телефон
Введите правильный номер телефона
E-mail
Введите правильный e-mail
Тема
Тема
применяемость финансирование доставка цена, наличие другое сервис и гарантия
Время для звонка
08:00
08:00 09:00 10:00 11:00 12:00 13:00 14:00 15:00 16:00 17:00 18:00 19:00
19:00
08:00 09:00 10:00 11:00 12:00 13:00 14:00 15:00 16:00 17:00 18:00 19:00

Мы постараемся перезвонить в указанное время

Если вы не хотите ждать, то звоните нашим вежливым консультантам:

8 800 100-2-700
Подтвердите, что вы не робот
Подтвердите, что вы не робот
Спасибо!

Ваше сообщение успешно отправлено!

ЗакрытьПовторить попытку