Каталог запасных частей к технике: ЯМЗ-650.10 (Евро 3). Патрубки водяные и термостат

zoom-in zoom-out enlarge shrink circle-right circle-left file-text2 info cart arraw right arraw left zoom out zoom in arraw maximize arraw minimize
1
2
3
4
5
6
6
7
8
9
10
11
11
12
1
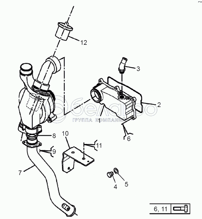
650.1303178
Коробка слива охлаждающей жидкости с головки цилиндров
В узле: 1
2
650.1303186
Прокладка
В узле: 1
3
650.1303430
Патрубок коленчатый
В узле: 1
4
316134
Пробка М22х1,5
В узле: 1
5
312380
Шайба медная
В узле: 1
6
310022
Болт с подголовником М8х1,25-25 8.8
В узле: 7
7
650.1303060
Трубка подводящая водяного насоса в сборе
В узле: 1
8
650.1303018
Кольцо уплотнительное
В узле: 1
9
310101
Болт с подголовником М8х1,25-20 8.8
В узле: 2
10
650.1303091
Кронштейн в сборе
В узле: 1
11
310210
Болт с подголовником М10х1,5-25 10.9
В узле: 2
12
650.1306100
Термостат 7 EP 2215 (LJF)
В узле: 1
Содержащиеся в справочниках-каталогах запасные части и детали не предлагаются к продаже, а носят исключительно информационный характер

Ваша заявка была отправлена. В ближайшее время наши специалисты с Вами свяжутся по указанному Вами телефону.

Представьтесь
Поле обязательно для заполнения
Ваш телефон
Введите правильный номер телефона
E-mail
Введите правильный e-mail
Тема
Тема
применяемость финансирование доставка цена, наличие другое сервис и гарантия
Время для звонка
08:00
08:00 09:00 10:00 11:00 12:00 13:00 14:00 15:00 16:00 17:00 18:00 19:00
19:00
08:00 09:00 10:00 11:00 12:00 13:00 14:00 15:00 16:00 17:00 18:00 19:00

Мы постараемся перезвонить в указанное время

Если вы не хотите ждать, то звоните нашим вежливым консультантам:

8 800 100-2-700
Подтвердите, что вы не робот
Подтвердите, что вы не робот
Спасибо!

Ваше сообщение успешно отправлено!

ЗакрытьПовторить попытку