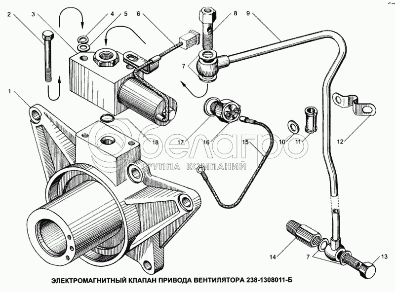
Каталог запасных частей к технике: ЯМЗ-6561.10 (Евро 3). Электромагнитный клапан привода вентилятора

zoom-in zoom-out enlarge shrink circle-right circle-left file-text2 info cart arraw right arraw left zoom out zoom in arraw maximize arraw minimize
1
2
3
4
5
6
7
7
8
9
13
14
15
16
17
18
1
238-1308100-Г
Корпус привода в сборе
В узле: 1
2
200270-П2
Болт М8х55
В узле: 2
3
КЭМ 32-23М
Клапан электромагнитный КЭМ 32-23М
В узле: 1
4
252135-П2
Шайба пружинная
В узле: 2
5
252005-П29
Шайба плоская
В узле: 2
6
115455-П29
Кляммер
В узле: 1
7
112326-П34
Шайба уплотнительная
В узле: 4
8
110095-П29
Болт
В узле: 1
9
658.1308754-10
Трубка в сборе
В узле: 1
13
110096-П29
Болт
В узле: 1
14
379737-П29
Угольник конечный
В узле: 1
15
Провод КЭМ12.160-01
Провод КЭМ 32.160-01
В узле: 1
16
4573733019
Термореле включения вентилятора 661.3710-01
В узле: 1
17
312766-П
Прокладка
В узле: 1
18
КЭМ 32.011
Прокладка КЭМ 32.011
В узле: 1
Содержащиеся в справочниках-каталогах запасные части и детали не предлагаются к продаже, а носят исключительно информационный характер

Ваша заявка была отправлена. В ближайшее время наши специалисты с Вами свяжутся по указанному Вами телефону.

Представьтесь
Поле обязательно для заполнения
Ваш телефон
Введите правильный номер телефона
E-mail
Введите правильный e-mail
Тема
Тема
применяемость финансирование доставка цена, наличие другое сервис и гарантия
Время для звонка
08:00
08:00 09:00 10:00 11:00 12:00 13:00 14:00 15:00 16:00 17:00 18:00 19:00
19:00
08:00 09:00 10:00 11:00 12:00 13:00 14:00 15:00 16:00 17:00 18:00 19:00

Мы постараемся перезвонить в указанное время

Если вы не хотите ждать, то звоните нашим вежливым консультантам:

8 800 100-2-700
Подтвердите, что вы не робот
Подтвердите, что вы не робот
Спасибо!

Ваше сообщение успешно отправлено!

ЗакрытьПовторить попытку