Каталог запасных частей к технике: ЯМЗ-65652 (65654) (Евро 4). 656.1002011-71 Блок цилиндров

zoom-in zoom-out enlarge shrink circle-right circle-left file-text2 info cart arraw right arraw left zoom out zoom in arraw maximize arraw minimize
1
1
2
2
3
4
5
5
6
7
8
9
10
11
12
1
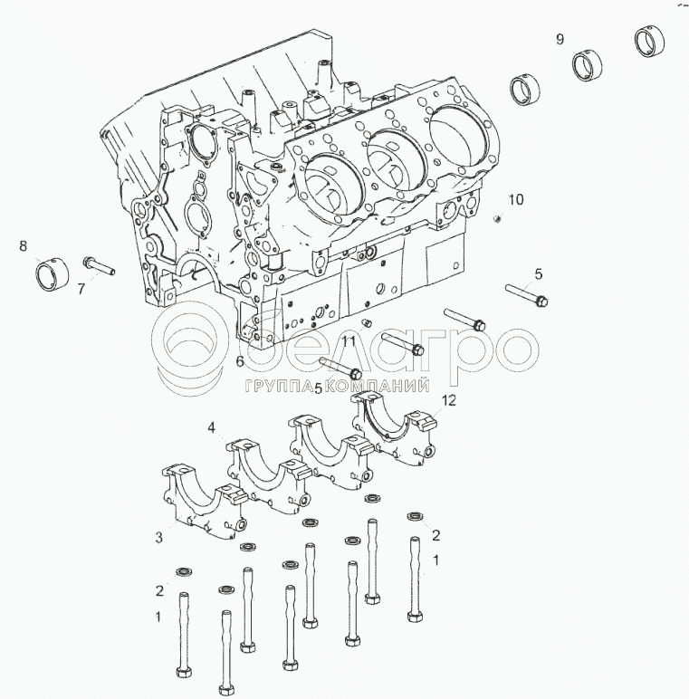
236-1005159
Болт крышки коренного подшипника
В узле: 8
2
312304-П
Шайба
В узле: 8
3
236-1005140-В
Крышка переднего подшипника коленчатого вала
В узле: 1
4
236-1005143
Крышка промежуточного подшипника коленчатого вала
В узле: 2
5
236-1005178-А
Болт стяжной длинный
В узле: 4
6
656.1002015-61
Блок цилиндров
В узле: 1
7
236-1005180-А
Болт стяжной короткий
В узле: 4
8
7511.1006026
Втулка распределительного вала передняя
В узле: 1
9
236-1006037-А
Втулка
В узле: 3
10
316198-П29
Пробка
В узле: 1
11
316121-П29
Пробка К 1/4"
В узле: 1
12
236-1005152-Г
Крышка заднего подшипника коленчатого вала
В узле: 1
Содержащиеся в справочниках-каталогах запасные части и детали не предлагаются к продаже, а носят исключительно информационный характер

Ваша заявка была отправлена. В ближайшее время наши специалисты с Вами свяжутся по указанному Вами телефону.

Представьтесь
Поле обязательно для заполнения
Ваш телефон
Введите правильный номер телефона
E-mail
Введите правильный e-mail
Тема
Тема
применяемость финансирование доставка цена, наличие другое сервис и гарантия
Время для звонка
08:00
08:00 09:00 10:00 11:00 12:00 13:00 14:00 15:00 16:00 17:00 18:00 19:00
19:00
08:00 09:00 10:00 11:00 12:00 13:00 14:00 15:00 16:00 17:00 18:00 19:00

Мы постараемся перезвонить в указанное время

Если вы не хотите ждать, то звоните нашим вежливым консультантам:

8 800 100-2-700
Подтвердите, что вы не робот
Подтвердите, что вы не робот
Спасибо!

Ваше сообщение успешно отправлено!

ЗакрытьПовторить попытку