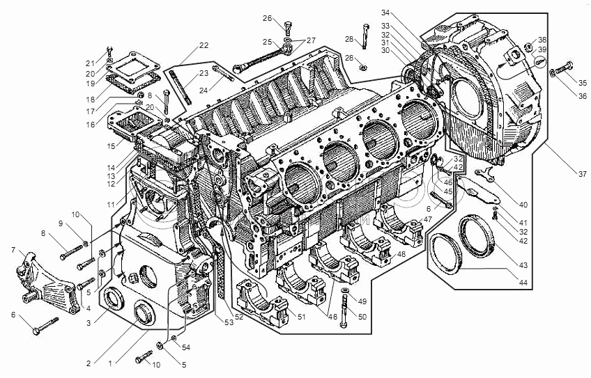
Каталог запасных частей к технике: ЯМЗ-6581.10, 6582.10 (Евро 3). Блок цилиндров

zoom-in zoom-out enlarge shrink circle-right circle-left file-text2 info cart arraw right arraw left zoom out zoom in arraw maximize arraw minimize
1
2
3
4
5
5
6
6
7
8
8
9
10
10
11
12
13
14
15
16
17
18
19
20
20
21
22
23
24
25
26
27
28
29
30
31
32
32
32
33
34
35
36
37
38
39
40
41
42
42
43
43
43
44
45
46
47
48
48
49
50
51
52
53
54
1
238Б-1002261-Б3
Крышка шестерен распределения в сборе
В узле: 1
2
236-1002272
Маслоотражатель крышки шестерен
В узле: 1
3
201-1005034-Б6
Манжета в сборе
В узле: 1
4
200827-П29
Болт
В узле: 2
5
252016-П29
Шайба
В узле: 6
6
236-1005178-А
Болт стяжной длинный
В узле: 9
7
7511.1001020-20
Кронштейн передней опоры
В узле: 1
8
200325-П29
Болт
В узле: 4
9
252006-П29
Шайба плоская
В узле: 10
10
200822-П29
Болт
В узле: 4
11
216344-П29
Шпилька
В узле: 2
12
216262-П29
Шпилька
В узле: 1
13
238АК-1002266
Прокладка правая
В узле: 1
14
236-1002258-АЗ
Прокладка
В узле: 1
15
236-1002255-В4
Крышка блока верхняя в сборе
В узле: 1
16
312534-П2
Шайба замковая
В узле: 1
17
250513-П29
Гайка
В узле: 3
18
236-1002284-Б4
Прокладка
В узле: 1
19
236-1002282-Б
Заглушка
В узле: 1
20
312300-П2
Шайба
В узле: 4
21
201499-П29
Болт 10-6gх30
В узле: 4
22
658.1002012-31
Блок цилиндров в сборе
В узле: 1
23
7511.1003016-20
Шпилька крепления головки цилиндров L=205 мм
В узле: 42
24
236-1005180-А
Болт стяжной короткий
В узле: 5
25
7511.1111620
Трубка отвода масла от ТНВД
В узле: 1
26
310264-П2
Болт
В узле: 2
27
201-1015624
Прокладка
В узле: 4
28
200461-П29
Болт крепления ТНВД
В узле: 4
29
312515-П29
Шайба
В узле: 4
30
236НМ-1014272
Прокладка
В узле: 1
31
238Н-1002402-Б
Заглушка
В узле: 1
32
252005-П29
Шайба плоская
В узле: 13
33
201495-П29
Болт М10х20
В узле: 1
34
236-1002314-В
Прокладка
В узле: 1
35
310044-П29
Болт
В узле: 10
36
312394-П2
Шайба
В узле: 10
37
658.1002311-20
Картер маховика в сборе
В узле: 1
38
316162-П2
Пробка
В узле: 1
39
240-1002333
Указатель установки угла опережения впрыскивания топлива
В узле: 1
40
236-1002333
Указатель верхней мертвой точки поршня
В узле: 1
41
236-1002318
Крышка люка картера
В узле: 1
42
201454-П29
Болт М8х16
В узле: 13
43
236-1005160-А6
Манжета в сборе
В узле: 1
43
8.8877
Манжета КТТ 140x170 (Венгрия)
В узле: 1
43
236-1005160-А7
Манжета в сборе
В узле: 1
44
236-1002315
Маслоотражатель
В узле: 1
45
201-1306075-А
Прокладка
В узле: 5
46
236-1002404
Заглушка
В узле: 5
47
236-1005152-Г
Крышка заднего подшипника коленчатого вала
В узле: 1
48
238-1005156
Крышка промежуточного подшипника коленчатого вала
В узле: 3
49
312304-П
Шайба
В узле: 10
50
236-1005159
Болт крышки коренного подшипника
В узле: 10
51
236-1005140-В
Крышка переднего подшипника коленчатого вала
В узле: 1
52
238АК-1002265
Прокладка крышки шестерен распределения левая
В узле: 1
53
45 9827 0016
Заглушка 38
В узле: 1
54
252138-П2
Шайба пружинная
В узле: 1
Содержащиеся в справочниках-каталогах запасные части и детали не предлагаются к продаже, а носят исключительно информационный характер

Ваша заявка была отправлена. В ближайшее время наши специалисты с Вами свяжутся по указанному Вами телефону.

Представьтесь
Поле обязательно для заполнения
Ваш телефон
Введите правильный номер телефона
E-mail
Введите правильный e-mail
Тема
Тема
применяемость финансирование доставка цена, наличие другое сервис и гарантия
Время для звонка
08:00
08:00 09:00 10:00 11:00 12:00 13:00 14:00 15:00 16:00 17:00 18:00 19:00
19:00
08:00 09:00 10:00 11:00 12:00 13:00 14:00 15:00 16:00 17:00 18:00 19:00

Мы постараемся перезвонить в указанное время

Если вы не хотите ждать, то звоните нашим вежливым консультантам:

8 800 100-2-700
Подтвердите, что вы не робот
Подтвердите, что вы не робот
Спасибо!

Ваше сообщение успешно отправлено!

ЗакрытьПовторить попытку