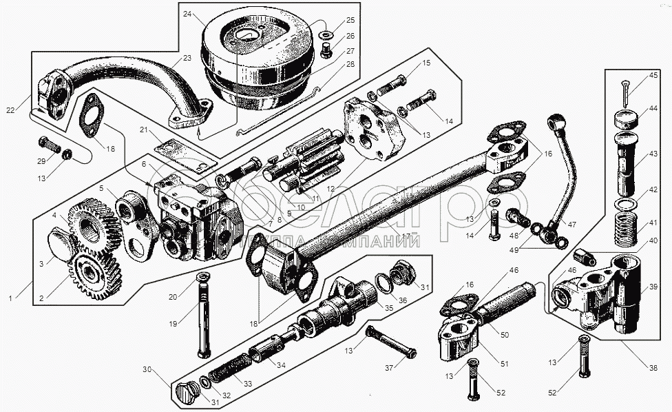
Каталог запасных частей к технике: ЯМЗ-6581.10, 6582.10 (Евро 3). Насос масляный

zoom-in zoom-out enlarge shrink circle-right circle-left file-text2 info cart arraw right arraw left zoom out zoom in arraw maximize arraw minimize
1
2
3
4
5
6
7
8
9
10
11
12
13
13
13
13
13
13
14
14
15
16
16
17
18
18
19
20
21
22
23
24
25
26
27
28
29
30
31
31
32
33
34
35
36
37
38
39
40
41
42
43
44
45
46
46
47
48
49
50
51
52
52
238Ф-1011399-А3
Труба всасывающая с чашкой в сборе
В узле: 1
1
7511.1011014-01
Насос масляный в сборе
В узле: 1
2
238Б-1011230
Шестерня ведомая привода
В узле: 1
3
236-1011217-В2
Фланец упорный
В узле: 1
4
236-1011202-А
Шестерня промежуточная привода
В узле: 1
5
236-1011208-B
Ось шестерни промежуточной
В узле: 1
6
7511.1011015-10
Корпус насоса в сборе
В узле: 1
7
252137-П2
Шайба пружинная
В узле: 2
8
310156-П2
Болт
В узле: 2
9
45 9824 6257
Шпонка
В узле: 1
10
7511.1011040
Шестерня подачи масла ведущая
В узле: 1
11
7511.1011030
Шестерня подачи масла ведомая
В узле: 1
12
238Б-1011019-Б
Крышка масляного насоса со втулками в сборе
В узле: 1
13
252135-П2
Шайба пружинная
В узле: 8
14
201464-П29
Болт М8х40
В узле: 4
15
201466-П29
Болт М8х45
В узле: 2
16
236-1011358-А
Прокладка фланца
В узле: 4
17
238Б-1011350-Б
Труба отводящая насоса в сборе
В узле: 1
18
236-1011296
Прокладка переднего фланца
В узле: 3
19
310254-П2
Болт
В узле: 2
20
252136-П2
Шайба 10 пружинная
В узле: 2
21
236-1011380
Прокладка регулировочная
В узле: 2
22
238Ф-1011398-А3
Труба
В узле: 1
23
238Ф-1011400-В2
Труба всасывающая с фланцами
В узле: 1
24
238Ф-1011300
Чашка заборника в сборе
В узле: 1
25
252005-П29
Шайба плоская
В узле: 2
26
201474-П29
Болт
В узле: 2
27
204А-1011310-В
Сетка заборника в сборе
В узле: 1
28
204А-1011318-Б
Крючок крепления сетки
В узле: 1
29
201458-П29
Болт М8х25
В узле: 2
30
238Б-1011048
Клапан редукционный в сборе
В узле: 1
31
236-1012067
Пробка перепускного клапана
В узле: 2
32
312347-П29
Шайба
В узле: 3
33
238Б-1011058
Пружина
В узле: 1
34
238Б-1011054
Клапан
В узле: 1
35
238Б-1011050
Корпус клапана
В узле: 1
36
238Б-1011066
Прокладка
В узле: 1
37
200274-П29
Болт М8х75
В узле: 2
38
238Б-1011056
Клапан дифференциальный в сборе
В узле: 1
39
238Б-1011060
Корпус клапана
В узле: 1
40
314681-П29
Штуцер
В узле: 1
41
240-1011057
Пружина клапана дифференциального
В узле: 1
42
312668-П
Шайба
В узле: 4
43
240-1011055
Клапан
В узле: 1
44
236-1011073
Колпачок
В узле: 1
45
258071-П29
Шплинт
В узле: 1
46
240-1005586
Кольцо уплотнительное
В узле: 2
47
238Б-1011098
Труба соединительная в сборе
В узле: 1
48
310096-П29
Болт
В узле: 2
49
312326-П34
Шайба уплотнительная
В узле: 1
50
238Б-1011065
Труба отводящая
В узле: 1
51
238Б-1011067
Фланец с кольцом
В узле: 1
52
200270-П29
Болт
В узле: 4
Содержащиеся в справочниках-каталогах запасные части и детали не предлагаются к продаже, а носят исключительно информационный характер

Ваша заявка была отправлена. В ближайшее время наши специалисты с Вами свяжутся по указанному Вами телефону.

Представьтесь
Поле обязательно для заполнения
Ваш телефон
Введите правильный номер телефона
E-mail
Введите правильный e-mail
Тема
Тема
применяемость финансирование доставка цена, наличие другое сервис и гарантия
Время для звонка
08:00
08:00 09:00 10:00 11:00 12:00 13:00 14:00 15:00 16:00 17:00 18:00 19:00
19:00
08:00 09:00 10:00 11:00 12:00 13:00 14:00 15:00 16:00 17:00 18:00 19:00

Мы постараемся перезвонить в указанное время

Если вы не хотите ждать, то звоните нашим вежливым консультантам:

8 800 100-2-700
Подтвердите, что вы не робот
Подтвердите, что вы не робот
Спасибо!

Ваше сообщение успешно отправлено!

ЗакрытьПовторить попытку