Каталог запасных частей к технике: ЯМЗ-6582.10 (Евро 3). Электронный регулятор (ЭИМ)

zoom-in zoom-out enlarge shrink circle-right circle-left file-text2 info cart arraw right arraw left zoom out zoom in arraw maximize arraw minimize
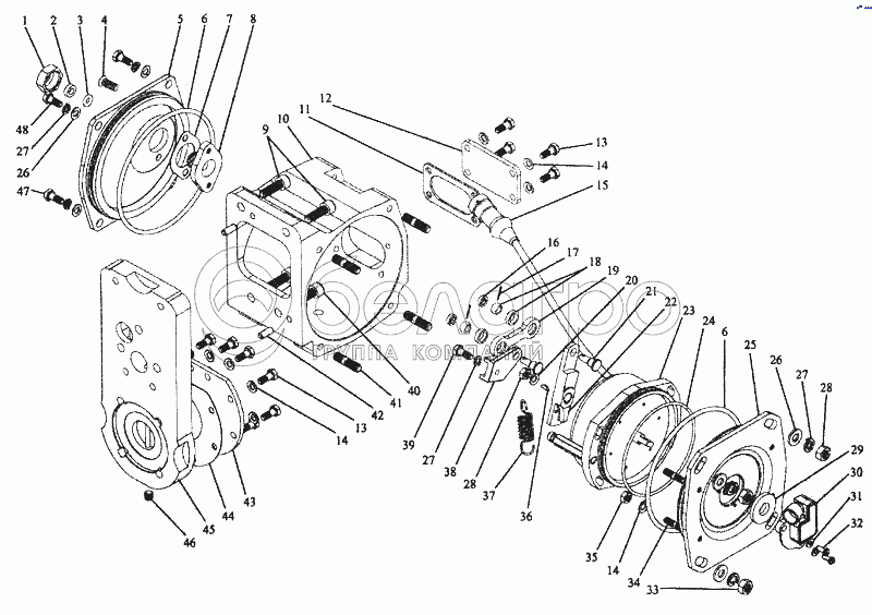
1
2
3
4
5
6
6
7
8
9
10
11
12
13
13
14
14
14
15
16
17
18
19
20
21
22
23
24
25
26
26
27
27
27
28
28
29
30
31
32
33
34
35
36
37
38
39
40
41
42
43
44
45
46
47
48
1
ЭМП01.02.02
Гайка сальника ЭМП 01.02.02
В узле: 1
2
ЭМП01.02.03
Втулка сальника ЭМП 01.02.03
В узле: 1
3
ЭМП01.02.04
Прокладка ЭМП 01.02.04
В узле: 1
4
870354
Винт М6х16
В узле: 2
5
136.1110353-10
Крышка защитная
В узле: 1
6
2531112221
Кольцо 120-126-36-2-1
В узле: 2
7
136.1110352
Прокладка корпуса сальника
В узле: 1
8
136.1110340
Корпус сальника
В узле: 1
9
01-7002-2841
Винт М8х25
В узле: 2
10
136.1110334-10
Кронштейн
В узле: 1
11
136.1110351
Прокладка крышки
В узле: 1
12
136.1110350
Крышка
В узле: 1
13
1/09021/21
Болт М6х14
В узле: 12
14
1/11977/П1
Шайба коническая пружинная 6x12
В узле: 16
15
4573732209
Вилка СЦ5.501.202
В узле: 1
16
136.110345
Шайба 6x10.5
В узле: 2
17
1/07342/01
Шплинт 2х15
В узле: 2
18
Ш6
Подшипник шарнирный Ш6
В узле: 2
19
136.1110342-10
Тяга рейки
В узле: 1
20
1/05164/77
Шайба
В узле: 1
21
318-85357
Палец
В узле: 2
22
136.1110337
Кривошип
В узле: 1
23
ЭМП01-30
Электромагнит ЭМП 01-30
В узле: 1
24
320.37004
Кольцо уплотнительное
В узле: 1
25
136.1110339-10
Крышка установочная
В узле: 1
26
312700-П29
Шайба
В узле: 8
27
1/05166/77
Шайба 08
В узле: 9
28
1/61008/21
Гайка М8
В узле: 3
29
Кольцо уплотнительное
Кольцо уплотнительное диаметр 14xдиаметр28x8
В узле: 1
30
4573827147
Датчик положения 36.3855.000-20
В узле: 1
31
1/05192/01
Шайба 4x9
В узле: 2
32
320.22027
Винт М14x16
В узле: 2
33
318-85311
Гайка М8
В узле: 2
34
1/35410/21
Шпилька М6х18
В узле: 4
35
1/58962/11
Гайка М6
В узле: 4
36
320.35004
Шпонка 2x3.7
В узле: 1
37
337.1110114
Пружина
В узле: 1
38
136.110344
Поводок рейки
В узле: 1
39
318-85211
Болт
В узле: 1
40
01-7002-2840
Винт М8х20
В узле: 2
41
1/35431/21
Шпилька М8х1.25х16
В узле: 4
42
870770
Штифт 6x16
В узле: 2
43
136.110346
Крышка
В узле: 1
44
136.110347
Прокладка крышки
В узле: 1
45
136.110331
Плита установочная
В узле: 1
46
136.110332
Заглушка
В узле: 1
47
201458-П29
Болт М8х25
В узле: 2
48
852010-П29
Болт
В узле: 2
Содержащиеся в справочниках-каталогах запасные части и детали не предлагаются к продаже, а носят исключительно информационный характер

Ваша заявка была отправлена. В ближайшее время наши специалисты с Вами свяжутся по указанному Вами телефону.

Представьтесь
Поле обязательно для заполнения
Ваш телефон
Введите правильный номер телефона
E-mail
Введите правильный e-mail
Тема
Тема
применяемость финансирование доставка цена, наличие другое сервис и гарантия
Время для звонка
08:00
08:00 09:00 10:00 11:00 12:00 13:00 14:00 15:00 16:00 17:00 18:00 19:00
19:00
08:00 09:00 10:00 11:00 12:00 13:00 14:00 15:00 16:00 17:00 18:00 19:00

Мы постараемся перезвонить в указанное время

Если вы не хотите ждать, то звоните нашим вежливым консультантам:

8 800 100-2-700
Подтвердите, что вы не робот
Подтвердите, что вы не робот
Спасибо!

Ваше сообщение успешно отправлено!

ЗакрытьПовторить попытку