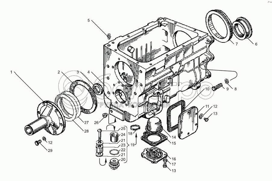
Каталог запасных частей к технике: ЯМЗ-6582.10 (Евро 3). Картер коробки передач

zoom-in zoom-out enlarge shrink circle-right circle-left file-text2 info cart arraw right arraw left zoom out zoom in arraw maximize arraw minimize
238M-1701009-40
1
2
3
4
5
6
7
8
9
10
11
12
12
13
13
14
15
16
17
18
19
19
20
21
21
22
23
24
25
26
27
28
29
316198-П29
Пробка
В узле: 1
238M-1701009-40
Картер коробки передач в сборе
В узле: 1
1
2381.1701040
Крышка подшипника с пробкой в сборе
В узле: 1
2
236-1701042-A
Прокладка
В узле: 1
3
236-1701230
Манжета с пружиной в сборе
В узле: 1
4
238M-1701015-40
Картер коробки передач
В узле: 1
5
236-1702182
Штифт верхний установочный
В узле: 2
6
238M-1701207-41
Кольцо центрирующее заднего подшипника вторичного вала
В узле: 1
7
201-1701230
Манжета в сборе
В узле: 1
8
252139-П2
Шайба пружинная
В узле: 8
9
310235-П29
Болт
В узле: 8
10
200-1701021-A
Прокладка
В узле: 2
11
236-1701020
Крышка люка отбора мощности
В узле: 2
12
200-1701041
Шайба
В узле: 18
13
201497-П29
Болт М10х25
В узле: 16
14
336.1704049
Сетка заборника
В узле: 1
15
236-1704056-A
Прокладка
В узле: 1
16
236-1704054-Б
Крышка заборника
В узле: 1
17
252136-П2
Шайба 10 пружинная
В узле: 4
18
312336-П34
Шайба
В узле: 1
19
238-1721255
Пробка сливного отверстия с магнитом в сборе
В узле: 1
19
238-1721255-01
Пробка сливного отверстия с магнитом в сборе
В узле: 1
20
238-1721258
Пробка
В узле: 1
21
312480-П2
Шайба
В узле: 2
22
236-1704130
Кольцо пружинное
В узле: 6
23
34 9841 3023
Магнит ФЭ 7.770.055
В узле: 1
24
236-1704128
Кожух магнита
В узле: 1
25
220116-П2
Винт
В узле: 1
26
316135-П2
Пробка
В узле: 2
27
201.1721414
Прокладка регулировочная
В узле: 3
28
201.1721416
Прокладка регулировочная
В узле: 2
29
201499-П29
Болт 10-6gх30
В узле: 6
Содержащиеся в справочниках-каталогах запасные части и детали не предлагаются к продаже, а носят исключительно информационный характер

Ваша заявка была отправлена. В ближайшее время наши специалисты с Вами свяжутся по указанному Вами телефону.

Представьтесь
Поле обязательно для заполнения
Ваш телефон
Введите правильный номер телефона
E-mail
Введите правильный e-mail
Тема
Тема
применяемость финансирование доставка цена, наличие другое сервис и гарантия
Время для звонка
08:00
08:00 09:00 10:00 11:00 12:00 13:00 14:00 15:00 16:00 17:00 18:00 19:00
19:00
08:00 09:00 10:00 11:00 12:00 13:00 14:00 15:00 16:00 17:00 18:00 19:00

Мы постараемся перезвонить в указанное время

Если вы не хотите ждать, то звоните нашим вежливым консультантам:

8 800 100-2-700
Подтвердите, что вы не робот
Подтвердите, что вы не робот
Спасибо!

Ваше сообщение успешно отправлено!

ЗакрытьПовторить попытку