Каталог запасных частей к технике: ЯМЗ-6582.10 (Евро 3). Механизм переключения коробки передач

zoom-in zoom-out enlarge shrink circle-right circle-left file-text2 info cart arraw right arraw left zoom out zoom in arraw maximize arraw minimize
1
2
3
4
5
5
6
7
8
9
10
11
11
12
13
14
15
16
17
18
19
20
21
22
23
24
25
26
27
28
29
30
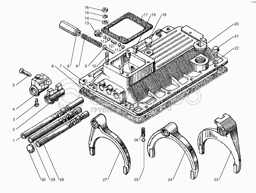
238Б-1702114
Наконечник рычага переключения с опорой в сборе
В узле: 1
258250-П29С
Шплинт-проволока
В узле: 2
238-1702012
Крышка верхняя в сборе
В узле: 1
1
238-1702060
Шток вилки переключения заднего хода
В узле: 1
2
236-1702028
Головка штока вилки переключения 2-ой и 3-ей передач
В узле: 1
3
236-1702025
Винт установочный
В узле: 5
4
238-1702053
Головка заднего хода штока вилки
В узле: 1
5
236-1702129
Предохранитель включения 1-ой передачи и заднего хода
В узле: 2
6
238-1702014
Прокладка
В узле: 1
7
238-1702015-Б
Крышка верхняя
В узле: 1
8
236-1702132
Стакан пружины
В узле: 1
9
236-1702127-A
Пружина предохранителя
В узле: 1
10
216258-П29
Шпилька
В узле: 4
11
46 9118 6660
Шарик Б 9,525-100
В узле: 4
12
236-1702087
Штифт замка штоков вилок
В узле: 1
13
316172-П29
Пробка
В узле: 1
14
252006-П29
Шайба плоская
В узле: 4
15
252136-П2
Шайба 10 пружинная
В узле: 4
16
250513-П29
Гайка
В узле: 4
17
236-1702122
Прокладка опоры рычага
В узле: 1
18
236-1702170-A
Сапун в сборе
В узле: 1
19
313407-П29
Штифт
В узле: 2
20
262522-П2
Пробка
В узле: 1
21
310013-П29
Болт М10х35
В узле: 12
22
252136-П2
Шайба 10 пружинная
В узле: 12
23
236-1702027
Вилка переключения 2-ой и 3-ей передач
В узле: 1
24
236-1702033
Вилка переключения 4-ой и 5-ой передач
В узле: 1
25
46 9118 7960
Шарик Б12,7-100
В узле: 3
26
236-1702106
Пружина
В узле: 3
27
238-1702050
Вилка переключения заднего хода
В узле: 1
28
238-1702074
Шток вилки переключения 3-ей и 4-ой передач
В узле: 1
29
238-1702064
Шток вилки переключения 1-ой и 2-ой передач
В узле: 1
30
260310-П29
Заглушка 26
В узле: 3
Содержащиеся в справочниках-каталогах запасные части и детали не предлагаются к продаже, а носят исключительно информационный характер

Ваша заявка была отправлена. В ближайшее время наши специалисты с Вами свяжутся по указанному Вами телефону.

Представьтесь
Поле обязательно для заполнения
Ваш телефон
Введите правильный номер телефона
E-mail
Введите правильный e-mail
Тема
Тема
применяемость финансирование доставка цена, наличие другое сервис и гарантия
Время для звонка
08:00
08:00 09:00 10:00 11:00 12:00 13:00 14:00 15:00 16:00 17:00 18:00 19:00
19:00
08:00 09:00 10:00 11:00 12:00 13:00 14:00 15:00 16:00 17:00 18:00 19:00

Мы постараемся перезвонить в указанное время

Если вы не хотите ждать, то звоните нашим вежливым консультантам:

8 800 100-2-700
Подтвердите, что вы не робот
Подтвердите, что вы не робот
Спасибо!

Ваше сообщение успешно отправлено!

ЗакрытьПовторить попытку