Каталог запасных частей к технике: ЯМЗ-6583.10 (Евро 3). Картер коробки передач

zoom-in zoom-out enlarge shrink circle-right circle-left file-text2 info cart arraw right arraw left zoom out zoom in arraw maximize arraw minimize
3
4
5
6
7
8
9
10
11
12
13
14
15
15
16
17
17
18
19
20
21
22
23
24
25
26
27
28
29
30
31
32
33
34
35
36
37
38
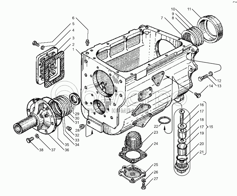
2391.1700025-20
Коробка передач с транспортными деталями в сборе
В узле: ---
336.1701040-10
Крышка подшипника первичного вала в сборе
В узле: ---
239.1700045-22
Коробка передач с демультипликатором и деталями выключения сцепления в сборе
В узле: ---
2391.1700045-20
Коробка передач с демультипликатором и деталями выключения сцепления в сборе
В узле: ---
3
236-1701020
Крышка люка отбора мощности
В узле: ---
4
252006-П2
Шайба
В узле: ---
5
45 9348 1559
Болт
В узле: ---
6
236-1702182
Штифт верхний установочный
В узле: ---
7
336.1701193
Прокладка регулировочная толщ. 2-2,5 мм
В узле: ---
8
336.1701193-01
Прокладка регулировочная толщ. 2,5-3 мм
В узле: ---
9
336.1701193-02
Прокладка регулировочная толщ. 3-3,5 мм
В узле: ---
10
336.1701193-03
Прокладка регулировочная толщ. 3,5-4 мм
В узле: ---
11
239.1701458-10
Гнездо подшипника
В узле: ---
12
252139-П2
Шайба пружинная
В узле: ---
13
310012-П2
Болт
В узле: ---
14
316120-П29
Пробка
В узле: ---
15
238-1721255
Пробка сливного отверстия с магнитом в сборе
В узле: ---
15
238-1721255-01
Пробка сливного отверстия с магнитом в сборе
В узле: ---
16
220116-П2
Винт
В узле: ---
17
312480-П2
Шайба
В узле: ---
18
34 9841 3023
Магнит ФЭ 7.770.055
В узле: ---
19
236-1704128
Кожух магнита
В узле: ---
20
236-1704130
Кольцо пружинное
В узле: ---
21
238-1721258
Пробка
В узле: ---
22
312669-П
Прокладка пробки сливного отверстия
В узле: ---
23
336.1704049
Сетка заборника
В узле: ---
24
236-1704056-A
Прокладка
В узле: ---
25
236-1704054-Б
Крышка заборника
В узле: ---
26
252136-П2
Шайба 10 пружинная
В узле: ---
27
4593461559
Болт
В узле: ---
28
316135-П2
Пробка
В узле: ---
29
201-1701230
Манжета в сборе
В узле: ---
30
239.1701035
Прокладка регулировочная толщ. 2-2,45 мм
В узле: ---
31
239.1701035-01
Прокладка регулировочная толщ. 2,25-2,9 мм
В узле: ---
32
316198-П29
Пробка
В узле: ---
33
239.1701035-02
Прокладка регулировочная толщ. 2,9-3,35 мм
В узле: ---
34
239.1701035-03
Прокладка регулировочная толщ. 3,35-3,85 мм
В узле: ---
35
336.1701534
Кольцо уплотнительное
В узле: ---
36
336.1701041-10
Крышка подшипника
В узле: ---
37
200-1701041
Шайба
В узле: ---
38
4593486561
Болт
В узле: ---
Содержащиеся в справочниках-каталогах запасные части и детали не предлагаются к продаже, а носят исключительно информационный характер

Ваша заявка была отправлена. В ближайшее время наши специалисты с Вами свяжутся по указанному Вами телефону.

Представьтесь
Поле обязательно для заполнения
Ваш телефон
Введите правильный номер телефона
E-mail
Введите правильный e-mail
Тема
Тема
применяемость финансирование доставка цена, наличие другое сервис и гарантия
Время для звонка
08:00
08:00 09:00 10:00 11:00 12:00 13:00 14:00 15:00 16:00 17:00 18:00 19:00
19:00
08:00 09:00 10:00 11:00 12:00 13:00 14:00 15:00 16:00 17:00 18:00 19:00

Мы постараемся перезвонить в указанное время

Если вы не хотите ждать, то звоните нашим вежливым консультантам:

8 800 100-2-700
Подтвердите, что вы не робот
Подтвердите, что вы не робот
Спасибо!

Ваше сообщение успешно отправлено!

ЗакрытьПовторить попытку