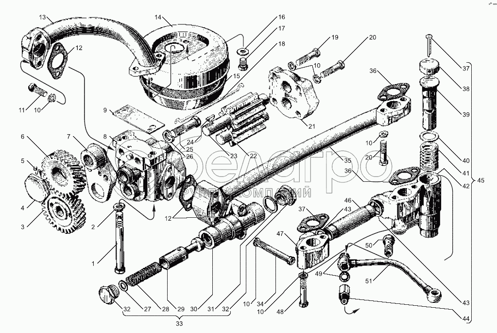
Каталог запасных частей к технике: ЯМЗ-6583.10 (Евро 3). Насос масляный

zoom-in zoom-out enlarge shrink circle-right circle-left file-text2 info cart arraw right arraw left zoom out zoom in arraw maximize arraw minimize
7511.1011014-01
1
2
3
4
4
6
7
8
9
10
10
10
10
10
11
12
12
13
14
15
16
17
18
19
20
20
21
22
23
24
25
26
27
28
29
30
31
32
32
33
34
35
36
36
37
37
38
39
40
41
42
43
43
44
45
46
47
48
49
50
51
7511.1011014-01
Насос масляный в сборе
В узле: ---
7511.1011015-10
Корпус насоса в сборе
В узле: ---
1
310254-П2
Болт
В узле: ---
2
252136-П2
Шайба 10 пружинная
В узле: ---
3
238Б-1011230
Шестерня ведомая привода
В узле: ---
4
236-1011217-В2
Фланец упорный
В узле: ---
4
236-1011217-В2
Фланец упорный
В узле: ---
6
236-1011202-А
Шестерня промежуточная привода
В узле: ---
7
236-1011208wB
Ось промежуточной шестерни
В узле: ---
8
7511.1011018-10
Корпус насоса со втулками в сборе
В узле: ---
9
236-1011380
Прокладка регулировочная
В узле: ---
10
252135-П2
Шайба пружинная
В узле: ---
11
201458-П29
Болт М8х25
В узле: ---
12
236-1011296
Прокладка переднего фланца
В узле: ---
13
238Ф-1011400-В2
Труба всасывающая с фланцами
В узле: ---
14
238Ф-1011300-А
Чашка заборника в сборе
В узле: ---
15
204А-1011310-В
Сетка заборника в сборе
В узле: ---
16
252005-П2
Шайба 8
В узле: ---
17
201473-П29
Болт
В узле: ---
18
204А-1011318-Б
Крючок крепления сетки
В узле: ---
19
201466-П2
Болт М8х45
В узле: ---
20
201464-П2
Болт М8х40
В узле: ---
21
238Б-1011019-Б
Крышка масляного насоса со втулками в сборе
В узле: ---
22
7511.1011030
Шестерня подачи масла ведомая
В узле: ---
23
7511.1011040
Шестерня подачи масла ведущая
В узле: ---
24
45 9824 6257
Шпонка
В узле: ---
25
310156-П2
Болт
В узле: ---
26
252137-П2
Шайба пружинная
В узле: ---
27
312347-П29
Шайба
В узле: ---
28
238Б-1011058
Пружина
В узле: ---
29
238Б-1011054
Клапан
В узле: ---
30
2385-1011050
Корпус клапана
В узле: ---
31
238Б-1011066
Прокладка
В узле: ---
32
236-1012067
Пробка перепускного клапана
В узле: ---
33
2385-1011048
Клапан редукционный в сборе
В узле: ---
34
200274-П29
Болт М8х75
В узле: ---
35
238Б-1011350-Б
Труба отводящая насоса в сборе
В узле: ---
36
236-1011358-A
Прокладка
В узле: ---
37
258071-П29
Шплинт
В узле: ---
38
236-1011073
Колпачок
В узле: ---
39
240-1011055
Клапан
В узле: ---
40
312668-П
Шайба
В узле: ---
41
240-1011057
Пружина клапана дифференциального
В узле: ---
42
238Б-1011060
Корпус клапана
В узле: ---
43
240-1005586
Кольцо уплотнительное
В узле: ---
44
314681-П29
Штуцер
В узле: ---
45
2385-1011056
Клапан дифференциальный в сборе
В узле: ---
46
238Б-1011065
Труба отводящая
В узле: ---
47
238Б-1011069
Фланец
В узле: ---
48
200270-П2
Болт М8х55
В узле: ---
49
312326-П34
Шайба уплотнительная
В узле: ---
50
310096-П2
Болт специальный М14х1,5х30
В узле: ---
51
238Б-1011098
Труба соединительная в сборе
В узле: ---
Содержащиеся в справочниках-каталогах запасные части и детали не предлагаются к продаже, а носят исключительно информационный характер

Ваша заявка была отправлена. В ближайшее время наши специалисты с Вами свяжутся по указанному Вами телефону.

Представьтесь
Поле обязательно для заполнения
Ваш телефон
Введите правильный номер телефона
E-mail
Введите правильный e-mail
Тема
Тема
применяемость финансирование доставка цена, наличие другое сервис и гарантия
Время для звонка
08:00
08:00 09:00 10:00 11:00 12:00 13:00 14:00 15:00 16:00 17:00 18:00 19:00
19:00
08:00 09:00 10:00 11:00 12:00 13:00 14:00 15:00 16:00 17:00 18:00 19:00

Мы постараемся перезвонить в указанное время

Если вы не хотите ждать, то звоните нашим вежливым консультантам:

8 800 100-2-700
Подтвердите, что вы не робот
Подтвердите, что вы не робот
Спасибо!

Ваше сообщение успешно отправлено!

ЗакрытьПовторить попытку