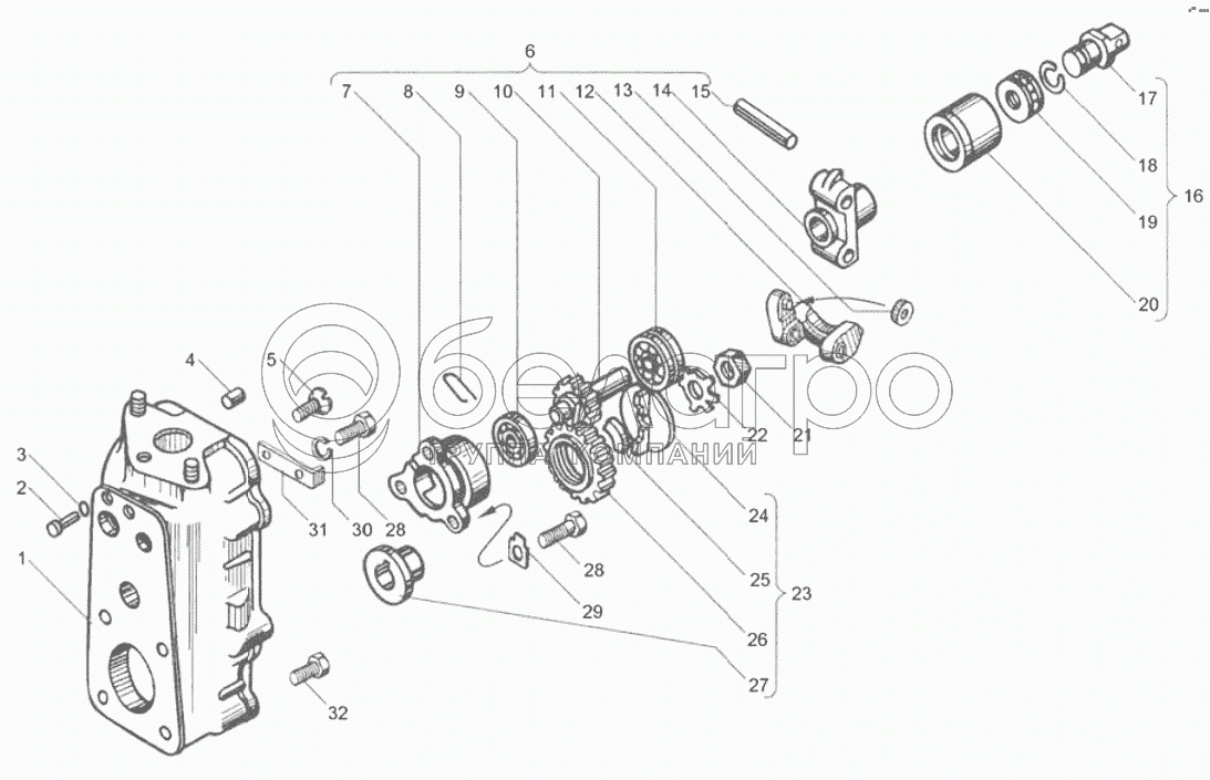
Каталог запасных частей к технике: ЯМЗ-7511.10. Корпус регулятора частоты вращения

zoom-in zoom-out enlarge shrink circle-right circle-left file-text2 info cart arraw right arraw left zoom out zoom in arraw maximize arraw minimize
1
2
3
4
5
6
7
8
9
10
11
12
13
14
15
16
17
18
19
20
21
22
23
24
25
26
27
28
28
29
30
31
32
236-1110534
Ось ролика
В узле: 2
1
84.1110022
Корпус регулятора
В узле: 1
2
260003-П15
Палец
В узле: 1
3
2531112013
Кольцо 005-008-19-2-1
В узле: 1
4
870770
Штифт 6x16
В узле: 3
5
4571429588
Винт
В узле: 3
6
175.1110300
Державка грузов в сборе
В узле: 1
7
236-1110558-В
Стакан подшипников валика державки
В узле: 1
8
236-1110042
Стопор пружинный
В узле: 1
9
4612120838
Подшипник 200
В узле: 1
10
236-1110051-В
Валик державки грузов
В узле: 1
11
4612121092
Подшипник 202
В узле: 1
12
175.1110320
Груз регулятора в сборе
В узле: 2
13
236-1110532
Ролик груза регулятора
В узле: 2
14
175.1110304
Державка грузов
В узле: 1
15
236-1110049
Ось груза регулятора
В узле: 2
16
60.1110060-02
Муфта грузов в сборе
В узле: 1
17
60.1110065
Пята упорная
В узле: 1
18
236-1110067
Кольцо пружинное
В узле: 1
19
4616110211
Подшипник 8102
В узле: 1
20
60.1110062-02
Муфта грузов
В узле: 1
21
1/07913/11
Гайка М14х1,5
В узле: 1
22
312556
Шайба
В узле: 1
23
236-1110512
Демпфер
В узле: 1
24
236-1110521
Фланец втулки шестерни
В узле: 1
25
236-1110517-Б2
Сухарь шестерни
В узле: 4
26
236-1110516-Б3
Шестерня
В узле: 1
27
236-1110518-Б
Втулка ведущей шестерни
В узле: 1
28
320.21022
Болт
В узле: 5
29
3125294115
Шайба
В узле: 3
30
1/05166/77
Шайба 08
В узле: 6
31
175.1110464
Упор рычага пружины
В узле: 1
32
1-7002-2840
Винт М6-6gх20.88.09
В узле: 2
Содержащиеся в справочниках-каталогах запасные части и детали не предлагаются к продаже, а носят исключительно информационный характер

Ваша заявка была отправлена. В ближайшее время наши специалисты с Вами свяжутся по указанному Вами телефону.

Представьтесь
Поле обязательно для заполнения
Ваш телефон
Введите правильный номер телефона
E-mail
Введите правильный e-mail
Тема
Тема
применяемость финансирование доставка цена, наличие другое сервис и гарантия
Время для звонка
08:00
08:00 09:00 10:00 11:00 12:00 13:00 14:00 15:00 16:00 17:00 18:00 19:00
19:00
08:00 09:00 10:00 11:00 12:00 13:00 14:00 15:00 16:00 17:00 18:00 19:00

Мы постараемся перезвонить в указанное время

Если вы не хотите ждать, то звоните нашим вежливым консультантам:

8 800 100-2-700
Подтвердите, что вы не робот
Подтвердите, что вы не робот
Спасибо!

Ваше сообщение успешно отправлено!

ЗакрытьПовторить попытку