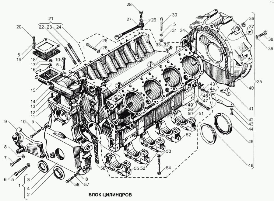
Каталог запасных частей к технике: ЯМЗ-7511. Блок цилиндров

zoom-in zoom-out enlarge shrink circle-right circle-left file-text2 info cart arraw right arraw left zoom out zoom in arraw maximize arraw minimize
1
2
3
4
5
5
5
5
5
6
7
8
8
9
10
10
11
12
13
14
15
16
17
18
19
20
21
22
23
24
25
26
26
27
28
29
30
31
32
33
34
35
36
37
38
39
40
41
42
43
43
44
44
45
46
47
48
49
50
51
52
52
53
54
55
56
57
58
7511.1002011-Д
Блок цилиндров в сборе
В узле: 1
238Н-1002015-Д
Блок цилиндров
В узле: 1
238Б-1002261
Крышка шестерен распределения (для запасных частей)
В узле: 1
7511.1002012-10
Блок цилиндров в сборе (для запасных частей)
В узле: 1
7511.1002311
Картер маховика в сборе (для запасных частей)
В узле: 1
1
238Б-1002260-Б
Крышка шестерен распределения в сборе
В узле: 1
2
236-1002272
Маслоотражатель крышки шестерен
В узле: 1
3
201-1005034-Б5
Манжета в сборе
В узле: 1
4
238Б-1002264-Б
Крышка шестерен распределения
В узле: 1
5
252136-П29
Шайба пружинная
В узле: 14
6
200328-П29
Болт
В узле: 2
7
200827-П29
Болт
В узле: 4
8
252016-П29
Шайба
В узле: 6
9
7511.1001020
Кронштейн передней опоры
В узле: 1
10
200325-П29
Болт
В узле: 8
11
216344-П29
Шпилька
В узле: 2
12
216262-П29
Шпилька
В узле: 1
13
236-1002266-А2
Прокладка крышки шестерен распределения правая
В узле: 1
14
236-1002258-А3
Прокладка верхней крышки блока
В узле: 1
15
236-1002255-Б4
Крышка блока верхняя в сборе
В узле: 1
16
312534-П2
Шайба замковая
В узле: 1
17
250513-П29
Гайка
В узле: 3
18
236-1002283-А
Прокладка с сеткой в сборе
В узле: 1
19
236-1002282-Б
Заглушка
В узле: 1
20
201499-П29
Болт 10-6gх30
В узле: 4
21
7511.1002012
Блок цилиндров в сборе (для запасных частей)
В узле: 1
22
7511.1003016
Шпилька крепления головки цилиндра М16х249
В узле: 32
23
7511.1003017
Шпилька крепления головки цилиндра М16х209
В узле: 16
24
7511.1002011-Е
Блок цилиндров в сборе
В узле: 1
25
236-1005180-А
Болт стяжной короткий
В узле: 5
26
236-1005181
Шайба
В узле: 10
27
238БМ-1111620
Трубка отвода масла от топливного насоса
В узле: 1
28
310096-П29
Болт
В узле: 2
29
312326-П34
Шайба уплотнительная
В узле: 4
30
200463-П29
Болт
В узле: 4
31
312515-П29
Шайба
В узле: 4
32
310219-П29
Болт пробка М10-1-14
В узле: 1
33
312482-П34
Шайба
В узле: 1
34
236-1002314-Б
Прокладка картера маховика
В узле: 1
35
7511.1002310
Картер маховика в сборе
В узле: 1
36
316162-П2
Пробка
В узле: 1
37
240-1002333
Указатель установки угла опережения впрыскивания топлива
В узле: 1
38
310044-П29
Болт
В узле: 10
39
252137-П2
Шайба пружинная
В узле: 10
40
7511.1002312
Картер маховика
В узле: 1
41
236-1002333
Указатель верхней мертвой точки поршня
В узле: 1
42
236-1002318
Крышка люка картера
В узле: 1
43
252135-П2
Шайба пружинная
В узле: 13
44
201454-П29
Болт М8х16
В узле: 13
45
236-1005160-А4
Манжета в сборе
В узле: 1
46
236-1002315
Маслоотражатель
В узле: 1
47
201-1306075-А
Прокладка
В узле: 5
48
236-1002404
Заглушка
В узле: 5
49
238Н-1002015-Е
Блок цилиндров
В узле: 1
50
236-1005178-А
Болт стяжной длинный
В узле: 5
51
236-1005152-Г
Крышка заднего подшипника коленчатого вала
В узле: 1
52
238-1005156
Крышка промежуточного подшипника коленчатого вала
В узле: 3
53
312304-П
Шайба
В узле: 10
54
236-1005159
Болт крышки коренного подшипника
В узле: 10
55
236-1005140-В
Крышка переднего подшипника коленчатого вала
В узле: 1
56
238АК-1002265
Прокладка крышки шестерен распределения левая
В узле: 1
57
252138-П2
Шайба пружинная
В узле: 2
58
200822-П29
Болт
В узле: 2
Содержащиеся в справочниках-каталогах запасные части и детали не предлагаются к продаже, а носят исключительно информационный характер

Ваша заявка была отправлена. В ближайшее время наши специалисты с Вами свяжутся по указанному Вами телефону.

Представьтесь
Поле обязательно для заполнения
Ваш телефон
Введите правильный номер телефона
E-mail
Введите правильный e-mail
Тема
Тема
применяемость финансирование доставка цена, наличие другое сервис и гарантия
Время для звонка
08:00
08:00 09:00 10:00 11:00 12:00 13:00 14:00 15:00 16:00 17:00 18:00 19:00
19:00
08:00 09:00 10:00 11:00 12:00 13:00 14:00 15:00 16:00 17:00 18:00 19:00

Мы постараемся перезвонить в указанное время

Если вы не хотите ждать, то звоните нашим вежливым консультантам:

8 800 100-2-700
Подтвердите, что вы не робот
Подтвердите, что вы не робот
Спасибо!

Ваше сообщение успешно отправлено!

ЗакрытьПовторить попытку