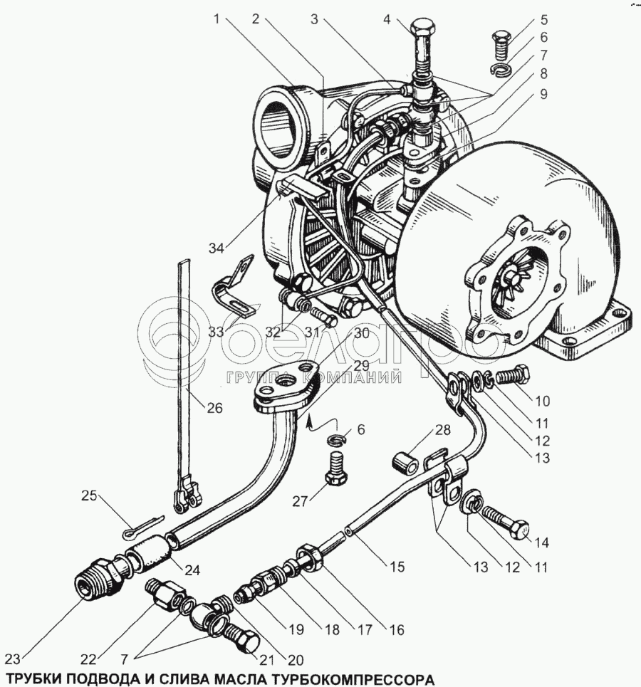
Каталог запасных частей к технике: ЯМЗ-7511. Трубки подвода и слива масла турбокомпрессора

zoom-in zoom-out enlarge shrink circle-right circle-left file-text2 info cart arraw right arraw left zoom out zoom in arraw maximize arraw minimize
1
2
3
4
5
6
6
7
7
8
9
10
11
11
12
12
13
13
14
15
16
17
18
19
20
21
22
23
24
25
26
27
28
29
30
31
32
33
34
238Ф-1118220
Трубка подвода масла к турбокомпрессору в сборе
В узле: 1
1
12.1118010
Турбокомпрессор в сборе
В узле: 1
2
315455-П29
Кляммер
В узле: 1
3
238БМ-1111558
Трубка подвода масла к корректору по наддуву
В узле: 1
4
310236-П29
Болт
В узле: 1
5
201495-П2
Болт
В узле: 2
6
252156-П2
Шайба пружинная
В узле: 4
7
312326-П34
Шайба уплотнительная
В узле: 5
8
238Ф-1118224
Фланец турбокомпрессора
В узле: 1
9
238Ф-1118225
Прокладка
В узле: 1
10
201458-П29
Болт М8х25
В узле: 1
11
252135-П2
Шайба пружинная
В узле: 2
12
252005-П29
Шайба плоская
В узле: 2
13
238Н-1017152
Скоба крепления трубки
В узле: 4
14
201466-П29
Болт М8х45
В узле: 1
15
238Ф-1118226
Трубка подвода масла к турбокомпрессору
В узле: 1
16
238Н-1017243
Гайка упорная в сборе
В узле: 2
17
238Н-1017318
Кольцо
В узле: 2
18
314678-П29
Штуцер проходной
В узле: 2
19
314802-П
Муфта конусная
В узле: 2
20
238Н-1017216
Наконечник
В узле: 2
21
310096-П2
Болт специальный М14х1,5х30
В узле: 1
22
314681-П29
Штуцер
В узле: 1
23
236-1306082
Штуцер трубки слива масла
В узле: 1
24
236-1306084
Рукав соединительный
В узле: 1
25
297575-П29
Шплинт
В узле: 2
26
316215-П
Хомут в сборе
В узле: 2
27
201497-П29
Болт М10х25
В узле: 2
28
238П-1017156
Проставка скобы
В узле: 1
29
238Б-1118340
Трубка слива масла
В узле: 1
30
238Ф-1118322
Прокладка фланца трубы
В узле: 1
31
310122-П2
Болт М10х1х22
В узле: 1
32
312482-П34
Шайба
В узле: 2
33
315352-П29
Кляммер
В узле: 1
34
240-1104337
Прокладка кляммера
В узле: 1
Содержащиеся в справочниках-каталогах запасные части и детали не предлагаются к продаже, а носят исключительно информационный характер

Ваша заявка была отправлена. В ближайшее время наши специалисты с Вами свяжутся по указанному Вами телефону.

Представьтесь
Поле обязательно для заполнения
Ваш телефон
Введите правильный номер телефона
E-mail
Введите правильный e-mail
Тема
Тема
применяемость финансирование доставка цена, наличие другое сервис и гарантия
Время для звонка
08:00
08:00 09:00 10:00 11:00 12:00 13:00 14:00 15:00 16:00 17:00 18:00 19:00
19:00
08:00 09:00 10:00 11:00 12:00 13:00 14:00 15:00 16:00 17:00 18:00 19:00

Мы постараемся перезвонить в указанное время

Если вы не хотите ждать, то звоните нашим вежливым консультантам:

8 800 100-2-700
Подтвердите, что вы не робот
Подтвердите, что вы не робот
Спасибо!

Ваше сообщение успешно отправлено!

ЗакрытьПовторить попытку