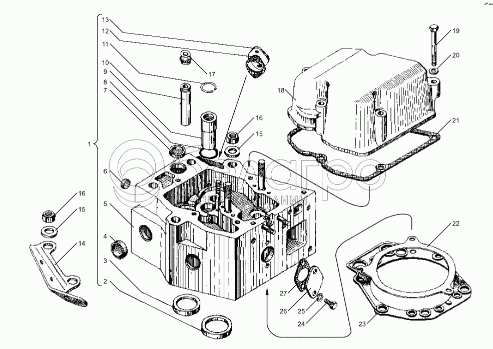
Каталог запасных частей к технике: ЯМЗ-7511 (2005). Индивидуальная головка цилиндра

zoom-in zoom-out enlarge shrink circle-right circle-left file-text2 info cart arraw right arraw left zoom out zoom in arraw maximize arraw minimize
1
1
2
3
4
5
6
7
8
9
10
11
12
13
14
14
15
15
16
16
17
18
19
20
21
22
22
22
22
23
24
25
26
27
1
7511.1003013
Головка цилиндра в сборе (для запасных частей)
В узле: 8
1
7511.1003012
Головка цилиндра с втулками в сборе
В узле: 8
2
7511.1003108
Седло впускного клапана
В узле: 8
3
7511.1003110
Седло выпускного клапана
В узле: 8
4
313992-П
Заглушка
В узле: 16
5
7511.1003014
Головка цилиндра с вставкой в сборе
В узле: 8
6
7511.1003436
Заглушка
В узле: 8
7
313934-П
Заглушка
В узле: 8
8
25 3111 6148
Кольцо 029-035-36-2-5
В узле: 8
9
7511.1003112
Стакан форсунки
В узле: 8
10
236-1007032-Б
Втулка клапана направляющая
В узле: 16
11
7511.1003115
Кольцо запорное
В узле: 8
12
236-1011296
Прокладка переднего фланца
В узле: 8
13
236-1002402
Заглушка
В узле: 8
14
7511.1003330
Рым
В узле: 2
14
7511.1003331
Рым
В узле: 2
15
312399-П29
Шайба
В узле: 48
16
311423-П5
Гайка
В узле: 48
17
236-1007262
Манжета уплотнительная впускного клапана в сборе
В узле: 8
18
7511.1003264
Крышка головки цилиндра
В узле: 7
19
200274-П29
Болт М8х75
В узле: 40
20
252005-П29
Шайба плоская
В узле: 40
21
7511.1003270
Прокладка крышки головки
В узле: 8
22
7511.1003212-40
Прокладка головки цилиндра толщиной 1,7-0,08 мм
В узле: 8
22
7511.1003212-10
Прокладка головки цилиндра толщиной 1,1-0,06 мм
В узле: 8
22
7511.1003212-20
Прокладка головки цилиндра толщиной 1,3-0,06 мм
В узле: 8
22
7511.1003212-30
Прокладка головки цилиндра толщиной 1,5-0,08 мм
В узле: 8
23
7511.1003213
Прокладка уплотнительная головки цилиндра
В узле: 8
24
201454-П29
Болт М8х16
В узле: 32
25
252135-П2
Шайба пружинная
В узле: 32
26
236-1002404
Заглушка
В узле: 8
27
201-1306075-A
Прокладка
В узле: 8
Содержащиеся в справочниках-каталогах запасные части и детали не предлагаются к продаже, а носят исключительно информационный характер

Ваша заявка была отправлена. В ближайшее время наши специалисты с Вами свяжутся по указанному Вами телефону.

Представьтесь
Поле обязательно для заполнения
Ваш телефон
Введите правильный номер телефона
E-mail
Введите правильный e-mail
Тема
Тема
применяемость финансирование доставка цена, наличие другое сервис и гарантия
Время для звонка
08:00
08:00 09:00 10:00 11:00 12:00 13:00 14:00 15:00 16:00 17:00 18:00 19:00
19:00
08:00 09:00 10:00 11:00 12:00 13:00 14:00 15:00 16:00 17:00 18:00 19:00

Мы постараемся перезвонить в указанное время

Если вы не хотите ждать, то звоните нашим вежливым консультантам:

8 800 100-2-700
Подтвердите, что вы не робот
Подтвердите, что вы не робот
Спасибо!

Ваше сообщение успешно отправлено!

ЗакрытьПовторить попытку