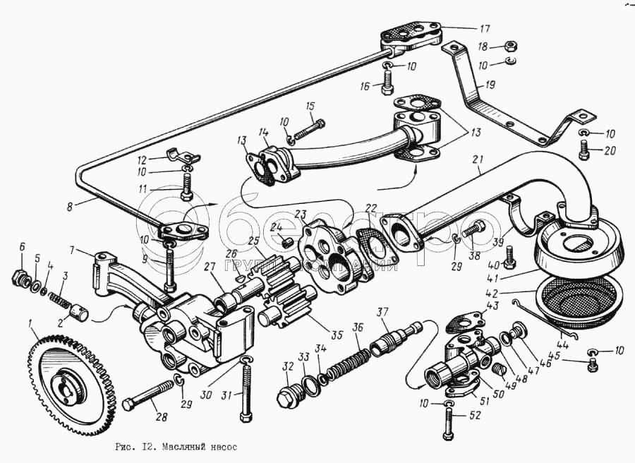
Каталог запасных частей к технике: ЯМЗ-8401.10. Масляный насос

zoom-in zoom-out enlarge shrink circle-right circle-left file-text2 info cart arraw right arraw left zoom out zoom in arraw maximize arraw minimize
1
2
3
4
5
6
7
8
9
10
10
10
10
10
10
10
10
11
12
13
13
14
15
16
17
18
19
20
21
22
23
24
25
27
29
29
30
32
33
34
35
36
37
38
39
40
41
42
43
44
45
46
47
48
50
51
52
8401.1011014-10
Насос масляный в сборе
В узле: 1
840.1011054
Клапан системы смазки сливной в сборе
В узле: 1
1
840.1011230
Шестерня ведомая привода масляного насоса
В узле: 1
2
840.1011364
Клапан предохранительный
В узле: 1
3
840.1011058
Пружина предохранительного клапана
В узле: 1
4
252004-П29
Шайба
В узле: 3
5
204.1011371
Прокладка пробки
В узле: 1
6
204.1011370-Б
Пробка
В узле: 1
7
8401.1011018-10
Корпус насоса
В узле: 1
8
840.1011538
Трубка подводящая фильтра центробежной очистки насла
В узле: 1
9
200272-П29
Болт
В узле: 2
10
252135-П2
Шайба пружинная
В узле: 16
11
201460-П29
Болт М8х30
В узле: 2
12
840.1011134
Клямнер подводящей трубки
В узле: 2
13
840.1011358
Прокладка фланца
В узле: 3
14
840.1011350
Трубка отводящая
В узле: 1
15
201468-П29
Болт
В узле: 2
16
201464-П29
Болт М8х40
В узле: 2
17
840.1011430
Прокладка фланца
В узле: 1
18
250510-П2
Гайка
В узле: 2
19
840.1011320
Кронштейн крепления всасывающей трубки
В узле: 1
20
201454-П29
Болт М8х16
В узле: 2
21
840.1011400-10
Трубка воаоываицая
В узле: 1
22
840.1011296-10
Прокладка фланца
В узле: 1
23
840.1011019-10
Крышка насоса
В узле: 1
24
240.1011037
Втулка установочная
В узле: 2
25
8401.1011045-10
Шестерня ведущая
В узле: 1
27
840.1011034
Втулка
В узле: 4
29
252136-П2
Шайба 10 пружинная
В узле: 6
30
252137-П2
Шайба пружинная
В узле: 3
32
840.1011370
Пробка
В узле: 1
33
312330-П
Прокладка
В узле: 1
34
252006-П29
Шайба плоская
В узле: 2
35
8401.1011032-10
Шестерня ведомая
В узле: 1
36
840.1011057
Пружина клапана
В узле: 1
37
840.1011055
Клапан
В узле: 1
38
201676-П29
Болт
В узле: 2
39
840.1011322
Скоба крепления всасыващей трубки
В узле: 1
40
201456-П29
Болт М8-6gх20
В узле: 2
41
840.1011300
Чашка заборника в оборе
В узле: 1
42
204А-1011310
Сетка заборника в оборе
В узле: 1
43
840.1011544
Прокладка корпуса
В узле: 1
44
204А-1011318-Б
Крючок крепления сетки
В узле: 1
45
201452-П29
Болт
В узле: 2
46
316107-П2
Пробка
В узле: 1
47
312630-П
Шайба
В узле: 1
48
840.1011060
Корпус клапана
В узле: 1
50
840.1011366
Прокладка
В узле: 1
51
3840.1011120
Заглушка
В узле: 1
52
201470-П2
Болт клапана
В узле: 2
Содержащиеся в справочниках-каталогах запасные части и детали не предлагаются к продаже, а носят исключительно информационный характер

Ваша заявка была отправлена. В ближайшее время наши специалисты с Вами свяжутся по указанному Вами телефону.

Представьтесь
Поле обязательно для заполнения
Ваш телефон
Введите правильный номер телефона
E-mail
Введите правильный e-mail
Тема
Тема
применяемость финансирование доставка цена, наличие другое сервис и гарантия
Время для звонка
08:00
08:00 09:00 10:00 11:00 12:00 13:00 14:00 15:00 16:00 17:00 18:00 19:00
19:00
08:00 09:00 10:00 11:00 12:00 13:00 14:00 15:00 16:00 17:00 18:00 19:00

Мы постараемся перезвонить в указанное время

Если вы не хотите ждать, то звоните нашим вежливым консультантам:

8 800 100-2-700
Подтвердите, что вы не робот
Подтвердите, что вы не робот
Спасибо!

Ваше сообщение успешно отправлено!

ЗакрытьПовторить попытку