Каталог запасных частей к технике: ЯМЗ-8401. Головка цилиндров

zoom-in zoom-out enlarge shrink circle-right circle-left file-text2 info cart arraw right arraw left zoom out zoom in arraw maximize arraw minimize
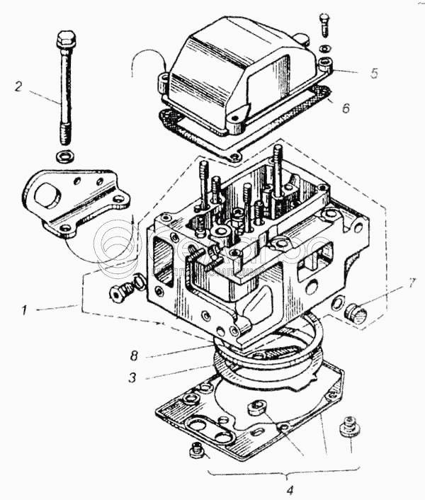
1
1
1
2
2
3
4
5
6
7
8
1
840.1003013-11
Головка цилиндров
В узле: ---
1
846.1003013
Головка цилиндров
В узле: ---
1
840.1003013-10
Головка цилиндра в сборе
В узле: ---
2
840.1003016
Болт крепления головки
В узле: ---
2
847.1003016
Болт крепления головки цилиндров
В узле: ---
3
840.1003212-30
Прокладка головки
В узле: ---
4
840.1003213-02
Прокладка
В узле: ---
5
840.1003264
Крышка головки
В узле: ---
6
840.1003270
Прокладка крышки
В узле: ---
7
840.1003436
Заглушка
В узле: ---
8
840.1003466
Кольцо уплотнительное газового стыка
В узле: ---
Содержащиеся в справочниках-каталогах запасные части и детали не предлагаются к продаже, а носят исключительно информационный характер

Ваша заявка была отправлена. В ближайшее время наши специалисты с Вами свяжутся по указанному Вами телефону.

Представьтесь
Поле обязательно для заполнения
Ваш телефон
Введите правильный номер телефона
E-mail
Введите правильный e-mail
Тема
Тема
применяемость финансирование доставка цена, наличие другое сервис и гарантия
Время для звонка
08:00
08:00 09:00 10:00 11:00 12:00 13:00 14:00 15:00 16:00 17:00 18:00 19:00
19:00
08:00 09:00 10:00 11:00 12:00 13:00 14:00 15:00 16:00 17:00 18:00 19:00

Мы постараемся перезвонить в указанное время

Если вы не хотите ждать, то звоните нашим вежливым консультантам:

8 800 100-2-700
Подтвердите, что вы не робот
Подтвердите, что вы не робот
Спасибо!

Ваше сообщение успешно отправлено!

ЗакрытьПовторить попытку