Каталог запасных частей к технике: ЯМЗ-8401. Масляный насос 8401.1011014-10

zoom-in zoom-out enlarge shrink circle-right circle-left file-text2 info cart arraw right arraw left zoom out zoom in arraw maximize arraw minimize
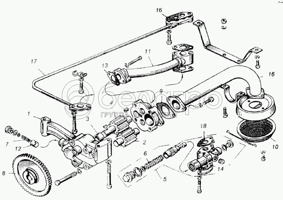
1
1
2
3
4
5
6
7
8
9
10
11
11
12
13
13
14
15
15
16
17
17
18
8401.1011014
Насос масляный
В узле: ---
850.1011014-01
Насос масляный в сборе
В узле: ---
8401.1011014-10
Насос масляный в сборе
В узле: ---
1
840.1011018
Корпус масляного насоса
В узле: ---
1
850.1011018-10
Корпус масляного насоса в сборе
В узле: ---
2
8401.1011032-10
Шестерня ведомая
В узле: ---
3
840.1011034
Втулка
В узле: ---
4
8401.1011045-10
Шестерня ведущая
В узле: ---
5
840.1011054
Клапан системы смазки сливной в сборе
В узле: ---
6
840.1011057
Пружина клапана
В узле: ---
7
840.1011058
Пружина предохранительного клапана
В узле: ---
8
840.1011230
Шестерня ведомая привода масляного насоса
В узле: ---
9
840.1011296-10
Прокладка фланца
В узле: ---
10
204А-1011310-В
Сетка заборника в сборе
В узле: ---
11
850.1011350
Трубка отводящая в сборе
В узле: ---
11
840.1011350
Трубка отводящая
В узле: ---
12
840.1011364
Клапан предохранительный
В узле: ---
13
850 1011358
Прокладка
В узле: ---
13
840.1011358
Прокладка фланца
В узле: ---
14
840.1011366
Прокладка
В узле: ---
15
850.1011400
Трубка всасывающая в сборе
В узле: ---
15
840.1011400
Трубка с фланцами
В узле: ---
16
840.1011430
Прокладка фланца
В узле: ---
17
850.1011538
Трубка подводящая центробежного маслоочистителя в сборе
В узле: ---
17
840.1011538
Трубка подводящая фильтра центробежной очистки насла
В узле: ---
18
840.1011544
Прокладка корпуса
В узле: ---
Содержащиеся в справочниках-каталогах запасные части и детали не предлагаются к продаже, а носят исключительно информационный характер

Ваша заявка была отправлена. В ближайшее время наши специалисты с Вами свяжутся по указанному Вами телефону.

Представьтесь
Поле обязательно для заполнения
Ваш телефон
Введите правильный номер телефона
E-mail
Введите правильный e-mail
Тема
Тема
применяемость финансирование доставка цена, наличие другое сервис и гарантия
Время для звонка
08:00
08:00 09:00 10:00 11:00 12:00 13:00 14:00 15:00 16:00 17:00 18:00 19:00
19:00
08:00 09:00 10:00 11:00 12:00 13:00 14:00 15:00 16:00 17:00 18:00 19:00

Мы постараемся перезвонить в указанное время

Если вы не хотите ждать, то звоните нашим вежливым консультантам:

8 800 100-2-700
Подтвердите, что вы не робот
Подтвердите, что вы не робот
Спасибо!

Ваше сообщение успешно отправлено!

ЗакрытьПовторить попытку