Каталог запасных частей к технике: ЯМЗ-8401. Регулятор частоты вращения

zoom-in zoom-out enlarge shrink circle-right circle-left file-text2 info cart arraw right arraw left zoom out zoom in arraw maximize arraw minimize
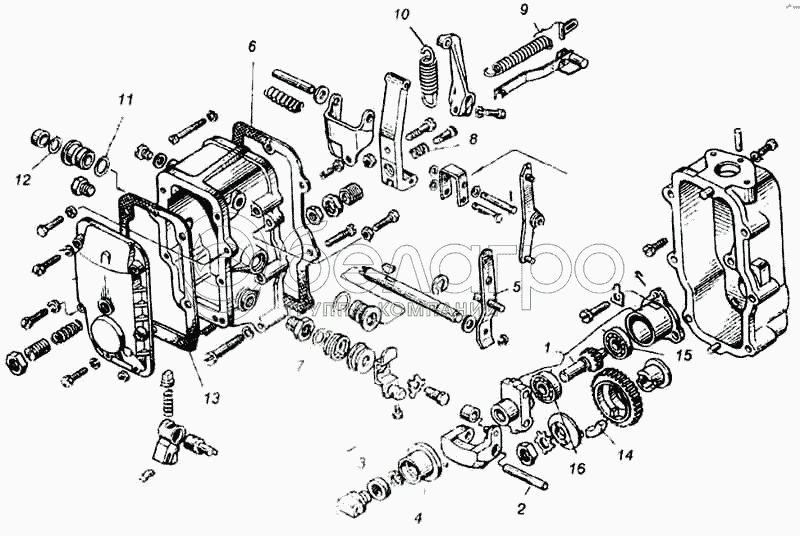
1
2
3
4
5
6
7
8
9
10
11
12
13
14
15
16
1
240-1110040-А
Державка грузов со стаканом в сборе
В узле: ---
2
236-1110049
Ось груза регулятора
В узле: ---
3
8102
Подшипник шариковый упорный однорядный 15х28х9
В узле: ---
4
236-1110060-А3
Муфта грузов в сборе
В узле: ---
5
236-1110151
Рычаг управления регулятором
В узле: ---
6
236-1110154-А
Прокладка крышки регулятора
В узле: ---
7
236-1110394
Кольцо уплотнительное в сборе
В узле: ---
8
240Б-1110414-Б
Пружина корректора
В узле: ---
9
60.1110438
Пружина рычага рейки с зацепом в сборе
В узле: ---
10
90.1110462
Пружина регулятора
В узле: ---
11
236-1110479
Кольцо уплотнительное втулки вала рычага
В узле: ---
12
236-1110482
Кольцо уплотнительное
В узле: ---
13
236-1110499-А3
Прокладка крышки смотрового люка
В узле: ---
14
236-1110517-Б2
Сухарь шестерни
В узле: ---
15
200
Подшипник шариковый радиальный однорядный 10х30х9
В узле: ---
16
202-А
Подшипник
В узле: ---
Содержащиеся в справочниках-каталогах запасные части и детали не предлагаются к продаже, а носят исключительно информационный характер

Ваша заявка была отправлена. В ближайшее время наши специалисты с Вами свяжутся по указанному Вами телефону.

Представьтесь
Поле обязательно для заполнения
Ваш телефон
Введите правильный номер телефона
E-mail
Введите правильный e-mail
Тема
Тема
применяемость финансирование доставка цена, наличие другое сервис и гарантия
Время для звонка
08:00
08:00 09:00 10:00 11:00 12:00 13:00 14:00 15:00 16:00 17:00 18:00 19:00
19:00
08:00 09:00 10:00 11:00 12:00 13:00 14:00 15:00 16:00 17:00 18:00 19:00

Мы постараемся перезвонить в указанное время

Если вы не хотите ждать, то звоните нашим вежливым консультантам:

8 800 100-2-700
Подтвердите, что вы не робот
Подтвердите, что вы не робот
Спасибо!

Ваше сообщение успешно отправлено!

ЗакрытьПовторить попытку