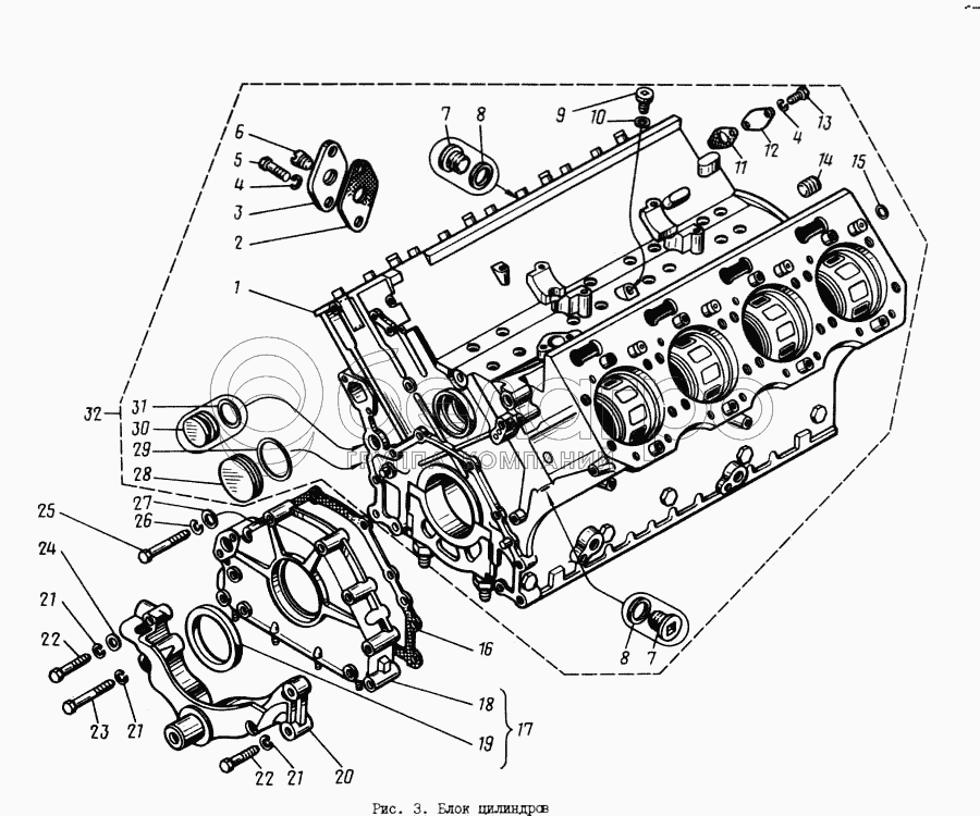
Каталог запасных частей к технике: ЯМЗ-8421.10. Блок цилиндров

zoom-in zoom-out enlarge shrink circle-right circle-left file-text2 info cart arraw right arraw left zoom out zoom in arraw maximize arraw minimize
1
2
3
4
4
5
6
7
7
8
8
9
10
11
12
13
16
17
18
19
20
22
22
22
24
25
26
27
28
30
32
1
842.1002011
Блок цилиндров в сборе
В узле: 1
2
236-1011296
Прокладка переднего фланца
В узле: 1
3
841.1002084
Крышка водяной полости
В узле: 1
4
252135-П2
Шайба пружинная
В узле: 4
5
201458-П29
Болт М8х25
В узле: 2
6
316198-П29
Пробка
В узле: 1
7
316106-П29
Пробка
В узле: 4
8
312326-П
Шайба 14
В узле: 4
9
316107-П2
Пробка
В узле: 1
10
312630-П
Шайба
В узле: 1
11
8423.1303276
Прокладка патрубка
В узле: 1
12
841.1002208
Заглушка
В узле: 1
13
201456-П29
Болт М8-6gх20
В узле: 2
16
841.1002265
Прокладка
В узле: 1
17
841.1002260
Крышка передняя в сборе
В узле: 1
18
841.1002264
Крышка передняя
В узле: 1
19
840.1005034
Манжета передняя в сборе
В узле: 1
20
841.1001017
Кронштейн передней опоры
В узле: 1
22
252138-П
Шайба
В узле: 6
24
252016-П29
Шайба
В узле: 1
25
200460-П29
Болт
В узле: 4
26
252136-П2
Шайба 10 пружинная
В узле: 4
27
252006-П29
Шайба плоская
В узле: 4
28
840.1002524
Заглушка отверстия распределительного вала
В узле: 1
30
841.1002025
Заглушка
В узле: 1
32
842.1002012
Блок цилиндров в сборе
В узле: 1
Содержащиеся в справочниках-каталогах запасные части и детали не предлагаются к продаже, а носят исключительно информационный характер

Ваша заявка была отправлена. В ближайшее время наши специалисты с Вами свяжутся по указанному Вами телефону.

Представьтесь
Поле обязательно для заполнения
Ваш телефон
Введите правильный номер телефона
E-mail
Введите правильный e-mail
Тема
Тема
применяемость финансирование доставка цена, наличие другое сервис и гарантия
Время для звонка
08:00
08:00 09:00 10:00 11:00 12:00 13:00 14:00 15:00 16:00 17:00 18:00 19:00
19:00
08:00 09:00 10:00 11:00 12:00 13:00 14:00 15:00 16:00 17:00 18:00 19:00

Мы постараемся перезвонить в указанное время

Если вы не хотите ждать, то звоните нашим вежливым консультантам:

8 800 100-2-700
Подтвердите, что вы не робот
Подтвердите, что вы не робот
Спасибо!

Ваше сообщение успешно отправлено!

ЗакрытьПовторить попытку