Каталог запасных частей к технике: ЯМЗ-8421.10. Картер коробки передач

zoom-in zoom-out enlarge shrink circle-right circle-left file-text2 info cart arraw right arraw left zoom out zoom in arraw maximize arraw minimize
1
2
2
2
3
3
3
5
6
7
8
9
9
9
10
10
10
10
12
12
13
13
14
15
16
17
18
19
20
20
20
21
22
23
24
25
26
27
28
29
30
31
32
32
32
33
34
35
36
37
38
39
40
41
42
43
44
45
46
47
48
49
50
51
52
53
54
55
56
57
59
60
61
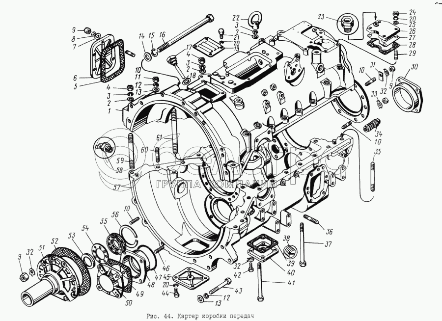
201.1701009
Картер в сборе
В узле: 1
1
201.1701015
Картер, верхняя часть
В узле: 1
2
252016-П2
Шайба
В узле: 15
3
252138-П2
Шайба пружинная
В узле: 14
5
200-1701021-А
Прокладка
В узле: 1
6
236-1701020
Крышка люка отбора мощности
В узле: 1
7
252006-П2
Шайба
В узле: 6
8
252136-П2
Шайба 10 пружинная
В узле: 6
9
250517-П29
Гайка
В узле: 31
10
216553-П29
Шпилька
В узле: 27
12
252137-П2
Шайба пружинная
В узле: 18
13
252007-П2
Шайба
В узле: 18
14
252017-П2
Шайба
В узле: 4
15
252139-П2
Шайба пружинная
В узле: 4
16
310021-П29
Болт
В узле: 4
17
201.1704290
Указатель уровня масла
В узле: 1
18
312678-П
Прокладка
В узле: ---
19
15.1601030
Крышка верхнего люка
В узле: ---
20
252135-П2
Шайба пружинная
В узле: ---
21
201454-П29
Болт М8х16
В узле: ---
22
201.1701350
Рым-гайка
В узле: ---
23
201.1701486
Сапун в сборе
В узле: ---
24
250511-П29
Гайка
В узле: ---
25
252005-П2
Шайба 8
В узле: ---
26
201.1701023
Крышка люка верхнего картера
В узле: ---
27
201.1701482
Экран крышки
В узле: ---
28
201.1701024
Прокладка крышки
В узле: ---
29
216527-П29
Шпилька
В узле: ---
30
201.1701078
Гнездо
В узле: ---
31
201.1701097
Планка
В узле: ---
32
312546-П2
Шайба
В узле: ---
33
312546-П2
Шайба
В узле: ---
34
201.1704117
Пробка
В узле: ---
35
310452-П29
Шпилька
В узле: ---
36
216666-П29
Шпилька
В узле: ---
37
4593181175
Болт
В узле: ---
38
4599321103
Пробка
В узле: ---
39
201.1701022
Прокладка
В узле: ---
40
201.1701019
Крышка люка
В узле: ---
41
4593181172
Болт
В узле: ---
42
201678-П29
Болт
В узле: ---
43
4593281123
Болт
В узле: ---
44
201458-П29
Болт М8х25
В узле: ---
45
15.1601019
Крышка нижнего люка
В узле: ---
46
216559-П29
Шпилька
В узле: ---
47
236-1028246
Кольцо уплотнительное
В узле: ---
48
201.1701070
Гнездо
В узле: ---
49
201.1701069
Прокладка
В узле: 1
50
201.1701068
Крышка подшипника
В узле: 1
51
201.1701041
Крышка
В узле: 1
52
201.1701042
Прокладка
В узле: 1
53
201.1701230
Манжета
В узле: 1
54
201.1701046
Экран маслоотражательный
В узле: 1
55
201.1701460
Кольцо маслоотражательное
В узле: 1
56
201.1701045
Кольцо 2А95
В узле: 1
57
201.1701016
Картер, нижняя часть
В узле: 1
59
310453-П29
Шпилька
В узле: 1
60
310457-П29
Шпилька
В узле: 10
61
310456-П29
Шпилька
В узле: 4
Содержащиеся в справочниках-каталогах запасные части и детали не предлагаются к продаже, а носят исключительно информационный характер

Ваша заявка была отправлена. В ближайшее время наши специалисты с Вами свяжутся по указанному Вами телефону.

Представьтесь
Поле обязательно для заполнения
Ваш телефон
Введите правильный номер телефона
E-mail
Введите правильный e-mail
Тема
Тема
применяемость финансирование доставка цена, наличие другое сервис и гарантия
Время для звонка
08:00
08:00 09:00 10:00 11:00 12:00 13:00 14:00 15:00 16:00 17:00 18:00 19:00
19:00
08:00 09:00 10:00 11:00 12:00 13:00 14:00 15:00 16:00 17:00 18:00 19:00

Мы постараемся перезвонить в указанное время

Если вы не хотите ждать, то звоните нашим вежливым консультантам:

8 800 100-2-700
Подтвердите, что вы не робот
Подтвердите, что вы не робот
Спасибо!

Ваше сообщение успешно отправлено!

ЗакрытьПовторить попытку