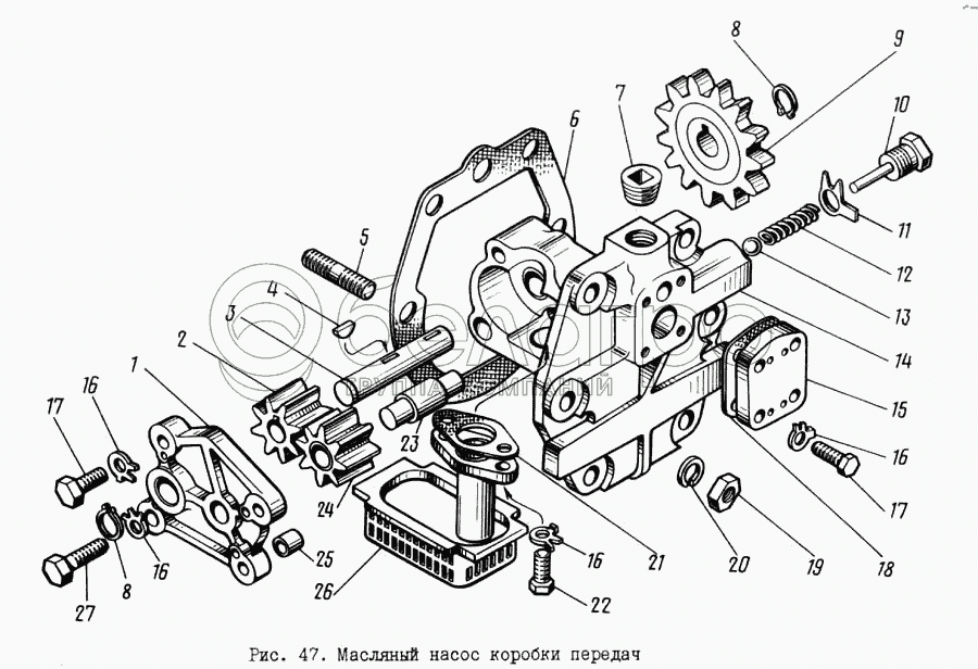
Каталог запасных частей к технике: ЯМЗ-8421.10. Масляный насос коробки передач

zoom-in zoom-out enlarge shrink circle-right circle-left file-text2 info cart arraw right arraw left zoom out zoom in arraw maximize arraw minimize
1
2
3
5
6
7
8
8
9
10
11
12
14
15
16
16
16
16
17
17
18
19
20
21
22
23
24
25
26
27
201.1704028
Шестерня ведущая в сборе
В узле: 1
202.1704010
Насос масляный
В узле: 1
1
201.1704088
Крышка
В узле: 1
2
201.1704030
Шестерня ведущая
В узле: 1
3
201.1704042
Валик ведущей шестерни
В узле: 1
5
216553-П29
Шпилька
В узле: 6
6
201.1704017
Прокладка насоса
В узле: 1
7
262570-П2
Пробка
В узле: 1
8
201.1704077
Кольцо Б16
В узле: 2
9
202.1704142
Шестерня привода
В узле: 1
10
236-1704026
Пробка клапана
В узле: 1
11
312219-П5
Шайба
В узле: 1
12
201.1704027
Пружина
В узле: 1
14
201.1704013
Корпус
В узле: 1
15
201.1704064
Крышка
В узле: 1
16
312211-П2
Шайба
В узле: 10
17
201458-П29
Болт М8х25
В узле: 6
18
201.1704066
Прокладка
В узле: 1
19
250517-П29
Гайка
В узле: 6
20
252136-П2
Шайба 10 пружинная
В узле: 6
21
201.1704108
Прокладка заборника
В узле: 1
22
201456-П29
Болт М8-6gх20
В узле: 2
23
201.1704025
Ось ведомой шестерни
В узле: 1
24
201.1704033
Шестерня ведомая в сборе
В узле: 1
25
201.1704116
Втулка установочная
В узле: 2
26
201.1704100
Заборник
В узле: 1
27
201462-П29
Болт М8х35
В узле: 2
Содержащиеся в справочниках-каталогах запасные части и детали не предлагаются к продаже, а носят исключительно информационный характер

Ваша заявка была отправлена. В ближайшее время наши специалисты с Вами свяжутся по указанному Вами телефону.

Представьтесь
Поле обязательно для заполнения
Ваш телефон
Введите правильный номер телефона
E-mail
Введите правильный e-mail
Тема
Тема
применяемость финансирование доставка цена, наличие другое сервис и гарантия
Время для звонка
08:00
08:00 09:00 10:00 11:00 12:00 13:00 14:00 15:00 16:00 17:00 18:00 19:00
19:00
08:00 09:00 10:00 11:00 12:00 13:00 14:00 15:00 16:00 17:00 18:00 19:00

Мы постараемся перезвонить в указанное время

Если вы не хотите ждать, то звоните нашим вежливым консультантам:

8 800 100-2-700
Подтвердите, что вы не робот
Подтвердите, что вы не робот
Спасибо!

Ваше сообщение успешно отправлено!

ЗакрытьПовторить попытку