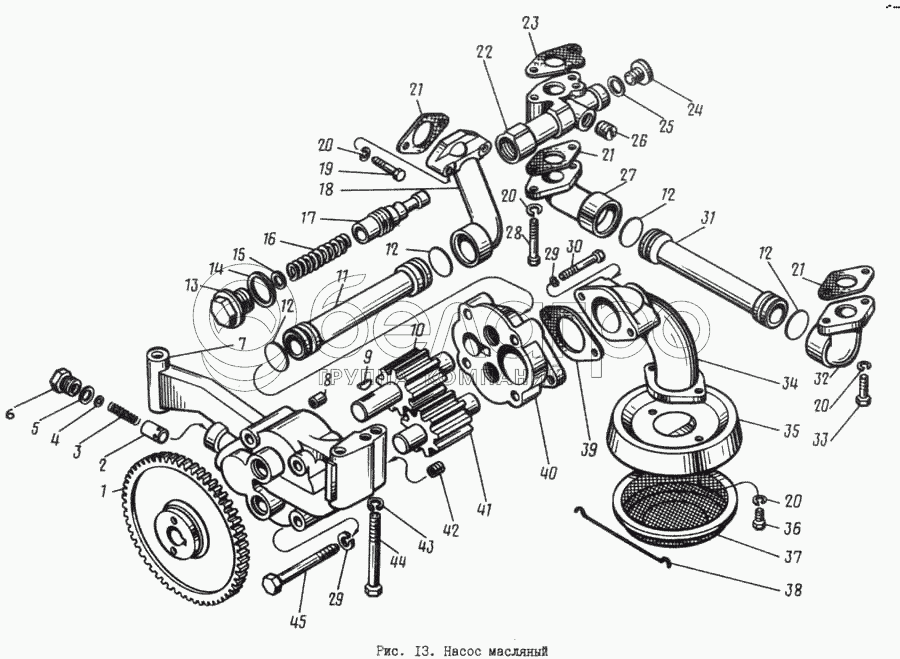
Каталог запасных частей к технике: ЯМЗ-8421.10. Насос масляный

zoom-in zoom-out enlarge shrink circle-right circle-left file-text2 info cart arraw right arraw left zoom out zoom in arraw maximize arraw minimize
1
2
3
4
5
6
7
8
10
11
13
14
15
16
17
18
20
20
20
20
21
21
21
22
23
24
25
27
28
29
29
30
31
32
33
34
35
36
37
38
39
40
41
43
842.1011398
Трубка всасывающая с заборником
В узле: 1
840.1011054
Клапан системы смазки сливной в сборе
В узле: 1
1
840.1011230
Шестерня ведомая привода масляного насоса
В узле: 1
2
840.1011364
Клапан предохранительный
В узле: 1
3
840.1011058
Пружина предохранительного клапана
В узле: 1
4
252004-П29
Шайба
В узле: 4
5
204-1011371
Прокладка пробки
В узле: 1
6
204-1011370-Б
Пробка клапана
В узле: 1
7
841.1011018
Корпус насоса
В узле: 1
8
840.1011034
Втулка
В узле: 4
10
841.1011045
Шестерня ведущая насоса
В узле: 1
11
842.1011350-10
Трубка отводящая
В узле: 1
13
840.1011370
Пробка
В узле: 1
14
312330-П
Прокладка
В узле: 1
15
252006-П29
Шайба плоская
В узле: 2
16
840.1011057
Пружина клапана
В узле: 1
17
840.1011055
Клапан
В узле: 1
18
842.1011293
Фланец задний
В узле: 1
20
252135-П2
Шайба пружинная
В узле: 8
21
840.1011366
Прокладка
В узле: 3
22
840.1011060
Корпус клапана
В узле: 1
23
840.1011544
Прокладка корпуса
В узле: 1
24
316107-П2
Пробка
В узле: 1
25
312630-П
Шайба
В узле: 1
27
842.1011415
Фланец отводящей трубки
В узле: 1
28
201458-П29
Болт М8х25
В узле: 2
29
252136-П2
Шайба 10 пружинная
В узле: 6
30
201687-П29
Болт
В узле: 2
31
842.1011406-10
Трубка отводящая
В узле: 1
32
842.1011356
Фланец отводящей трубки
В узле: 1
33
200272-П29
Болт
В узле: 2
34
842.1011400
Трубка всасывающая
В узле: 1
35
840.1011300
Чашка заборника в оборе
В узле: 1
36
201452-П29
Болт
В узле: 2
37
204А-1011310-10
Сетка заборника
В узле: 1
38
204А-1011318-Б
Крючок крепления сетки
В узле: 1
39
840.1011296-10
Прокладка фланца
В узле: 1
40
842.1011019
Крышка насоса
В узле: 1
41
840.1011032-10
Шестерня ведомая насоса
В узле: 1
43
252137-П2
Шайба пружинная
В узле: 3
Содержащиеся в справочниках-каталогах запасные части и детали не предлагаются к продаже, а носят исключительно информационный характер

Ваша заявка была отправлена. В ближайшее время наши специалисты с Вами свяжутся по указанному Вами телефону.

Представьтесь
Поле обязательно для заполнения
Ваш телефон
Введите правильный номер телефона
E-mail
Введите правильный e-mail
Тема
Тема
применяемость финансирование доставка цена, наличие другое сервис и гарантия
Время для звонка
08:00
08:00 09:00 10:00 11:00 12:00 13:00 14:00 15:00 16:00 17:00 18:00 19:00
19:00
08:00 09:00 10:00 11:00 12:00 13:00 14:00 15:00 16:00 17:00 18:00 19:00

Мы постараемся перезвонить в указанное время

Если вы не хотите ждать, то звоните нашим вежливым консультантам:

8 800 100-2-700
Подтвердите, что вы не робот
Подтвердите, что вы не робот
Спасибо!

Ваше сообщение успешно отправлено!

ЗакрытьПовторить попытку