Каталог запасных частей к технике: ЯМЗ-8421.10. Топливный насос высокого давления

zoom-in zoom-out enlarge shrink circle-right circle-left file-text2 info cart arraw right arraw left zoom out zoom in arraw maximize arraw minimize
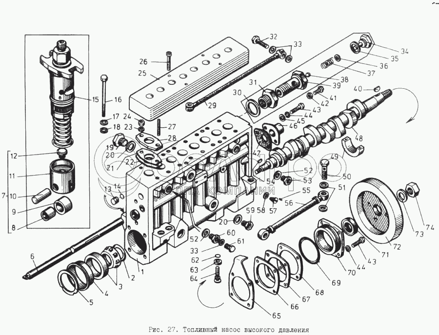
1
2
3
4
5
6
7
8
9
10
11
12
13
14
15
16
17
18
19
20
20
21
22
23
24
25
26
28
29
30
31
32
33
33
34
35
36
37
38
39
41
42
43
43
44
44
45
46
47
48
49
50
51
52
52
53
54
55
56
57
58
59
60
61
63
64
65
66
67
68
70
71
72
73
74
424.1111005
Топливный насос высокого давления в сборе
В узле: 1
421.1111005
Топливный насос высокого давления в сборе
В узле: 1
1
42.1111021
Корпус насоса с втулками
В узле: 1
2
42.1111087
Шайба подшипника дистанционная
В узле: 2
3
6-7506НА
Подшипник кулачкового вала
В узле: 2
4
42.1111077
Втулка подшипника
В узле: 1
5
42.1111082
Кольцо упорное
В узле: 1
6
42.1111181
Рейка насоса
В узле: 1
7
42.1111110-20
Толкатель плунжера в сборе
В узле: 8
8
42.1111122
Втулка ролика
В узле: 8
9
42.1111118
Ролик толкателя
В узле: 8
10
42.1111124
Ось ролика
В узле: 8
11
42.1111112
Толкатель с сухарем
В узле: 8
12
42.1111125
Пята толкателя
В узле: 8
13
42.1111425
Пробка топливного канала
В узле: 1
14
240Н-1011449
Кольцо уплотнительное
В узле: 1
15
421.1111039-30
Секция топливного насоса в сборе
В узле: 8
16
200463-П29
Болт
В узле: 4
17
252136-П2
Шайба 10 пружинная
В узле: 4
18
312355-П29
Шайба
В узле: 4
19
316186-П29
Пробка
В узле: 1
20
312768-П
Шайба
В узле: 3
21
42.1111385
Прокладка регулировочная
В узле: 64
22
42.1111386
Прокладка регулировочная
В узле: 32
23
252156-П29
Шайба
В узле: 16
24
250517-П29
Гайка
В узле: 16
25
42.1111412
Крышка защитная
В узле: 1
26
42.1111414
Винт
В узле: 4
28
42.1111375
Фланец нажимной
В узле: 8
29
8421.1111538-01
Трубка подвода масла в сборе
В узле: 1
30
312630-П
Шайба
В узле: 1
31
42.1111032
Ввертыш экранированный
В узле: 1
32
300122-П29
Болт
В узле: 2
33
312482-П
Шайба
В узле: 5
34
33.1111300
Пробка клапана
В узле: 1
35
1/02844/60(ВАЗ)
Прокладка
В узле: 1
36
870617-П
Шайба регулировочная
В узле: 3
37
33.1111289-10
Пружина клапана
В узле: 1
38
33.1111325
Шарик Б 6,35 мм
В узле: 1
39
33.1111285
Корпус клапана
В узле: 1
41
201420-П15
Болт
В узле: 1
42
250608-П15
Гайка
В узле: 1
43
201458-П29
Болт М8х25
В узле: 6
44
252135-П29
Шайба
В узле: 6
45
312700-П29
Шайба
В узле: 2
46
42.1111186
Крышка рейки
В узле: 1
47
421.1110869
Прокладка корпуса корректора
В узле: 1
48
42.1111055
Вал кулачковый
В узле: 1
49
42.1111063
Опора кулачкового вала
В узле: 2
50
310264-П29
Болт
В узле: 2
51
201-1015624
Прокладка
В узле: 4
52
852619-П
Шайба
В узле: 2
53
42.1111905
Ввертыш
В узле: 1
54
314019-П
Шпонка сегментная
В узле: 1
55
236-1111154-А
Стопор винта
В узле: 1
56
842.1111570
Трубка отвода масла в сборе
В узле: 1
57
33.1106245
Винт стопорный
В узле: 1
58
312753-П
Прокладка
В узле: 1
59
316617-П29
Ввертыш
В узле: 2
60
316619-П29
Ввертыш
В узле: 1
61
852882-П29
Пробка спуска воздуха
В узле: 1
63
42.1111085
Колпачок
В узле: 4
64
42.1111065
Болт опоры кулачкового вала
В узле: 4
65
42.1111280
Указатель начала подачи топлива
В узле: 1
66
42.1111080
Прокладка регулировочная
В узле: 1
67
42.1111079
Прокладка регулировочная
В узле: 7
68
42.1111078
Прокладка регулировочная
В узле: 3
70
42.1111072-10
Крышка подшипника
В узле: 1
71
840.1029438-01
Манжета
В узле: 1
72
42.1111332-10
Маховик топливного насоса
В узле: 1
73
252161-П29
Шайба
В узле: 1
74
250565-П29
Гайка
В узле: 1
Содержащиеся в справочниках-каталогах запасные части и детали не предлагаются к продаже, а носят исключительно информационный характер

Ваша заявка была отправлена. В ближайшее время наши специалисты с Вами свяжутся по указанному Вами телефону.

Представьтесь
Поле обязательно для заполнения
Ваш телефон
Введите правильный номер телефона
E-mail
Введите правильный e-mail
Тема
Тема
применяемость финансирование доставка цена, наличие другое сервис и гарантия
Время для звонка
08:00
08:00 09:00 10:00 11:00 12:00 13:00 14:00 15:00 16:00 17:00 18:00 19:00
19:00
08:00 09:00 10:00 11:00 12:00 13:00 14:00 15:00 16:00 17:00 18:00 19:00

Мы постараемся перезвонить в указанное время

Если вы не хотите ждать, то звоните нашим вежливым консультантам:

8 800 100-2-700
Подтвердите, что вы не робот
Подтвердите, что вы не робот
Спасибо!

Ваше сообщение успешно отправлено!

ЗакрытьПовторить попытку