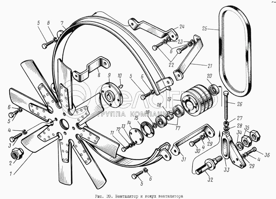
Каталог запасных частей к технике: ЯМЗ-8421.10. Вентилятор и кожух вентилятора

zoom-in zoom-out enlarge shrink circle-right circle-left file-text2 info cart arraw right arraw left zoom out zoom in arraw maximize arraw minimize
1
2
3
4
4
4
5
5
5
5
6
6
6
6
6
7
8
9
11
12
13
14
15
16
17
18
19
20
21
22
23
24
24
25
26
27
28
29
29
30
31
32
33
34
35
36
841.1308005
Комплект ремней привода агрегатов
В узле: 1
841.1309010
Кожух вентилятора в сборе
В узле: 1
841.1308110
Приспособление натяжное в сборе
В узле: 1
841.1308012
Крыльчатка вентилятора в сборе
В узле: 1
841.1309066
Кронштейн кожуха левый верхний
В узле: 1
841.1309072
Кронштейн кожуха правый нижний
В узле: 1
1
8423.1308012
Крыльчатка вентилятора в сборе
В узле: 1
2
311908-П29
Гайка
В узле: 1
3
201676-П29
Болт
В узле: 4
4
252136-П2
Шайба 10 пружинная
В узле: 8
5
201454-П29
Болт М8х16
В узле: 4
6
252135-П2
Шайба пружинная
В узле: 6
7
8423.1309010
Кожух вентилятора в сборе
В узле: 1
8
8423.1309072
Кронштейн кожуха правый нижний
В узле: 1
9
841.1308652
Ступица крыльчатки вентилятора
В узле: 1
11
201420-П29
Болт М6х20
В узле: 4
12
252134-П2
Шайба пружинная
В узле: 4
13
252004-П29
Шайба
В узле: 4
14
841.1308121
Крышка шкива
В узле: 1
15
240Б-1308122
Прокладка крышки
В узле: 1
16
841.1308133
Кольцо
В узле: 1
17
304К
Подшипник шариковый радиальный однорядный 20х52х15
В узле: 2
18
841.1308825
Маслоразбрызгиватель в сборе
В узле: 1
19
841.1308112
Шкив натяжного приспособления
В узле: 1
20
240-1307090
Манжета первичного вала в сборе
В узле: 1
21
8423.1309066
Кронштейн кожуха левый верхний
В узле: 1
22
201458-П29
Болт М8х25
В узле: 2
23
252005-П29
Шайба плоская
В узле: 2
24
841.1309064
Кронштейн кожуха правый верхний
В узле: 1
24
8423.1309064
Кронштейн кожуха правый верхний
В узле: 1
25
240Б-1308020
Ремень зубчатый
В узле: 3
26
310027-П29
Болт
В узле: 1
27
250515-П29
Гайка
В узле: 1
28
252137-П2
Шайба пружинная
В узле: 1
29
252006-П29
Шайба плоская
В узле: 4
30
201678-П29
Болт
В узле: 1
31
841.1309074
Кронштейн кожуха вентилятора левый нижний
В узле: 1
32
841.1308116
Ось шкива
В узле: 1
33
841.1308138
Кронштейн натяжного приспособления
В узле: 1
34
312214-П29
Шайба 22
В узле: 1
35
250659-П29
Гайка М22х1,5-6Н
В узле: 2
36
201688-П29
Болт
В узле: 3
Содержащиеся в справочниках-каталогах запасные части и детали не предлагаются к продаже, а носят исключительно информационный характер

Ваша заявка была отправлена. В ближайшее время наши специалисты с Вами свяжутся по указанному Вами телефону.

Представьтесь
Поле обязательно для заполнения
Ваш телефон
Введите правильный номер телефона
E-mail
Введите правильный e-mail
Тема
Тема
применяемость финансирование доставка цена, наличие другое сервис и гарантия
Время для звонка
08:00
08:00 09:00 10:00 11:00 12:00 13:00 14:00 15:00 16:00 17:00 18:00 19:00
19:00
08:00 09:00 10:00 11:00 12:00 13:00 14:00 15:00 16:00 17:00 18:00 19:00

Мы постараемся перезвонить в указанное время

Если вы не хотите ждать, то звоните нашим вежливым консультантам:

8 800 100-2-700
Подтвердите, что вы не робот
Подтвердите, что вы не робот
Спасибо!

Ваше сообщение успешно отправлено!

ЗакрытьПовторить попытку