Каталог запасных частей к технике: ЯМЗ-8423.10. Фильтр тонкой очистки топлива

zoom-in zoom-out enlarge shrink circle-right circle-left file-text2 info cart arraw right arraw left zoom out zoom in arraw maximize arraw minimize
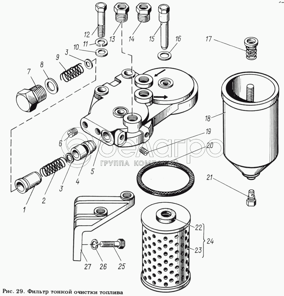
1
2
3
3
4
5
6
7
8
9
10
11
12
13
14
15
16
17
18
20
21
22
23
24
25
26
27
840.1117010
Фильтр тонкой очистки топлива в сборе
В узле: 1
840.1117020
Корпус фильтра в сборе
В узле: 1
1
840.1117162
Гильза перепускного клапана
В узле: 1
2
840.1117158
Пружина клапана термостата
В узле: 1
3
312699-П2
Шайба
В узле: 4
4
840.1117150
Клапан перепускной
В узле: 1
5
840.1117022
Корпус фильтра
В узле: 1
6
316198-П29
Пробка
В узле: 2
7
316108-П29
Пробка
В узле: 1
8
312367-П
Шайба
В узле: 1
9
840.1117159
Пружина перепускного клапана
В узле: 1
10
252007-П29
Шайба плоская
В узле: 2
11
252137-П2
Шайба пружинная
В узле: 2
12
201573-П29
Болт
В узле: 2
13
316622-П29
Ввертыш
В узле: 2
14
316615-П29
Ввертыш
В узле: 2
15
840.1117122
Болт
В узле: 2
16
312326-П
Шайба 14
В узле: 2
17
840.1117037
Пружина фильтра
В узле: 2
18
840.1117182
Колпак фильтра
В узле: 2
20
840.1117186
Прокладка колпака
В узле: 2
21
840.1117144
Пробка сливная
В узле: 2
22
840.1117114
Прокладка элемента
В узле: 4
23
840.1117040-01
Элемент фильтрующий
В узле: 2
24
840.1117035-01
Элемент в упаковке
В узле: 2
25
310213-П29
Болт
В узле: 3
26
252136-П2
Шайба 10 пружинная
В узле: 3
27
841.1117152
Кронштейн
В узле: 1
Содержащиеся в справочниках-каталогах запасные части и детали не предлагаются к продаже, а носят исключительно информационный характер

Ваша заявка была отправлена. В ближайшее время наши специалисты с Вами свяжутся по указанному Вами телефону.

Представьтесь
Поле обязательно для заполнения
Ваш телефон
Введите правильный номер телефона
E-mail
Введите правильный e-mail
Тема
Тема
применяемость финансирование доставка цена, наличие другое сервис и гарантия
Время для звонка
08:00
08:00 09:00 10:00 11:00 12:00 13:00 14:00 15:00 16:00 17:00 18:00 19:00
19:00
08:00 09:00 10:00 11:00 12:00 13:00 14:00 15:00 16:00 17:00 18:00 19:00

Мы постараемся перезвонить в указанное время

Если вы не хотите ждать, то звоните нашим вежливым консультантам:

8 800 100-2-700
Подтвердите, что вы не робот
Подтвердите, что вы не робот
Спасибо!

Ваше сообщение успешно отправлено!

ЗакрытьПовторить попытку