Каталог запасных частей к технике: ЯМЗ-8423.10. Головка цилиндров

zoom-in zoom-out enlarge shrink circle-right circle-left file-text2 info cart arraw right arraw left zoom out zoom in arraw maximize arraw minimize
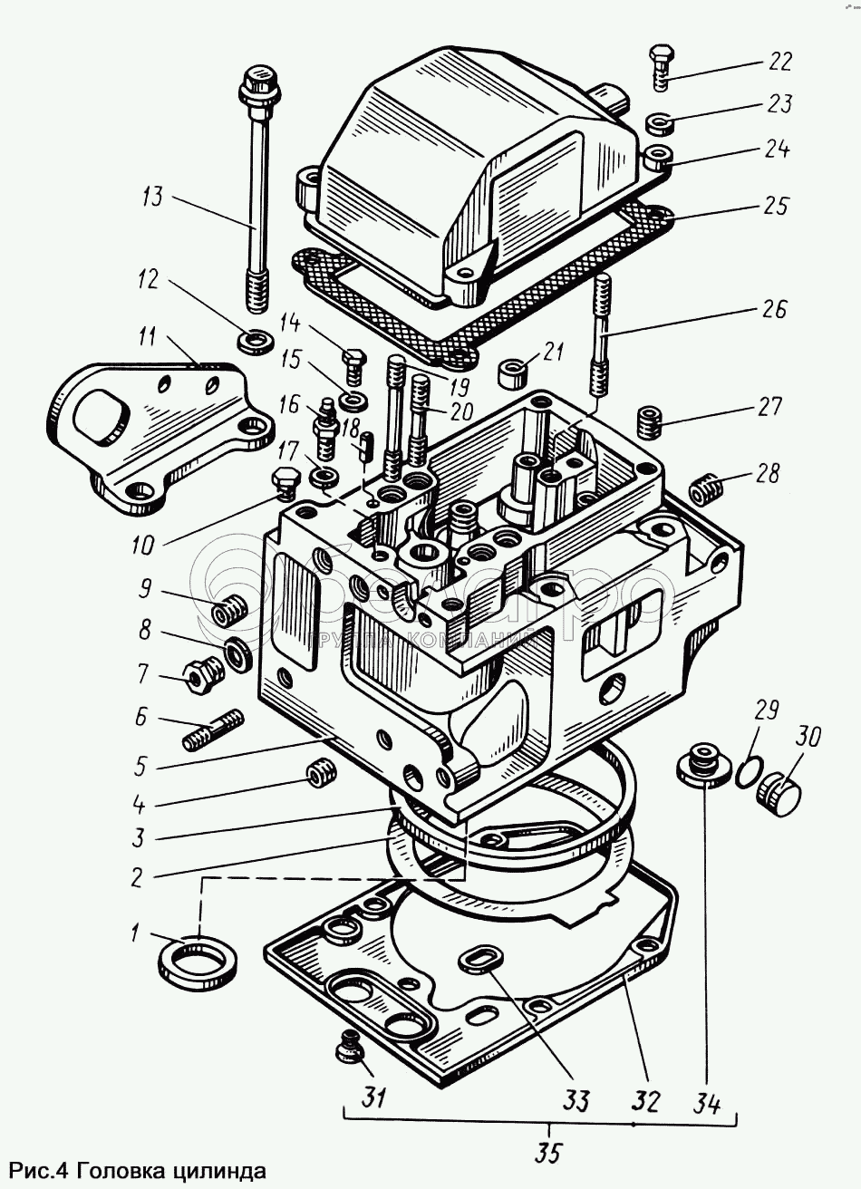
1
2
3
4
5
6
7
8
9
10
11
11
12
13
14
15
16
17
18
19
20
21
22
23
24
25
26
27
28
29
30
31
32
33
34
35
1
840.1003108
Седло клапана
В узле: 32
2
840.1003212-30
Прокладка головки
В узле: 8
3
840.1003466
Кольцо уплотнительное газового стыка
В узле: 8
4
316601-П29
Ввертыш
В узле: 16
5
840.1003013-10
Головка цилиндра в сборе
В узле: 8
6
216527-П29
Шпилька
В узле: 16
7
316603-П29
Ввертыш
В узле: 8
8
201-1015624
Прокладка
В узле: 8
9
316600-П29
Ввертыш
В узле: 16
10
316121-П29
Пробка К 1/4"
В узле: 8
11
841-1002351
Рым
В узле: 2
11
841.1002350
Рым
В узле: 2
12
312693-П29
Шайба
В узле: 48
13
840.1003016
Болт крепления головки
В узле: 48
14
201454-П29
Болт М8х16
В узле: 8
15
312638-П
Шайба
В узле: 8
16
840.1104918
Ниппель
В узле: 8
17
312482-П34
Шайба
В узле: 8
18
258639-П
Штифт
В узле: 16
19
310450-П2
Шпилька
В узле: 16
20
310467-П2
Шпилька
В узле: 16
21
840.1007095
Втулка-штифт
В узле: 32
22
201464-П29
Болт М8х40
В узле: 32
23
252005-П29
Шайба плоская
В узле: 32
24
840.1003264
Крышка головки
В узле: 8
25
840.1003270
Прокладка крышки
В узле: 8
26
310468-П2
Шпилька
В узле: 8
27
316608-П29
Ввертыш
В узле: 32
28
316602-П
Ввертыш
В узле: 16
29
238Н-1723031
Кольцо уплотнительное
В узле: 32
30
840.1003436
Заглушка
В узле: 32
31
840.1003510
Вставка уплотнительная
В узле: 16
32
840.1003505
Прокладка уплотнительная
В узле: 8
33
840.1003506
Вставка уплотнительная
В узле: 8
34
840.1003508
Вставка уплотнительная
В узле: 8
35
840.1003514
Прокладка уплотнительная и вставки на одну головку (комплект для запасных частей)
В узле: 8
Содержащиеся в справочниках-каталогах запасные части и детали не предлагаются к продаже, а носят исключительно информационный характер

Ваша заявка была отправлена. В ближайшее время наши специалисты с Вами свяжутся по указанному Вами телефону.

Представьтесь
Поле обязательно для заполнения
Ваш телефон
Введите правильный номер телефона
E-mail
Введите правильный e-mail
Тема
Тема
применяемость финансирование доставка цена, наличие другое сервис и гарантия
Время для звонка
08:00
08:00 09:00 10:00 11:00 12:00 13:00 14:00 15:00 16:00 17:00 18:00 19:00
19:00
08:00 09:00 10:00 11:00 12:00 13:00 14:00 15:00 16:00 17:00 18:00 19:00

Мы постараемся перезвонить в указанное время

Если вы не хотите ждать, то звоните нашим вежливым консультантам:

8 800 100-2-700
Подтвердите, что вы не робот
Подтвердите, что вы не робот
Спасибо!

Ваше сообщение успешно отправлено!

ЗакрытьПовторить попытку