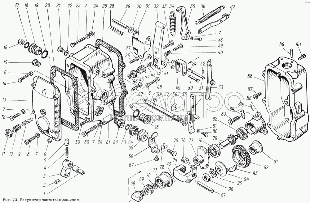
Каталог запасных частей к технике: ЯМЗ-8423.10. Регулятор частоты вращения

zoom-in zoom-out enlarge shrink circle-right circle-left file-text2 info cart arraw right arraw left zoom out zoom in arraw maximize arraw minimize
1
2
3
4
5
6
6
6
6
7
7
7
7
7
8
9
10
11
12
13
14
15
16
17
18
18
19
19
20
21
22
23
24
24
24
24
25
26
27
28
29
30
31
32
33
34
35
36
37
38
39
40
41
42
43
44
45
46
47
48
49
50
51
52
53
54
55
56
57
59
60
61
62
63
64
65
66
67
68
69
70
71
72
73
74
75
76
77
78
79
80
81
82
83
84
85
86
87
88
89
90
91
92
93
94
95
96
97
42.1110040
Державка грузов со стаканом в сборе
В узле: 1
1
236-1110136-Б
Ось кулисы
В узле: 1
2
60.1110220
Ползун кулисы
В узле: 1
3
60.1110132
Кулиса
В узле: 1
4
236-1110374-Б
Пружина фиксатора
В узле: 1
5
236-1110372-Б
Фиксатор кулисы
В узле: 1
6
250508-П29
Гайка М6
В узле: 4
7
252154-П29
Шайба пружинная
В узле: 12
8
310611-П29
Винт
В узле: 3
9
236-1110490
Пружина буферная
В узле: 1
10
236-1110492
Корпус буферной пружины
В узле: 1
11
311511-П15
Гайка
В узле: 1
12
236Т-1110500
Винт
В узле: 2
13
236-1110498-А2
Крышка смотрового люка
В узле: 1
14
852002-П29
Болт регулировочный
В узле: 1
15
852880-П29
Пробка
В узле: 1
16
313955-П29
Заглушка
В узле: 1
17
236-1110482
Кольцо уплотнительное
В узле: 1
18
236-1110476-Б
Втулка вала рычага пружины
В узле: 2
19
236-1110479
Кольцо уплотнительное втулки вала рычага
В узле: 2
20
236-1110499-А3
Прокладка крышки смотрового люка
В узле: 1
21
852369-П29
Винт-заглушка
В узле: 2
22
312446-П
Шайба
В узле: 2
23
310612-П29
Винт
В узле: 1
24
312370-П29
Шайба
В узле: 9
25
236-1110154-А
Прокладка крышки регулятора
В узле: 1
26
242519-П15
Винт
В узле: 1
27
250511-П15
Гайка
В узле: 1
28
236-1110089
Пружина компенсационная
В узле: 1
29
236-1110088
Ось рычагов
В узле: 1
30
312700-П15
Шайба
В узле: 1
31
236-1110080
Рычаг двуплечий
В узле: 1
32
238НБ-1110406-А2
Рычаг регулятора
В узле: 1
33
852350-П15
Винт
В узле: 1
34
42.1110462
Пружина регулятора
В узле: 1
35
236-1110466-А
Рычаг пружины
В узле: 1
36
42.1110448
Пружина рычага
В узле: 1
37
42.1110454
Тяга
В узле: 1
38
201418-П15
Болт
В узле: 1
39
236-1110412
Корректор
В узле: 1
40
236-1110414
Пружина корректора
В узле: 1
41
236-1110141
Шайба регулировочная
В узле: 2
42
236-1110140
Шайба регулировочная
В узле: 2
43
312652-П15
Шайба регулировочная
В узле: 4
44
236-1110416
Корпус пружины корректора
В узле: 1
45
311512-П15
Гайка
В узле: 1
46
236-1110418
Кольцо пружинное упорное
В узле: 1
47
852357-П29
Винт
В узле: 1
48
310142-П29
Болт регулировочный
В узле: 1
49
236-1110433
Серьга регулятора
В узле: 1
50
317849-П15
Палец
В узле: 1
51
236-1110066
Ось пяты упорной
В узле: 1
52
258012-П15
Шплинт
В узле: 4
53
236-1110443-Б
Рычаг рейки в сборе
В узле: 1
54
236-1110151
Рычаг управления регулятором
В узле: 1
55
312347-П15
Шайба
В узле: 1
56
236-1110471
Кольцо пружинное упорное
В узле: 1
57
236-1110467
Вал рычага пружины
В узле: 1
59
236-1110200
Винт регулировочный
В узле: 1
60
222539-П29
Винт
В узле: 5
61
60.1110129
Крышка регулятора
В узле: 1
62
236-1110134-Б
Ввертыш оси кулисы
В узле: 1
63
236-1110394
Кольцо уплотнительное в сборе
В узле: 1
64
236-1110396
Пружина скобы кулисы возвратная
В узле: 1
65
236-1110398
Крышка возвратной пружины
В узле: 1
66
42.1110380
Рычаг останова в сборе
В узле: 1
67
852006-П29
Болт
В узле: 1
68
236-1110065-Б
Пята упорная
В узле: 1
69
8102
Подшипник шариковый упорный однорядный 15х28х9
В узле: 1
70
236-1110067
Кольцо пружинное
В узле: 1
71
60.1110062
Муфта грузов
В узле: 1
72
236-1110262
Шайба скобы кулисы
В узле: 1
73
236-1110064
Шарик 3
В узле: 27
74
42.1110045
Груз регулятора
В узле: 2
75
201416-П29
Болт М6х12
В узле: 1
76
236-1110532
Ролик груза регулятора
В узле: 2
77
42.1110046
Державка грузов
В узле: 1
78
202
Подшипник шариковый радиальный однорядный
В узле: 1
79
236-1110051-В
Валик державки грузов
В узле: 1
80
201418-П29
Болт М6х16
В узле: 1
81
252134-П29
Шайба пружинная
В узле: 1
82
200
Подшипник шариковый радиальный однорядный 10х30х9
В узле: 1
83
310140-П15
Болт
В узле: 3
84
312529-П15
Шайба стопорная
В узле: 3
85
236.1110042
Стопор пружинный'
В узле: 1
86
236.1110558-В
Стакан подшипников
В узле: 1
87
311200-П29
Винт
В узле: 3
88
423.1110022
Корпус регулятора
В узле: 1
89
258639-П15
Штифт
В узле: 3
90
260003-П15
Палец
В узле: 1
91
236-1110518-Б
Втулка ведущей шестерни
В узле: 1
92
236-1110516-Б2
Шестерня регулятора ведущая
В узле: 1
93
236-1110517-Б2
Сухарь шестерни
В узле: 4
94
236-1110521
Фланец втулки шестерни
В узле: 1
95
312556-П15
Шайба стопорная
В узле: 1
96
250634-П15
Гайка
В узле: 1
97
236-1110049
Ось груза регулятора
В узле: 2
Содержащиеся в справочниках-каталогах запасные части и детали не предлагаются к продаже, а носят исключительно информационный характер

Ваша заявка была отправлена. В ближайшее время наши специалисты с Вами свяжутся по указанному Вами телефону.

Представьтесь
Поле обязательно для заполнения
Ваш телефон
Введите правильный номер телефона
E-mail
Введите правильный e-mail
Тема
Тема
применяемость финансирование доставка цена, наличие другое сервис и гарантия
Время для звонка
08:00
08:00 09:00 10:00 11:00 12:00 13:00 14:00 15:00 16:00 17:00 18:00 19:00
19:00
08:00 09:00 10:00 11:00 12:00 13:00 14:00 15:00 16:00 17:00 18:00 19:00

Мы постараемся перезвонить в указанное время

Если вы не хотите ждать, то звоните нашим вежливым консультантам:

8 800 100-2-700
Подтвердите, что вы не робот
Подтвердите, что вы не робот
Спасибо!

Ваше сообщение успешно отправлено!

ЗакрытьПовторить попытку