Каталог запасных частей к технике: ЯМЗ-8423. Генератор

zoom-in zoom-out enlarge shrink circle-right circle-left file-text2 info cart arraw right arraw left zoom out zoom in arraw maximize arraw minimize
1
2
3
4
5
6
6
7
7
7
7
7
8
9
10
11
12
13
14
15
16
17
17
18
19
19
20
21
22
23
24
25
26
27
28
29
30
31
32
33
34
35
36
37
38
39
39
40
40
41
42
42
43
43
43
44
44
45
46
47
48
49
50
50
51
52
53
54
55
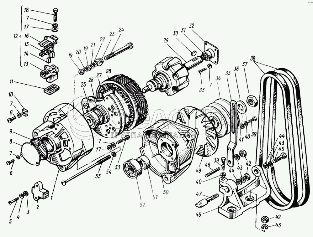
5702.3701300
Крышка со стороны контактных колец в сборе
В узле: ---
5702.3701010
Генератор в сборе
В узле: ---
1
5702.3701301
Крышка со стороны контактных колец
В узле: ---
2
3802.3701306
Колодка
В узле: ---
3
Мil-40028
Шайба
В узле: ---
4
Х-1012-Т
Шайба
В узле: ---
5
8Х-4166
Винт
В узле: ---
6
7Х-1542
Винт
В узле: ---
7
Х-4001-Т
Шайба
В узле: ---
8
5702.3701060
Крышка подшипника
В узле: ---
9
193701008
Кольцо уплотнительное
В узле: ---
10
8К14-3708053
Скоба
В узле: ---
11
3802-3701007
Прокладка уплотни-тельная
В узле: ---
12
Г250П1-3701010
Щеткодержатель в сборе
В узле: ---
13
Г250П1-3701011
Щеткодержатель
В узле: ---
14
Г250П1-3701020
Щетка
В узле: ---
15
Г250П1-3701030
Щетка
В узле: ---
16
Г250П1-3701012
Крышка щеткодержателя
В узле: ---
17
8Х-1497
Шайба
В узле: ---
18
Г250-3701016
Болт специальный
В узле: ---
19
8Х-1537
Гайка
В узле: ---
20
МХ-0246-Т
Шайба
В узле: ---
21
Х-4069-Т
Шайба
В узле: ---
22
1-МЮ-37-Т
Шайба
В узле: ---
23
3802-3701319
Втулка
В узле: ---
24
3802.3701309
Болт контактный
В узле: ---
25
6-180603К1С9
Подшипник шариковый радиальный однорядный с двусторонним уплотнением 20х52х18
В узле: ---
26
38023701308
Кольцо уплотнительное
В узле: ---
27
ИАЕЮ.4352.14002
Блок БПВ 7-100-02 выпрямительный
В узле: ---
28
5702.3701100
Статор
В узле: ---
29
5702.37012
Ротор
В узле: ---
30
45 9824 1264
Шпонка
В узле: ---
31
5702.3701214
Втулка распорная
В узле: ---
32
3802.3701404
Шайба специальная
В узле: ---
33
3802.3701406
Винт специальный
В узле: ---
34
5702.3701051
Шкив генератора
В узле: ---
35
841.3701790
Планка натяжная
В узле: ---
36
МХ-0234-Т
Шайба
В узле: ---
37
МХ-0235
Гайка
В узле: ---
38
84211-3701002
Комплект ремней
В узле: ---
39
201460-П29
Болт М8х30
В узле: ---
40
252135-П2
Шайба пружинная
В узле: ---
41
252038-П2
Шайба
В узле: ---
42
250517-П29
Гайка
В узле: ---
43
252136-П2
Шайба 10 пружинная
В узле: ---
44
252006-П29
Шайба плоская
В узле: ---
45
201682-П29
Болт
В узле: ---
46
8423.3701774
Кронштейн крепления генератора
В узле: ---
47
841.3701780
Палец крепления генератора
В узле: ---
48
216459-П29
Шпилька
В узле: ---
49
3802.3701055
Вентилятор
В узле: ---
50
5702.3701400
Крышка со стороны привода в сборе
В узле: ---
50
5702.3701401
Крышка со стороны привода
В узле: ---
51
3802.3701054
Втулка
В узле: ---
52
6-1180304КС9
Подшипник шариковый
В узле: ---
53
МХ-0139
Винт
В узле: ---
54
Х-1482-Т
Шайба
В узле: ---
55
3802.3701061
Винт стяжной
В узле: ---
Содержащиеся в справочниках-каталогах запасные части и детали не предлагаются к продаже, а носят исключительно информационный характер

Ваша заявка была отправлена. В ближайшее время наши специалисты с Вами свяжутся по указанному Вами телефону.

Представьтесь
Поле обязательно для заполнения
Ваш телефон
Введите правильный номер телефона
E-mail
Введите правильный e-mail
Тема
Тема
применяемость финансирование доставка цена, наличие другое сервис и гарантия
Время для звонка
08:00
08:00 09:00 10:00 11:00 12:00 13:00 14:00 15:00 16:00 17:00 18:00 19:00
19:00
08:00 09:00 10:00 11:00 12:00 13:00 14:00 15:00 16:00 17:00 18:00 19:00

Мы постараемся перезвонить в указанное время

Если вы не хотите ждать, то звоните нашим вежливым консультантам:

8 800 100-2-700
Подтвердите, что вы не робот
Подтвердите, что вы не робот
Спасибо!

Ваше сообщение успешно отправлено!

ЗакрытьПовторить попытку