Каталог запасных частей к технике: ЯМЗ-8423. Картер маховика

zoom-in zoom-out enlarge shrink circle-right circle-left file-text2 info cart arraw right arraw left zoom out zoom in arraw maximize arraw minimize
1
2
2
3
4
5
6
7
8
9
10
11
12
13
14
15
16
17
18
19
20
21
22
23
24
8423.1002310-20
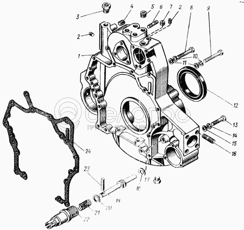
Картер маховика в сборе
В узле: ---
1
8423.1002312-20
Картер маховика
В узле: ---
2
45 9931 1201
Пробка
В узле: ---
3
316615-П29
Ввертыш
В узле: ---
4
316621-П29
Ввертыш
В узле: ---
5
316620-П29
Ввертыш
В узле: ---
6
216564-П29
Шпилька
В узле: ---
7
45 9931 1104
Пробка
В узле: ---
8
200467-П29
Болт
В узле: ---
9
200471-П29
Болт
В узле: ---
10
252136-П2
Шайба 10 пружинная
В узле: ---
11
252006-П29
Шайба плоская
В узле: ---
12
840.1005160
Манжета задняя в сборе
В узле: ---
13
200404-П29
Болт
В узле: ---
14
252137-П2
Шайба пружинная
В узле: ---
15
252007-П29
Шайба плоская
В узле: ---
16
216626-П29
Шпилька
В узле: ---
17
316172-П2
Пробка
В узле: ---
18
312766-П
Прокладка
В узле: ---
19
840.1005442
Фиксатор маховика
В узле: ---
20
238Н-1722063
Кольцо уплотнительное
В узле: ---
21
840.1005446
Пружина фиксатора
В узле: ---
22
840.1005444
Корпус фиксатора
В узле: ---
23
313412-П29
Штифт
В узле: ---
24
8423.1002314
Прокладка
В узле: ---
Содержащиеся в справочниках-каталогах запасные части и детали не предлагаются к продаже, а носят исключительно информационный характер

Ваша заявка была отправлена. В ближайшее время наши специалисты с Вами свяжутся по указанному Вами телефону.

Представьтесь
Поле обязательно для заполнения
Ваш телефон
Введите правильный номер телефона
E-mail
Введите правильный e-mail
Тема
Тема
применяемость финансирование доставка цена, наличие другое сервис и гарантия
Время для звонка
08:00
08:00 09:00 10:00 11:00 12:00 13:00 14:00 15:00 16:00 17:00 18:00 19:00
19:00
08:00 09:00 10:00 11:00 12:00 13:00 14:00 15:00 16:00 17:00 18:00 19:00

Мы постараемся перезвонить в указанное время

Если вы не хотите ждать, то звоните нашим вежливым консультантам:

8 800 100-2-700
Подтвердите, что вы не робот
Подтвердите, что вы не робот
Спасибо!

Ваше сообщение успешно отправлено!

ЗакрытьПовторить попытку