Каталог запасных частей к технике: ЯМЗ-8423. Турбокомпрессор

zoom-in zoom-out enlarge shrink circle-right circle-left file-text2 info cart arraw right arraw left zoom out zoom in arraw maximize arraw minimize
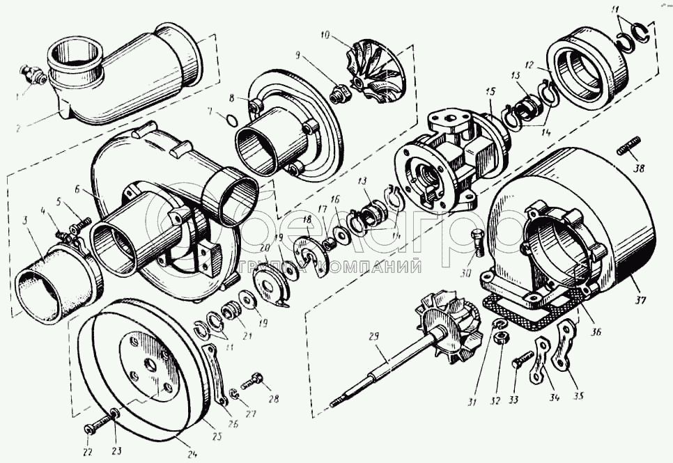
1
2
3
4
5
6
7
8
9
10
11
11
12
13
13
14
14
15
16
17
18
19
19
20
21
22
23
24
25
26
27
28
29
30
31
32
33
34
35
36
37
38
К36-4070/39.22
Турбокомпрессор в сборе
В узле: ---
1
236-1306082
Штуцер трубки слива масла
В узле: ---
2
8423.1118208-30
Патрубок подвода возду-ха
В узле: ---
3
240-111.5048
Рукав
В узле: ---
4
240Н-1115138
Хомут в сборе
В узле: ---
5
6111030870
Винт
В узле: ---
6
3996723015
Крышка корпуса
В узле: ---
7
6117405084
Шайба
В узле: ---
8
3996723020
Корпус компрессора
В узле: ---
9
3992662002
Гайка
В узле: ---
10
3992902011
Колесо компрессора
В узле: ---
11
3993100022
Кольцо пружинное
В узле: ---
12
3992102012
Тепловой кран
В узле: ---
13
3992331002
Втулка подшипника
В узле: ---
14
3993401002
Кольцо стопорное
В узле: ---
15
3996861002
Корпус подшипников
В узле: ---
16
3992100050
Маслоотражатель
В узле: ---
17
3992000900
Втулка распорная
В узле: ---
18
3993231002
Фланец упорный
В узле: ---
19
3992002012
Кольцо упорное
В узле: ---
20
3994801003
Экран маслосбрасывающий
В узле: ---
21
3992430012
Втулка уплотнительная
В узле: ---
22
3992200000
Винт
В узле: ---
23
3992001005
Шайба
В узле: ---
24
3994500012
Кольцо уплотнительное
В узле: ---
25
3992134002
Крышка корпуса подшипников
В узле: ---
26
3993101012
Пластина упорная
В узле: ---
27
6117405082
Шайба
В узле: ---
28
6111036183
Болт
В узле: ---
29
3991122004
Ротор
В узле: ---
30
201684-П29
Болт
В узле: ---
31
312300-П2
Шайба
В узле: ---
32
250517-П29
Гайка
В узле: ---
33
6111030873
Болт
В узле: ---
34
3994001022
Пластина упорная
В узле: ---
35
3993201022
Пластина упорная
В узле: ---
36
238Ф-1118158
Прокладка корпуса турбины
В узле: ---
37
3996923511
Корпус турбины
В узле: ---
38
310437-П
Шпилька
В узле: ---
Содержащиеся в справочниках-каталогах запасные части и детали не предлагаются к продаже, а носят исключительно информационный характер

Ваша заявка была отправлена. В ближайшее время наши специалисты с Вами свяжутся по указанному Вами телефону.

Представьтесь
Поле обязательно для заполнения
Ваш телефон
Введите правильный номер телефона
E-mail
Введите правильный e-mail
Тема
Тема
применяемость финансирование доставка цена, наличие другое сервис и гарантия
Время для звонка
08:00
08:00 09:00 10:00 11:00 12:00 13:00 14:00 15:00 16:00 17:00 18:00 19:00
19:00
08:00 09:00 10:00 11:00 12:00 13:00 14:00 15:00 16:00 17:00 18:00 19:00

Мы постараемся перезвонить в указанное время

Если вы не хотите ждать, то звоните нашим вежливым консультантам:

8 800 100-2-700
Подтвердите, что вы не робот
Подтвердите, что вы не робот
Спасибо!

Ваше сообщение успешно отправлено!

ЗакрытьПовторить попытку