Каталог запасных частей к технике: ЯМЗ-850.10. Генератор

zoom-in zoom-out enlarge shrink circle-right circle-left file-text2 info cart arraw right arraw left zoom out zoom in arraw maximize arraw minimize
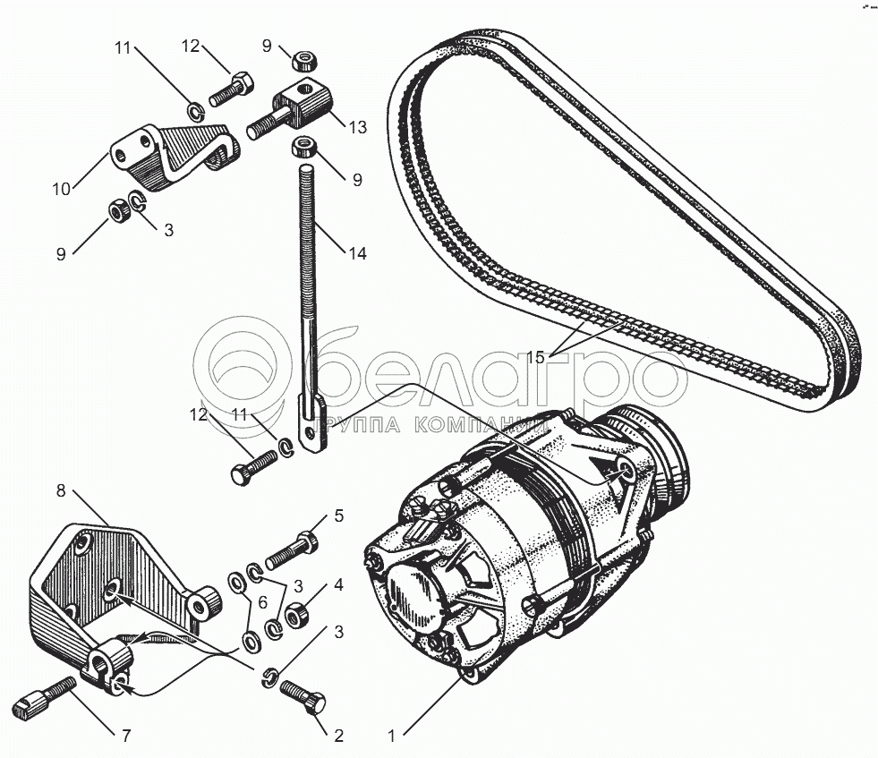
1
1
2
3
3
3
4
5
6
7
8
9
9
9
10
11
11
12
12
13
14
15
8.8773
Ремень ХРА 1235Lw
В узле: 2
1
4573710342
Генератор в сборе 6582.3701
В узле: 1
1
4010.3771-42
Генератор в сборе 4010.3771-42
В узле: 1
2
4593181096
Болт М10х1,25-6gх30
В узле: 3
3
252136-П2
Шайба 10 пружинная
В узле: 7
4
250512-П29
Гайка
В узле: 1
5
310213-П29
Болт
В узле: 1
6
252006-П29
Шайба плоская
В узле: 3
7
238-3701780
Палец крепления генератора
В узле: 1
8
850.3701774
Кронштейн крепления генератора
В узле: 1
9
250515-П29
Гайка
В узле: 3
10
850.3701716
Кронштейн натяжителя
В узле: 1
11
252135-П2
Шайба пружинная
В узле: 2
12
201460-П29
Болт М8х30
В узле: 2
13
850.3701795
Болт натяжителя
В узле: 1
14
850.3701792
Стержень с наконечником
В узле: 1
15
850.3701002-А
Комплект ремней зубчатых привода генератора
В узле: 1
Содержащиеся в справочниках-каталогах запасные части и детали не предлагаются к продаже, а носят исключительно информационный характер

Ваша заявка была отправлена. В ближайшее время наши специалисты с Вами свяжутся по указанному Вами телефону.

Представьтесь
Поле обязательно для заполнения
Ваш телефон
Введите правильный номер телефона
E-mail
Введите правильный e-mail
Тема
Тема
применяемость финансирование доставка цена, наличие другое сервис и гарантия
Время для звонка
08:00
08:00 09:00 10:00 11:00 12:00 13:00 14:00 15:00 16:00 17:00 18:00 19:00
19:00
08:00 09:00 10:00 11:00 12:00 13:00 14:00 15:00 16:00 17:00 18:00 19:00

Мы постараемся перезвонить в указанное время

Если вы не хотите ждать, то звоните нашим вежливым консультантам:

8 800 100-2-700
Подтвердите, что вы не робот
Подтвердите, что вы не робот
Спасибо!

Ваше сообщение успешно отправлено!

ЗакрытьПовторить попытку