Каталог запасных частей к технике: ЯМЗ-850.10. Трубки подвода и отвода масла турбокомпрессора

zoom-in zoom-out enlarge shrink circle-right circle-left file-text2 info cart arraw right arraw left zoom out zoom in arraw maximize arraw minimize
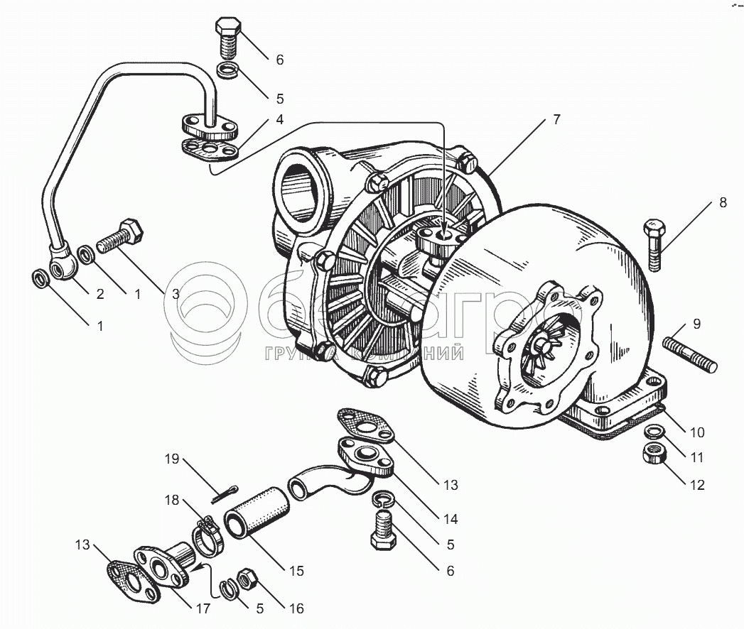
1
1
2
2
3
4
5
5
5
6
6
7
7
7
7
7
7
7
7
8
9
10
11
12
13
13
14
14
15
16
17
18
19
1
201-1015624
Прокладка
В узле: 4
2
8401.1118220-10
Трубка подвода масла правая в сборе
В узле: 1
2
8401.1118221-10
Трубка подвода масла левая в сборе
В узле: 1
3
310264-П29
Болт
В узле: 2
4
238Ф-1118225
Прокладка
В узле: 2
5
252136-П2
Шайба 10 пружинная
В узле: 12
6
201497-П29
Болт М10х25
В узле: 8
7
8.8829
Турбокомпрессор левый в сборе ТКР-100-18
В узле: 1
7
8.8828
Турбокомпрессор правый в сборе ТКР-100-17
В узле: 1
7
8.8827
Турбокомпрессор левый в сборе ТКР-100-10
В узле: 1
7
8.8830
Турбокомпрессор правый в сборе ТКР-100-19
В узле: 1
7
8.8825
Турбокомпрессор правый в сборе ТКР-100-08
В узле: 1
7
8.8824
Турбокомпрессор левый в сборе ТКР-100-04
В узле: 1
7
8.8823
Турбокомпрессор правый в сборе ТКР-100-03
В узле: 1
7
8.8826
Турбокомпрессор левый в сборе ТКР-100-09
В узле: 1
8
240Н-1008504
Болт крепления коллекторов
В узле: 8
9
310437-П
Шпилька
В узле: 12
10
238Ф-1118158
Прокладка корпуса турбины
В узле: 2
11
312300-П2
Шайба
В узле: 8
12
250512-П5
Гайка
В узле: 8
13
238Ф-1118322
Прокладка фланца трубы
В узле: 4
14
8401.1118230-01
Патрубок слива масла верхний правый в сборе
В узле: 1
14
8401.1118231-01
Патрубок слива масла верхний левый в сборе
В узле: 1
15
8401.1118385
Рукав
В узле: 2
16
250517-П29
Гайка
В узле: 4
17
8401.1118245-01
Патрубок слива масла нижний в сборе
В узле: 2
18
312215-П
Хомут в сборе
В узле: 4
19
297575-П29
Шплинт
В узле: 4
Содержащиеся в справочниках-каталогах запасные части и детали не предлагаются к продаже, а носят исключительно информационный характер

Ваша заявка была отправлена. В ближайшее время наши специалисты с Вами свяжутся по указанному Вами телефону.

Представьтесь
Поле обязательно для заполнения
Ваш телефон
Введите правильный номер телефона
E-mail
Введите правильный e-mail
Тема
Тема
применяемость финансирование доставка цена, наличие другое сервис и гарантия
Время для звонка
08:00
08:00 09:00 10:00 11:00 12:00 13:00 14:00 15:00 16:00 17:00 18:00 19:00
19:00
08:00 09:00 10:00 11:00 12:00 13:00 14:00 15:00 16:00 17:00 18:00 19:00

Мы постараемся перезвонить в указанное время

Если вы не хотите ждать, то звоните нашим вежливым консультантам:

8 800 100-2-700
Подтвердите, что вы не робот
Подтвердите, что вы не робот
Спасибо!

Ваше сообщение успешно отправлено!

ЗакрытьПовторить попытку