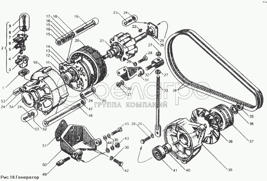
Каталог запасных частей к технике: ЯМЗ-850. Генератор

zoom-in zoom-out enlarge shrink circle-right circle-left file-text2 info cart arraw right arraw left zoom out zoom in arraw maximize arraw minimize
1
2
3
4
5
6
7
8
9
10
12
13
15
15
16
16
17
18
19
20
21
22
23
24
24
24
24
25
26
27
27
27
28
28
29
29
30
30
30
31
32
33
34
35
36
37
38
39
40
42
43
44
45
46
47
48
49
50
51
52
53
53
54
Г288-Э701132
Фаза статора
В узле: 1
Г288-3701130
Фаза статора
В узле: 1
1
Г287-3701307
Прокладка уплотнительная
В узле: 1
2
Г250П1-3701010
Щеткодержатель в сборе
В узле: 1
3
Г272-3701011
Щеткодержатель
В узле: 1
4
Г272-3701020-А
Щетка в сборе
В узле: 1
5
Г272-3701030-А
Щетка в сборе
В узле: 1
6
Г272-3701012-А
Крышка щеткодержателя
В узле: 1
7
8Х-1497-А
Шайба
В узле: 5
8
М11-41081
Шайба пружинная
В узле: 2
9
Г250Е1-3701016
Болт
В узле: 2
10
3802.3701300
Крышка со стороны контактных колец
В узле: 1
12
Г287-3701305-А
Кольцо уплотнительное контактное
В узле: 1
13
Г21-3701005
Чашка ротора
В узле: 1
15
8Х-1537М
Гайка
В узле: 2
16
МХ-0246-01
Шайба 8 пружинная
В узле: 2
17
1МЮ-37
Шайба
В узле: 1
18
Г287-3701319
Втулка изоляционная
В узле: 1
19
НО-0801-10
Болт контактный
В узле: 1
20
5702.3701100
Статор
В узле: 1
21
5702.3701200
Ротор
В узле: 1
22
15Х-4148
Шпонка
В узле: 1
23
7Х-4066
Винт
В узле: 4
24
Х-4001-01
Шайба пружинная
В узле: 11
25
Г287-3701405
Шайба специальная
В узле: 1
26
Г287-3701053
Втулка распорная
В узле: 1
27
250515-П29
Гайка
В узле: 3
28
201460-П29
Болт М8х30
В узле: 2
29
252135-П2
Шайба пружинная
В узле: 2
30
252136-П2
Шайба 10 пружинная
В узле: 7
31
850.3701716
Кронштейн натяжителя
В узле: 1
32
850.3701795
Болт натяжителя
В узле: 1
33
850.3701792
Стержень с наконечником
В узле: 1
34
850.3701002
Комплект ремней зубчатых привода генератора
В узле: 1
35
МХ-0235-01
Гайка
В узле: 1
36
Г287-3701074
Шайба
В узле: 1
37
5702.3701051
Шкив генератора
В узле: 1
38
3802.3701055
Вентилятор
В узле: 1
39
5702.3701400
Крышка со стороны привода в сборе
В узле: 1
40
Г287-3701054
Втулка
В узле: 1
42
201678-П29
Болт
В узле: 6
43
250512-П29
Гайка
В узле: 1
44
252006-П29
Шайба плоская
В узле: 2
45
310213-П29
Болт
В узле: 1
46
МХ-0139
Винт
В узле: 3
47
Х-1482-01
Шайба пружинная
В узле: 6
48
НО-0102
Винт М6
В узле: 3
49
238-3701780
Палец крепления генератора
В узле: 1
50
850.3701774
Кронштейн крепления генератора
В узле: 1
51
850.3701773
Прокладка
В узле: 1
52
Г250-3701053-А1
Скоба
В узле: 1
53
Х-4237-01
Винт М5
В узле: 4
54
Г287-3701060
Крышка
В узле: 1
Содержащиеся в справочниках-каталогах запасные части и детали не предлагаются к продаже, а носят исключительно информационный характер

Ваша заявка была отправлена. В ближайшее время наши специалисты с Вами свяжутся по указанному Вами телефону.

Представьтесь
Поле обязательно для заполнения
Ваш телефон
Введите правильный номер телефона
E-mail
Введите правильный e-mail
Тема
Тема
применяемость финансирование доставка цена, наличие другое сервис и гарантия
Время для звонка
08:00
08:00 09:00 10:00 11:00 12:00 13:00 14:00 15:00 16:00 17:00 18:00 19:00
19:00
08:00 09:00 10:00 11:00 12:00 13:00 14:00 15:00 16:00 17:00 18:00 19:00

Мы постараемся перезвонить в указанное время

Если вы не хотите ждать, то звоните нашим вежливым консультантам:

8 800 100-2-700
Подтвердите, что вы не робот
Подтвердите, что вы не робот
Спасибо!

Ваше сообщение успешно отправлено!

ЗакрытьПовторить попытку