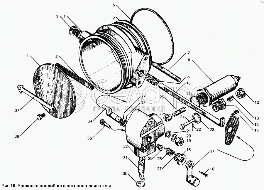
Каталог запасных частей к технике: ЯМЗ-850. Заслонка аварийного останова двигателя

zoom-in zoom-out enlarge shrink circle-right circle-left file-text2 info cart arraw right arraw left zoom out zoom in arraw maximize arraw minimize
1
2
3
4
5
7
9
10
11
12
13
14
15
16
17
18
19
20
21
22
23
24
25
26
27
27
28
29
30
31
32
34
35
36
37
8401.1030160
Кнопка в сборе
В узле: 2
8401.1030230
Заслонка аварийного останова двигателя в сборе
В узле: 2
8401.1030155
Электромагнит со штоком в сборе
В узле: 2
8401.1030236
Корпус заслонки со шпильками в сборе
В узле: 2
1
8401.1030244
Заслонка
В узле: 2
2
8401.1030248
Пластина
В узле: 2
3
310238-П29
Болт
В узле: 2
4
312349-П
Шайба
В узле: 2
5
8401.1030238
Корпус заслонки
В узле: 2
7
310444-П29
Шпилька
В узле: 4
9
8401.1030242
Пружина
В узле: 2
10
8401.1030240
Ось заслонки
В узле: 2
11
238Н-1723031
Кольцо уплотнительное
В узле: 2
12
8401.1030168
Кнопка
В узле: 2
13
6401.1030166
Пружина
В узле: 2
14
8401.1030162
Ввертыш кнопки
В узле: 2
15
236-1011358-А
Прокладка фланца
В узле: 2
16
258003-П29
Шплинт
В узле: 2
17
8401.1030170
Рычаг возврата заслонки в сборе
В узле: 2
18
8401.1030186
Шайба кривошипа
В узле: 2
19
250511-П29
Гайка
В узле: 4
20
252005-П2
Шайба 8
В узле: 4
21
252135-П2
Шайба пружинная
В узле: 4
22
258282-П29С
Шплинт
В узле: 2
23
201-1015624
Прокладка
В узле: 2
24
8401.1030164
Толкатель
В узле: 2
25
8401.1030158
Шток фиксатора
В узле: 2
26
8401.1030159
Гайка
В узле: 2
27
312307-П29
Шайба
В узле: 4
28
840.1030184
Пружина кривошипа
В узле: 2
29
8401.1030180
Упор фиксатора
В узле: 2
30
260305-П29
Заглушка
В узле: 2
31
8401.1030176
Фиксатор
В узле: 2
32
8401.1030175
Корпус привода заслонки
В узле: 2
34
8401.1030182
Кривошип возврата заслонки
В узле: 2
35
8401.1030178
Ось фиксатора
В узле: 2
36
201416-П29
Болт М6х12
В узле: 4
37
8401.1030246
Пластина замковая
В узле: 2
Содержащиеся в справочниках-каталогах запасные части и детали не предлагаются к продаже, а носят исключительно информационный характер

Ваша заявка была отправлена. В ближайшее время наши специалисты с Вами свяжутся по указанному Вами телефону.

Представьтесь
Поле обязательно для заполнения
Ваш телефон
Введите правильный номер телефона
E-mail
Введите правильный e-mail
Тема
Тема
применяемость финансирование доставка цена, наличие другое сервис и гарантия
Время для звонка
08:00
08:00 09:00 10:00 11:00 12:00 13:00 14:00 15:00 16:00 17:00 18:00 19:00
19:00
08:00 09:00 10:00 11:00 12:00 13:00 14:00 15:00 16:00 17:00 18:00 19:00

Мы постараемся перезвонить в указанное время

Если вы не хотите ждать, то звоните нашим вежливым консультантам:

8 800 100-2-700
Подтвердите, что вы не робот
Подтвердите, что вы не робот
Спасибо!

Ваше сообщение успешно отправлено!

ЗакрытьПовторить попытку