Каталог запасных частей к технике: ЯЗДА ТНВД-135, 175, 185. Корпус топливного насоса высокого давления

zoom-in zoom-out enlarge shrink circle-right circle-left file-text2 info cart arraw right arraw left zoom out zoom in arraw maximize arraw minimize
1
2
3
4
5
5
5
6
7
8
9
10
11
12
13
14
15
17
18
19
20
21
22
23
24
24
25
25
26
26
27
28
29
30
31
32
33
34
35
36
37
38
39
40
40
40
41
42
43
44
45
46
47
47
48
49
50
51
52
53
54
55
56
57
58
59
60
61
62
63
64
65
66
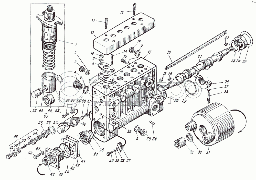
135.1111005
Топливный насос высокого давления в сборе
В узле: 1
236-1111042-А
Втулка рейки
В узле: 2
1
175.1111130
Секция топливного насоса в сборе
В узле: 6
2
852212
Шайба
В узле: 1
3
42.1111905
Ввертыш
В узле: 1
4
316617-П29
Ввертыш
В узле: 1
5
312768-П
Прокладка
В узле: 3
6
42.1111386
Прокладка регулировочная
В узле: 24
7
42.1111385-01
Прокладка регулировочная
В узле: 60
8
17.1111375
Фланец нажимной
В узле: 6
9
252156-П29
Шайба
В узле: 12
10
250517-П29
Гайка
В узле: 12
11
135.1111412
Крышка защитная
В узле: 1
12
42.1111414
Винт
В узле: 2
13
42.1111414-10
Винт
В узле: 2
14
852301
Шпилька
В узле: 12
15
310952-П15
Винт стопорный
В узле: 1
17
135.1111021
Корпус насоса в сборе
В узле: 1
18
135.1111184
Рейка топливного насоса
В узле: 1
19
42.1111046
Фиксатор
В узле: 1
20
852802
Шпонка
В узле: 1
21
135.1111055
Вал кулачковый
В узле: 1
22
314019-П
Шпонка
В узле: 1
23
42.1111082
Кольцо упорное
В узле: 1
24
6-7506А
Подшипник роликовый
В узле: 1
25
42.1111087
Шайба дистанционная
В узле: 2
26
17.1111032
Ввертыш
В узле: 1
26
42.1111063-10
Опора кулачкового вала
В узле: 1
27
25 3111 3015
Кольцо
В узле: 2
28
42.1111065
Болт опоры
В узле: 2
29
42.1111163
Кольцо пружинное
В узле: 1
30
42.1111077
Втулка подшипника
В узле: 1
31
7511.1111450-10
Гаситель крутильных колебаний в сборе
В узле: 1
32
60.1121114
Пружина тарельчатая
В узле: 1
33
318-85304
Гайка кольцевая
В узле: 1
34
17.1111129
Фиксатор толкателя
В узле: 3
35
316186-П
Пробка
В узле: 1
36
258639-П15
Штифт
В узле: 1
37
135.1111280
Указатель начала подачи топлива
В узле: 1
38
852204
Шайба
В узле: 1
39
252155-П29
Шайба
В узле: 1
40
201458-П29
Болт
В узле: 7
41
42.1111078
Прокладка регулировочная
В узле: 3
42
42.1111079
Прокладка регулировочная
В узле: 7
43
42.1111080
Прокладка регулировочная
В узле: 1
44
25 3111 2181
Кольцо
В узле: 1
45
175.1111072
Крышка подшипника
В узле: 1
46
42.1111090
Манжета
В узле: 1
47
252135-П2
Шайба
В узле: 6
48
135.1111282
Клапан перепускной в сборе
В узле: 1
49
318-85366
Пробка
В узле: 1
50
852205
Шайба
В узле: 1
51
852210
Шайба
В узле: 6
52
17.1111148
Пружина
В узле: 1
53
60.1111152
Клапан
В узле: 1
54
6007.1111285-10
Корпус клапана
В узле: 1
55
42.1111032
Ввертыш экранированный
В узле: 1
56
312630-П
Шайба
В узле: 1
57
42.1111186
Крышка рейки
В узле: 1
58
421.1110869
Прокладка
В узле: 1
59
312700-П29
Шайба
В узле: 2
60
318-85205
Болт упорный
В узле: 1
61
250608-П15
Гайка
В узле: 1
62
17.1111110
Толкатель плунжера в сборе
В узле: 6
63
17.1111115
Кольцо стопорное
В узле: 6
64
17.1111118
Ролик толкателя
В узле: 6
65
17.1111114
Толкатель плунжера
В узле: 6
66
17.1111124
Ось ролика толкателя
В узле: 6
Содержащиеся в справочниках-каталогах запасные части и детали не предлагаются к продаже, а носят исключительно информационный характер

Ваша заявка была отправлена. В ближайшее время наши специалисты с Вами свяжутся по указанному Вами телефону.

Представьтесь
Поле обязательно для заполнения
Ваш телефон
Введите правильный номер телефона
E-mail
Введите правильный e-mail
Тема
Тема
применяемость финансирование доставка цена, наличие другое сервис и гарантия
Время для звонка
08:00
08:00 09:00 10:00 11:00 12:00 13:00 14:00 15:00 16:00 17:00 18:00 19:00
19:00
08:00 09:00 10:00 11:00 12:00 13:00 14:00 15:00 16:00 17:00 18:00 19:00

Мы постараемся перезвонить в указанное время

Если вы не хотите ждать, то звоните нашим вежливым консультантам:

8 800 100-2-700
Подтвердите, что вы не робот
Подтвердите, что вы не робот
Спасибо!

Ваше сообщение успешно отправлено!

ЗакрытьПовторить попытку